GB/T 4127.16-2007 固结磨具 尺寸 第16部分:手持式电动工具用切割砂轮
GB/T 4127.16-2007 Bonded abrasive products—Dimensions—Part 16:Grinding wheels for cutting-off on hand held power tools
国家标准
中文简体
现行
页数:8页
|
格式:PDF
基本信息
标准号
GB/T 4127.16-2007
相关服务
仅限个人学习交流使用
标准类型
国家标准
标准状态
现行
中国标准分类号(CCS)
J43 固结磨具 尺寸 第16部分:手持式电动工具用切割砂轮
国际标准分类号(ICS)
25.100.70
发布日期
2007-06-25
实施日期
2007-11-01
发布单位/组织
中华人民共和国国家质量监督检验检疫总局、中国国家标准化管理委员会
归口单位
全国磨料磨具标准化技术委员会(SAC/TC 139)
适用范围
-
发布历史
-
2007-11
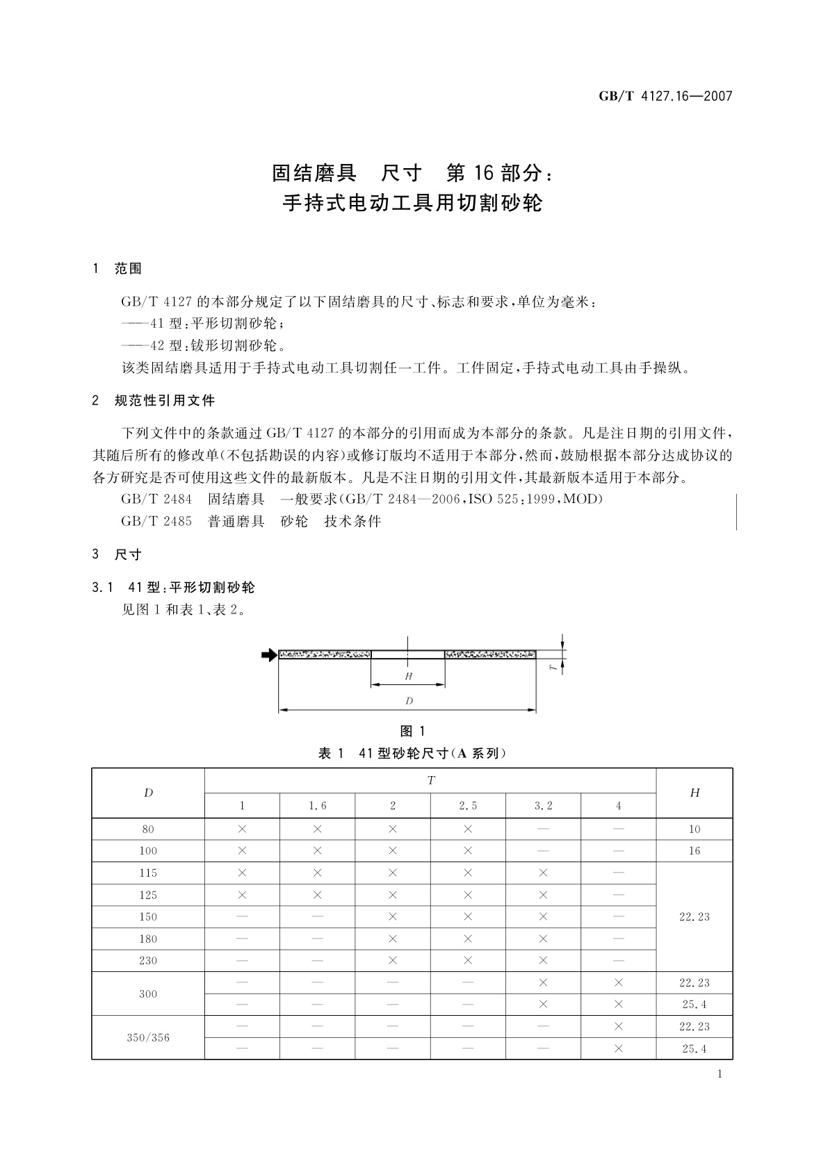
文前页预览
免费预览已结束,剩余部分可下载查看
研制信息
- 起草单位:
- 郑州磨料磨具磨削研究所、深圳市二砂深联有限公司
- 起草人:
- 张长伍、赖天忠
- 出版信息:
- 页数:8页 | 字数:8 千字 | 开本: 大16开
推荐标准
- GB/T 2081-2018 带修光刃、无固定孔的硬质合金可转位铣刀片 尺寸 2018-09-17
- GB/T 18115.15-2010 稀土金属及其氧化物中稀土杂质化学分析方法 第15部分:镥中镧、铈、镨、钕、钐、铕、钆、铽、镝、钬、铒、铥、镱和钇量的测定 2011-01-14
- GB/T 37447-2019 船用带式收油机 2019-05-10
- GB/T 3735.1-1983 卡套式端直通长管接头 1983-06-17
- GA/T 833-2009 机动车号牌图像自动识别技术规范 2009-06-05
- GB/T 5341.1-2006 可转位三面刃铣刀 第1部分:型式和尺寸 2006-12-30
- GB 5175-2008 食品添加剂 氢氧化钠 2008-06-25
- GB/T 6906-2006 锅炉用水和冷却水分析方法 联氨的测定 2006-09-01
- GB/T 22877-2008 纸、纸板和纸浆 灼烧残余物(灰分)的测定(525 ℃) 2008-12-30
- GB/T 10627-1989 气体分析 标准混合气的制备 静态容积法 1989-03-01
相似标准推荐
更多>- 1 GB/T 3714-1983 碳酸锰矿粉技术条件
- 2 GB/T 189-1997 煤炭粒度分级
- 3 GB/T 22943-2008 蜂蜜中三甲氧苄氨嘧啶残留量的测定 液相色谱-串联质谱法
- 4 GB/T 20216-2016 纸浆和纸 有效残余油墨浓度(ERIC值)的测定 红外线反射率测量法
- 5 GB/T 10185-2012 电子设备用固定电容器 第7部分:分规范 金属箔式聚苯乙烯膜介质直流固定电容器
- 6 GB/T 16886.17-2005 医疗器械生物学评价 第17部分:可沥滤物允许限量的建立
- 7 LY/T 3202-2020 竹缠绕管廊
- 8 GB/T 37641-2019 化妆品中2,3,5,4′-四羟基二苯乙烯-2-O-β-D-葡萄糖苷的测定 高效液相色谱法
- 9 GB/T 16931-1997 残疾人冬季运动项目运动员医学和功能分级标准
- 10 GB/T 2893.3-2010 图形符号 安全色和安全标志 第3部分:安全标志用图形符号设计原则

关闭预览
