GB/T 4127.18-2017 固结磨具 尺寸 第18部分:平板玻璃磨边用砂轮
GB/T 4127.18-2017 Bonded abrasive products—Dimensions—Part 18:Grinding wheels for flat glass edge grinding machines
国家标准
中文简体
现行
页数:8页
|
格式:PDF
基本信息
标准号
GB/T 4127.18-2017
相关服务
仅限个人学习交流使用
标准类型
国家标准
标准状态
现行
中国标准分类号(CCS)
J43 固结磨具 尺寸 第18部分:平板玻璃磨边用砂轮
国际标准分类号(ICS)
25.100.70
发布日期
2017-12-29
实施日期
2018-07-01
发布单位/组织
中华人民共和国国家质量监督检验检疫总局、中国国家标准化管理委员会
归口单位
全国磨料磨具标准化技术委员会(SAC/TC 139)
适用范围
-
发布历史
-
2018-07
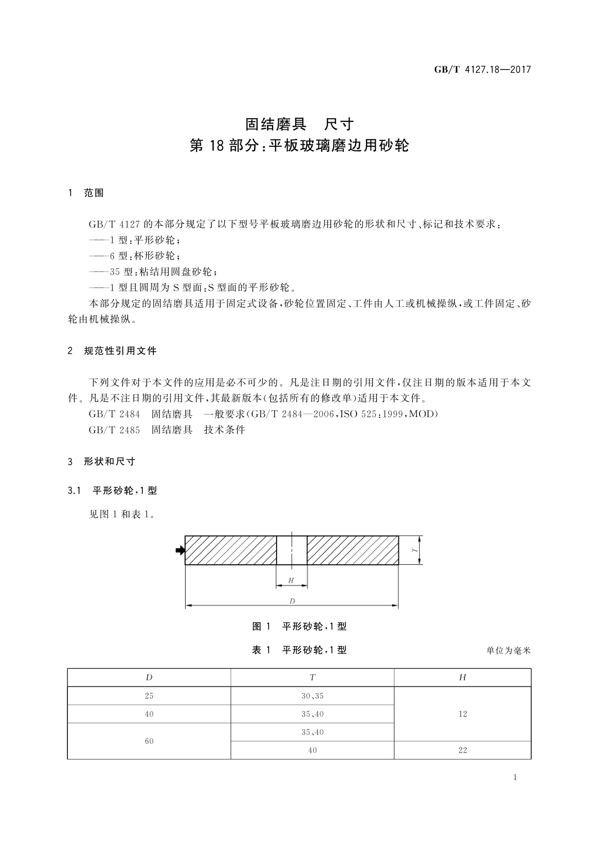
文前页预览
免费预览已结束,剩余部分可下载查看
研制信息
- 起草单位:
- 郑州磨料磨具磨削研究所有限公司、台山市兰宝磨具有限公司
- 起草人:
- 张良、张照、陈德庆、张克选、黎建
- 出版信息:
- 页数:8页 | 字数:12 千字 | 开本: 大16开
推荐标准
- GB/T 30045-2013 煤炭直接液化 油煤浆表观黏度测定方法 2013-12-17
- YY/T 0457.6-2003 医用电气设备 光电X射线影像增强器特性 第6部分:对比度及炫光系数的测定 2003-06-20
- YS/T 85-2006 光谱分析用铑基体 2006-05-25
- GB/T 15899-2021 化学试剂 一水合硫酸锰(硫酸锰) 2021-08-20
- GB/T 4854.7-2008 声学 校准测听设备的基准零级 第7部分:自由场与扩散场测听的基准听阈 2008-07-02
- GB/T 23376-2009 茶叶中农药多残留测定 气相色谱/质谱法 2009-04-08
- GB/T 4617-1984 酚醛模塑制品丙酮可溶物的测定 1984-07-30
- GB/T 22486-2008 城市轨道交通客运服务 2008-10-27
- GB/T 44284.1-2024 信息技术 系统间远程通信和信息交换 时间敏感网络与无线网络互联 第1部分:体系结构与接口要求 2024-08-23
- SB/T 10526-2009 排骨粉调味料 2009-04-02
相似标准推荐
更多>- 1 GB/T 14005-1992 电子设备用固定电容器 第六部分:空白详细规范 金属化聚碳酸酯膜介质直流固定电容器 评定水平E(可供认证用)
- 2 GB/T 19367-2009 人造板的尺寸测定
- 3 GB 1886.140-2015 食品安全国家标准 食品添加剂 八角茴香油
- 4 HY/T 255-2018 海滩养护与修复技术指南
- 5 GB/T 6512-2012 运输方式代码
- 6 GB/T 13207-2011 菠萝罐头
- 7 GB 25684.7-2010 土方机械 安全 第7部分:铲运机的要求
- 8 GB/T 26116-2010 内燃机共轴泵 试验方法
- 9 FZ/T 12063-2019 涤纶羊毛混纺色纺纱
- 10 GB/T 36697-2018 铸造起重机报废条件

关闭预览
