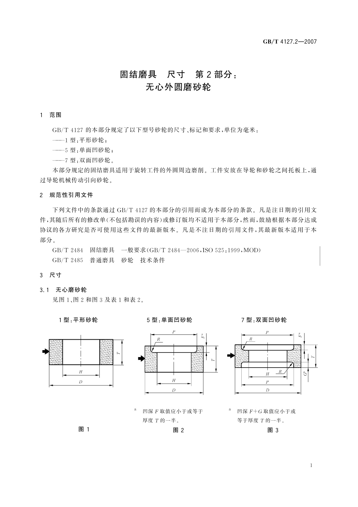
GB/T 4127.2-2007 固结磨具 尺寸 第2部分:无心外圆磨砂轮
GB/T 4127.2-2007 Bonded abrasive products—Dimensions—Part 2:Grinding wheels for centreless external cylindrical grinding
国家标准
中文简体
现行
页数:8页
|
格式:PDF
基本信息
标准号
GB/T 4127.2-2007
相关服务
仅限个人学习交流使用
标准类型
国家标准
标准状态
现行
中国标准分类号(CCS)
J43 固结磨具 尺寸 第2部分:无心外圆磨砂轮
国际标准分类号(ICS)
25.100.70
发布日期
2007-06-25
实施日期
2007-11-01
发布单位/组织
中华人民共和国国家质量监督检验检疫总局、中国国家标准化管理委员会
归口单位
全国磨料磨具标准化技术委员会(SAC/TC 139)
适用范围
-
发布历史
-
2007-11
文前页预览
免费预览已结束,剩余部分可下载查看
研制信息
- 起草单位:
- 郑州磨料磨具磨削研究所、白鸽(集团)股份有限公司
- 起草人:
- 张长伍、路宗艳、李宁
- 出版信息:
- 页数:8页 | 字数:9 千字 | 开本: 大16开
推荐标准
- GB/Z 29619.4-2013 测量和控制数字数据通信 工业控制系统 用现场总线 类型8:INTERBUS规范 第4部分:数据链路协议规范 2013-07-19
- GB 4706.49-2008 家用和类似用途电器的安全 废弃食物处理器的特殊要求 2008-07-31
- JJG 75-2022 标准铂铑10-铂热电偶 2022-12-27
- GB/T 8611-1988 油脂业用大豆 1988-01-25
- GB/T 15766.1-2008 道路机动车辆灯泡 尺寸、光电性能要求 2008-03-24
- GB/T 36067-2018 信息与文献 引文数据库数据加工规则 2018-03-15
- GB/T 19964-2024 光伏发电站接入电力系统技术规定 2024-03-15
- GB/T 16558.3-2009 船舶维修保养体系 第3部分:船舶维修保养的分级、周期代码及周期允差 2009-03-31
- GB/T 984-2001 堆焊焊条 2001-12-17
- YS/T 231-2015 钨精矿 2015-04-30
相似标准推荐
更多>- 1 GB/T 4934.2-2008 土工试验仪器 剪切仪 第2部分:现场十字板剪切仪
- 2 GB/T 36431-2018 消费品分类与代码
- 3 GB/T 18216.6-2022 交流1 000 V和直流1 500 V及以下低压配电系统电气安全 防护措施的试验、测量或监控设备 第6部分:TT、TN和IT系统中剩余电流装置(RCD)的有效性
- 4 GB/T 14269-1993 羊毛试验取样方法
- 5 GB 5413.35-2010 食品安全国家标准 婴幼儿食品和乳品中β-胡萝卜素的测定
- 6 GB/T 9222-2008 水管锅炉受压元件强度计算
- 7 GB/T 16710.2-1996 工程机械 定置试验条件下机外辐射噪声的测定
- 8 YC/T 85.2-2006 烟草机械 振动式输送机 第2部分:技术条件
- 9 GB/T 35150.2-2017 新型干法水泥生产成套装备技术要求 第2部分:烧成系统
- 10 GB 15892-2020 生活饮用水用聚氯化铝

关闭预览
