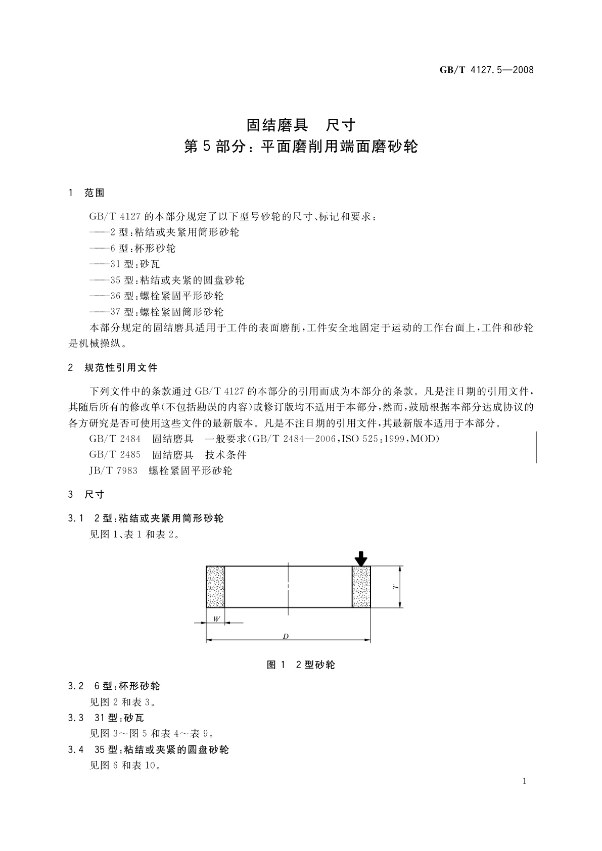
GB/T 4127.5-2008 固结磨具 尺寸 第5部分:平面磨削用端面磨砂轮
GB/T 4127.5-2008 Bonded abrasive products—Dimensions—Part5:Grinding wheels for surface grinding/face grinding
国家标准
中文简体
现行
页数:16页
|
格式:PDF
基本信息
标准号
GB/T 4127.5-2008
相关服务
仅限个人学习交流使用
标准类型
国家标准
标准状态
现行
中国标准分类号(CCS)
J43 固结磨具 尺寸 第5部分:平面磨削用端面磨砂轮
国际标准分类号(ICS)
25.100.70
发布日期
2008-06-03
实施日期
2009-01-01
发布单位/组织
中华人民共和国国家质量监督检验检疫总局、中国国家标准化管理委员会
归口单位
全国磨料磨具标准化技术委员会(SAC/TC 139)
适用范围
-
发布历史
-
2009-01
文前页预览
免费预览已结束,剩余部分可下载查看
研制信息
- 起草单位:
- 苏州远东砂轮有限公司、山东鲁信高新技术产业股份有限公司
- 起草人:
- 陈志远、陈刚祖、徐爱萍
- 出版信息:
- 页数:16页 | 字数:24 千字 | 开本: 大16开
推荐标准
- GB/T 36661-2018 绿色拆船通用规范 2018-09-17
- GB/T 42035-2022 煤和岩石孔径分布的测定 核磁共振法 2022-10-12
- GB/T 18311.16-2007 纤维光学互连器件和无源器件 基本试验和测量程序 第3-16部分:检查和测量 球面抛光套管端面半径 2007-06-29
- GB/T 3102.13-1993 固体物理学的量和单位 1993-12-27
- GB/T 42103-2022 游乐园安全 风险识别与评估 2022-10-12
- YY/T 0796.1-2010 医用电气设备 数字X射线成像系统的曝光指数 第1部分:普通X射线摄影的定义和要求 2010-12-27
- GB/T 30246.2-2013 家庭网络 第2部分:控制终端规范 2013-12-31
- FZ/T 44006-2019 刺绣花边 2019-12-24
- GB/T 17562.8-2002 频率低于3MHz的矩形连接器 第8部分:具有4个信号接触件和电缆屏蔽用接地接触件的连接器详细规范 2002-12-04
- XB/T 904-2016 离子型稀土矿原地浸出开采安全生产规范 2016-07-11
相似标准推荐
更多>- 1 GB/T 45111-2024 保护层分析(LOPA)、安全完整性等级(SIL)定级和验证质量控制导则
- 2 GB/T 12976.2-1991 额定电压35kV及以下铜芯、铝芯纸绝缘电力电缆 第2部分:不滴流油浸纸绝缘金属套电力电缆
- 3 FZ/T 50039-2018 氨纶长丝 抱合性能试验方法
- 4 GB/T 1703-2017 力车内胎
- 5 GB/T 30542-2014 文件管理 130 mm光盘存储信息的监测和验证
- 6 GB/T 3836.12-2008 爆炸性环境 第12部分:气体或蒸气混合物按照其最大试验安全间隙和最小点燃电流的分级
- 7 LY/T 1151-1994 木片散装汽车技术条件
- 8 GB/T 20719.44-2010 工业自动化系统与集成 过程规范语言 第44部分:定义性扩展 资源扩展
- 9 YY 0169.2-1994 丁基橡胶抗生素瓶塞
- 10 YY/T 1000.2-2005 医疗器械行业标准的制定 第2部分:工作指南

关闭预览
