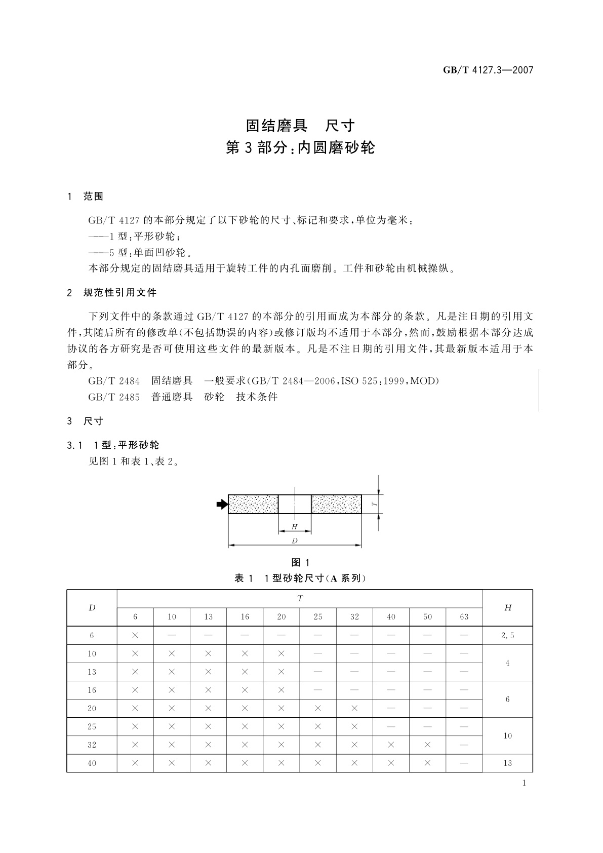
GB/T 4127.3-2007 固结磨具 尺寸 第3部分:内圆磨砂轮
GB/T 4127.3-2007 Bonded abrasive products—Dimensions—Part 3:Grinding wheels for internal cylindrical grinding
国家标准
中文简体
现行
页数:12页
|
格式:PDF
基本信息
标准号
GB/T 4127.3-2007
相关服务
仅限个人学习交流使用
标准类型
国家标准
标准状态
现行
中国标准分类号(CCS)
J43 固结磨具 尺寸 第3部分:内圆磨砂轮
国际标准分类号(ICS)
25.100.70
发布日期
2007-06-25
实施日期
2007-11-01
发布单位/组织
中华人民共和国国家质量监督检验检疫总局、中国国家标准化管理委员会
归口单位
全国磨料磨具标准化技术委员会(SAC/TC 139)
适用范围
-
发布历史
-
2007-11
文前页预览
免费预览已结束,剩余部分可下载查看
研制信息
- 起草单位:
- 郑州磨料磨具磨削研究所、江苏苏北砂轮厂有限公司、白鸽(集团)股份有限公司
- 起草人:
- 张长伍、黄海平、路宗艳、李宁
- 出版信息:
- 页数:12页 | 字数:12 千字 | 开本: 大16开
推荐标准
- GB/T 23828-2009 高速公路LED可变信息标志 2009-05-25
- GB/T 18700.8-2005 远动设备和系统 第6-601部分:与ISO标准和ITU-T建议兼容的远动协议 在通过永久接入分组交换数据网连接的端系统中提供基于连接传输服务的功能协议集 2005-03-23
- GB/T 2386-2014 染料及染料中间体 水分的测定 2014-07-08
- GB/T 10130-1988 电极糊 1988-12-10
- GB/T 15310.2-2009 国际贸易出口单证格式 第2部分:装箱单 2009-11-15
- GB/T 35334-2017 柑橘木虱(亚洲种)监测规范 2017-12-29
- GB/T 1749-2025 厚漆、腻子稠度测定法 2025-08-01
- GB/T 12618.4-2006 开口型平圆头抽芯铆钉 51级 2006-07-05
- JJF 1261.19-2015 交流电风扇能源效率计量检测规则 2015-12-07
- QC/T 1217-2024 车载有线高速媒体传输 万兆全双工系统 技术要求及试验方法 2024-11-07
相似标准推荐
更多>- 1 YY/T 1719-2023 正电子发射断层成像及磁共振成像设备通用技术要求
- 2 YY/T 0688.2-2010 临床实验室检测和体外诊断系统 感染病原体敏感性试验与抗菌剂敏感性试验设备的性能评价 第2部分:抗菌剂敏感性试验设备的性能评价
- 3 MT/T 77-1994 煤层气测定方法(解吸法)
- 4 GB/T 38084-2019 生物产品降解植物纤维素功效评价技术规范
- 5 GB/T 42412-2023 基于工业云平台的个性化定制技术要求
- 6 GB/T 37428-2019 电弧炉热平衡测试与计算方法
- 7 GB 1503-1989 铸钢轧辊
- 8 GB/T 3836.18-2017 爆炸性环境 第18部分:本质安全电气系统
- 9 JJF 1511-2015 记录式压力表、压力真空表及真空表型式评价大纲
- 10 GB/T 42456-2023 工业自动化和控制系统信息安全 IACS组件的安全技术要求

关闭预览
