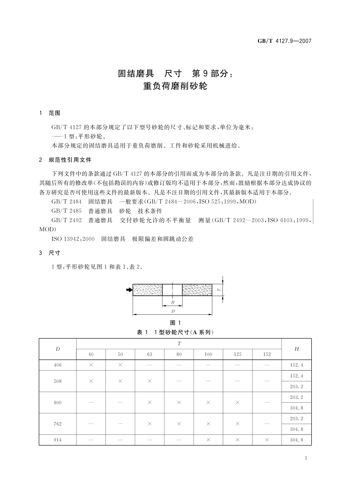
GB/T 4127.9-2007 固结磨具 尺寸 第9部分:重负荷磨削砂轮
GB/T 4127.9-2007 Bonded abrasive products—Dimensions—Part 9:Grinding wheels for high-pressure grinding
国家标准
中文简体
现行
页数:8页
|
格式:PDF
基本信息
标准号
GB/T 4127.9-2007
相关服务
仅限个人学习交流使用
标准类型
国家标准
标准状态
现行
中国标准分类号(CCS)
J43 固结磨具 尺寸 第9部分:重负荷磨削砂轮
国际标准分类号(ICS)
25.100.70
发布日期
2007-06-25
实施日期
2007-11-01
发布单位/组织
中华人民共和国国家质量监督检验检疫总局、中国国家标准化管理委员会
归口单位
全国磨料磨具标准化技术委员会(SAC/TC 139)
适用范围
-
发布历史
-
2007-11
文前页预览
免费预览已结束,剩余部分可下载查看
研制信息
- 起草单位:
- 郑州磨料磨具磨削研究所、第三砂轮厂
- 起草人:
- 张长伍、刘世杰
- 出版信息:
- 页数:8页 | 字数:7 千字 | 开本: 大16开
推荐标准
- GA/T 712-2007 信息安全技术 应用软件系统安全等级保护通用测试指南 2007-08-13
- GB/T 13025.4-2012 制盐工业通用试验方法 水不溶物的测定 2012-06-29
- GB/T 19942-2005 皮革和毛皮 化学试验 禁用偶氮染料的测定 2005-09-26
- JJF 1534-2015 数据网络性能测试仪校准规范 2015-06-15
- GB/T 1149.12-2013 内燃机 活塞环 第12部分:楔形钢环 2013-12-31
- GB 5413.38-2010 食品安全国家标准 生乳冰点的测定 2010-03-26
- GB/T 39082-2020 电阻点焊、凸焊及缝焊接头的维氏硬度试验方法 2020-07-21
- GB/T 3620.2-2023 钛及钛合金加工产品化学成分允许偏差 2023-08-06
- GB/T 24239-2009 直接还原铁和热压铁块 取样和制样方法 2009-07-15
- JG/T 492-2016 建筑用光伏构件通用技术要求 2016-06-14
相似标准推荐
更多>- 1 DZ/T 0060-1993 岩溶地区工程地质调查规程(比例尺1∶10万~1∶20万)
- 2 GB/T 41709-2022 碳纤维增强塑料 粉碎料尺寸和长宽比的测定
- 3 GB/T 17626.5-2008 电磁兼容 试验和测量技术 浪涌(冲击)抗扰度试验
- 4 GB/T 36291.1-2018 电力安全设施配置技术规范 第1部分:变电站
- 5 GB/T 26749-2011 碳纤维 浸胶纱拉伸性能的测定
- 6 MT/T 310-1992 高压水管楔式快速接头
- 7 NY/T 415-2000 低芥酸低硫苷油菜籽
- 8 GB/T 223.66-1989 钢铁及合金化学分析方法 硫氰酸盐-盐酸氯丙嗪-三氯甲烷萃取光度法测定钨量
- 9 HY/T 0463-2024 琼胶寡糖
- 10 GB/T 44805.1-2024 数字化电气文件编制 第1部分:交互式故障诊断手册

关闭预览
