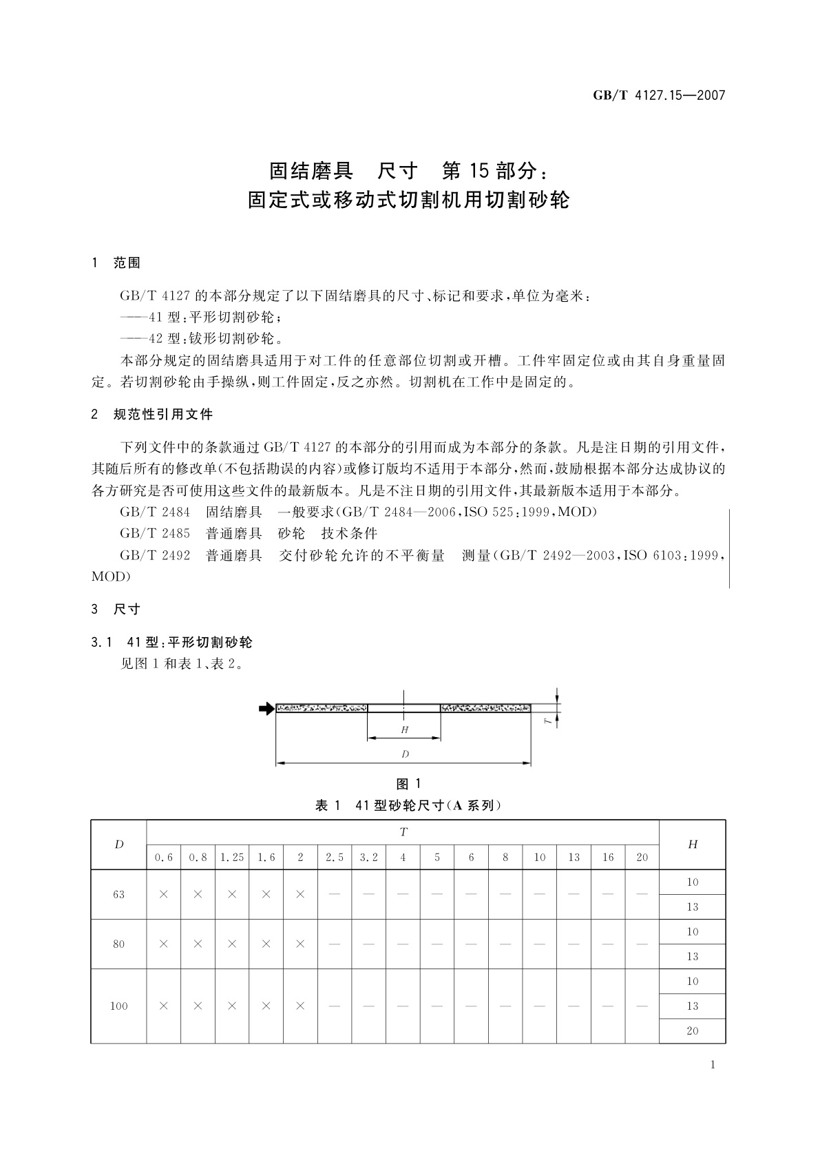
GB/T 4127.15-2007 固结磨具 尺寸 第15部分:固定式或移动式切割机用切割砂轮
GB/T 4127.15-2007 Bonded abrasive products—Dimensions—Part 15:Grinding wheels for cutting-off on stationary or mobile cutting-off machines
国家标准
中文简体
现行
页数:12页
|
格式:PDF
基本信息
标准号
GB/T 4127.15-2007
相关服务
仅限个人学习交流使用
标准类型
国家标准
标准状态
现行
中国标准分类号(CCS)
J43 固结磨具 尺寸 第15部分:固定式或移动式切割机用切割砂轮
国际标准分类号(ICS)
25.100.70
发布日期
2007-06-25
实施日期
2007-11-01
发布单位/组织
中华人民共和国国家质量监督检验检疫总局、中国国家标准化管理委员会
归口单位
全国磨料磨具标准化技术委员会(SAC/TC 139)
适用范围
-
发布历史
-
2007-11
文前页预览
免费预览已结束,剩余部分可下载查看
研制信息
- 起草单位:
- 郑州磨料磨具磨削研究所、深圳市二砂深联有限公司
- 起草人:
- 张长伍、赖天忠
- 出版信息:
- 页数:12页 | 字数:13 千字 | 开本: 大16开
推荐标准
- GB/T 8654.1-2007 金属锰、锰硅合金、锰铁和氮化锰铁 铁含量的测定 邻二氮杂菲分光光度法和三氯化钛-重铬酸钾滴定法 2007-09-01
- GB/T 17473.3-2008 微电子技术用贵金属浆料测试方法 方阻测定 2008-03-31
- GB/T 18724-2024 印刷技术 印刷品与印刷油墨 耐各种试剂性的测定 2024-10-26
- GB/T 43651-2024 智慧城市基础设施 火电站基础设施质量评价方法和运营维护要求 2024-03-15
- GB/T 6628-1996 人造石英晶体制材 1996-09-09
- GB/T 40239-2021 城市雪灾气象等级 2021-05-21
- GB/T 13999-1992 35mm电影拷贝上光学双声迹的位置和宽度尺寸 1992-12-17
- GB/T 20838-2007 高压直流输电用油浸式换流变压器技术参数和要求 2007-01-16
- YY/T 0106-2008 医用诊断X射线机通用技术条件 2008-10-17
- LS/T 1211-2008 粮油储藏技术规范 2008-04-22
相似标准推荐
更多>- 1 SB/T 11133-2015 电子商务商品理赔技术要求
- 2 GB/T 4932-2000 二氧化碳激光器系列型谱
- 3 LY/T 1751-2008 荒漠胡杨林更新复壮恢复技术规程
- 4 DZ/T 0142-2010 航空磁测技术规范
- 5 NB/T 11632-2024 煤矿用局部通风机智能控制系统
- 6 GB/T 1611-2014 工业重铬酸钠
- 7 NB/T 11434.5-2023 煤矿膏体充填 第5部分:胶凝材料技术要求
- 8 SH/T 1608-1995 丁苯胶乳对钙离子稳定性的测定
- 9 GB/T 28023-2011 絮用纤维制品抗菌整理剂残留量的测定
- 10 GB/T 13823.6-1992 振动与冲击传感器的校准方法 基座应变灵敏度测试

关闭预览
