GB/T 4678.11-2003 压铸模零件 第11部分:推杆
GB/T 4678.11-2003 Die-casting die components—Part 11:Ejector pin
国家标准
中文简体
被代替
页数:8页
|
格式:PDF
基本信息
标准号
GB/T 4678.11-2003
相关服务
仅限个人学习交流使用
标准类型
国家标准
标准状态
被代替
中国标准分类号(CCS)
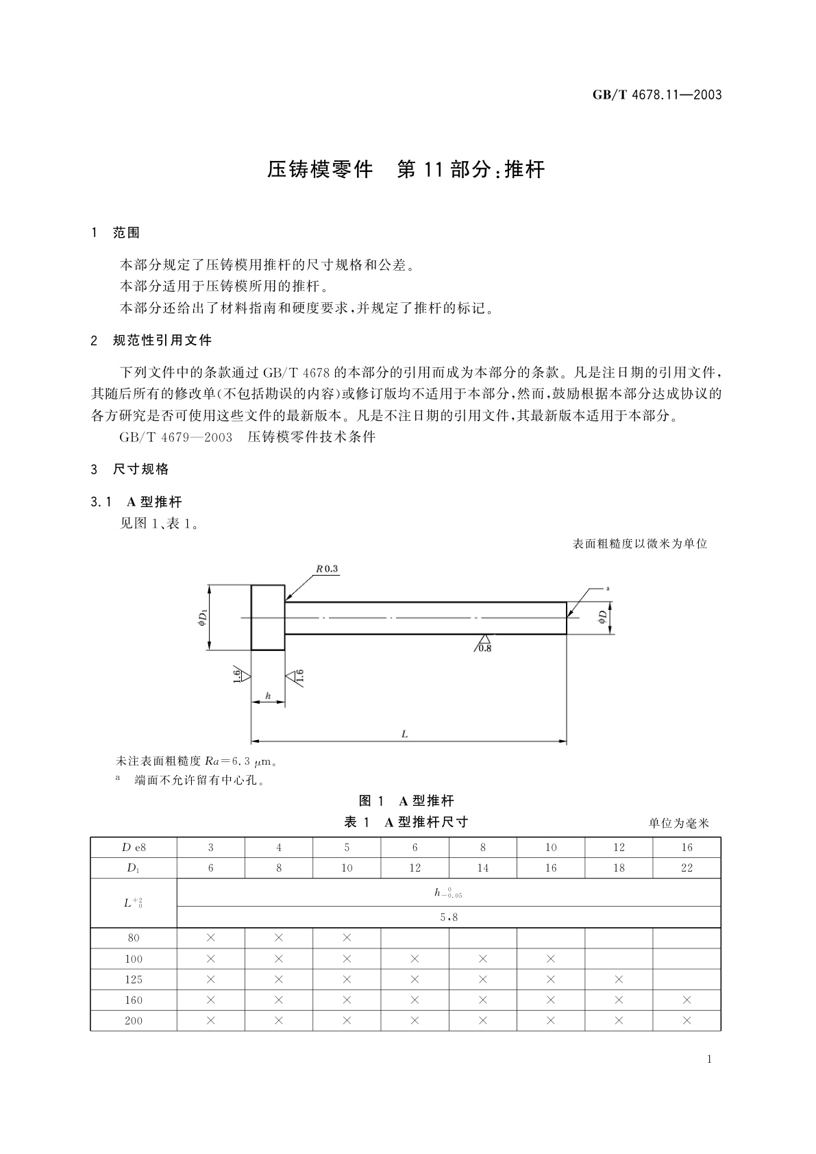
J46 压铸模零件 第11部分:推杆
国际标准分类号(ICS)
25.120.30
发布日期
2003-07-23
实施日期
2004-03-01
发布单位/组织
中华人民共和国国家质量监督检验检疫总局
归口单位
全国模具标准化技术委员会(SAC/TC 33)
适用范围
-
发布历史
-
2004-03
文前页预览
免费预览已结束,剩余部分可下载查看
研制信息
- 起草单位:
- 上海皮尔博格有色零部件有限公司、广州型腔模具厂、桂林电器科学研究所、东风科技汽车制动系统公司、成都兴光压铸工业有限公司
- 起草人:
- 张连根、蔡紫金、翁史振、冯伯淳、廖宏谊、杨召岭、黄志禄、李红英
- 出版信息:
- 页数:8页 | 字数:8 千字 | 开本: 大16开
推荐标准
- GB/T 36261-2018 建筑用节能玻璃光学及热工参数现场测量技术条件与计算方法 2018-06-07
- GB/T 4348.2-2014 工业用氢氧化钠 氯化钠含量的测定 汞量法 2014-09-03
- JJF 2126-2024 行驶记录仪检测装置校准规范 2024-06-14
- MT/T 622-1996 五日生化需氧量简易测定方法 1996-12-30
- GB 12952-2011 聚氯乙烯(PVC)防水卷材 2011-12-30
- GB/T 37111-2018 农产品基本信息描述 坚果类 2018-12-28
- GB/T 15463-2008 静电安全术语 2008-06-19
- FZ/T 93033-2004 梳棉机 2004-12-14
- YS/T 119.12-2010 氧化铝生产专用设备热平衡测定与计算方法 第12部分:间接加热脱硅系统 2010-11-22
- GB/T 17980.113-2004 农药 田间药效试验准则(二)第113部分:杀菌剂防治瓜类枯萎病 2004-03-03
相似标准推荐
更多>- 1 GB/T 6038-1993 橡胶试验胶料的配料、混炼和硫化设备及操作程序
- 2 GB/T 6730.19-2016 铁矿石 磷含量的测定 铋磷钼蓝分光光度法
- 3 GB/T 14993-2025 变形高温合金 热轧和锻制棒材
- 4 GB/T 18208.4-2011 地震现场工作 第4部分:灾害直接损失评估
- 5 GB/T 18029.5-2008 轮椅车 第5部分:外形尺寸、质量和转向空间的测定
- 6 GB/T 41330-2022 锅炉用水和冷却水分析方法 痕量铜、铁、钠、钙、镁含量的测定 电感耦合等离子体质谱(ICP-MS)法
- 7 GB/T 1452-2005 夹层结构平拉强度试验方法
- 8 GB/T 31051.4-2016 起重机 工作和非工作状态下的锚定装置 第4部分:臂架起重机
- 9 JJF(烟草)4.3-2024 烟草及烟草制品 连续流动法测定常规化学成分测量不确定度评定指南 第3部分:总氮
- 10 GB/T 3785.2-2023 电声学 声级计 第2部分:型式评价试验

关闭预览
