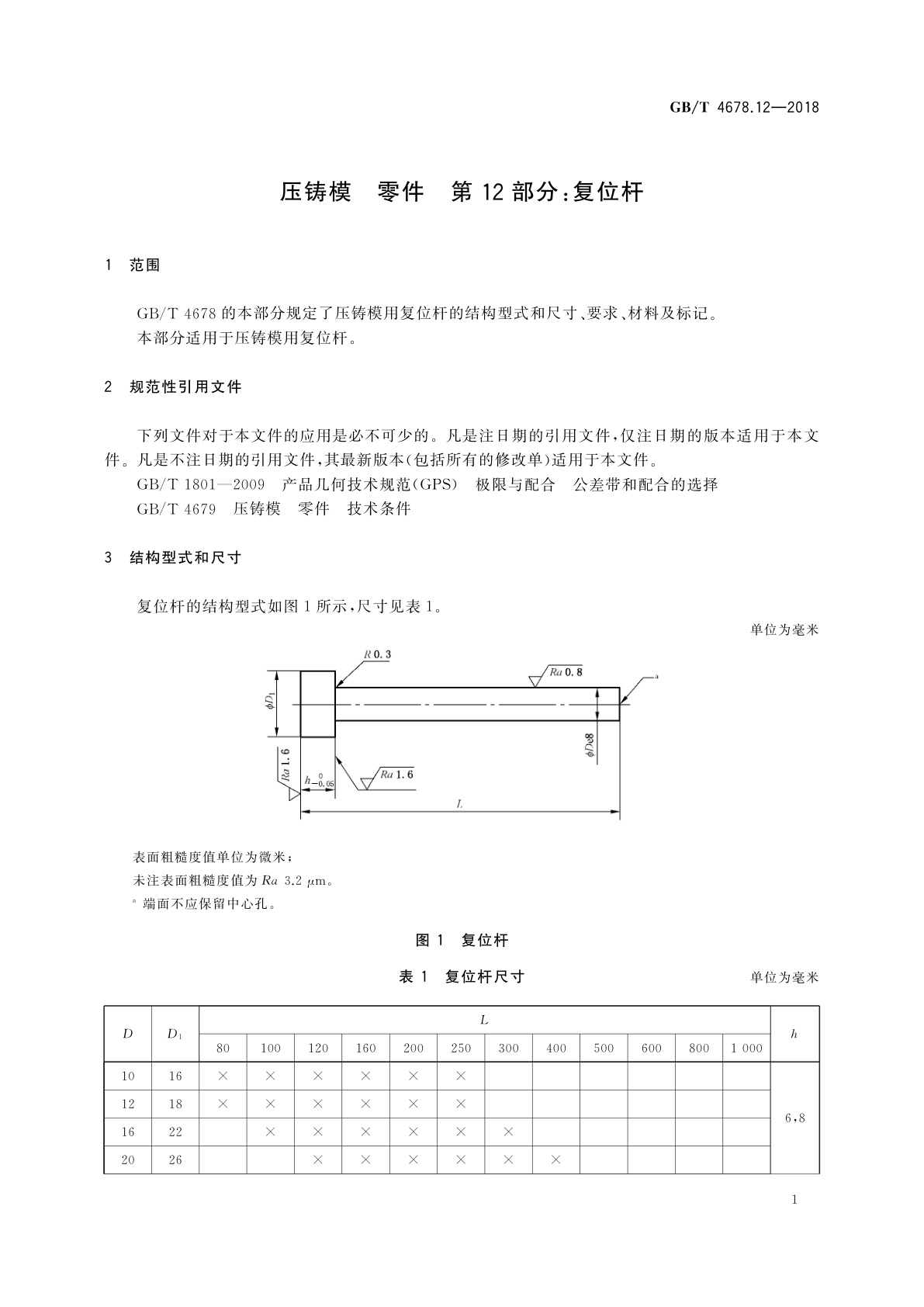
GB/T 4678.12-2018 压铸模 零件 第12部分:复位杆
GB/T 4678.12-2018 Die casting dies—Components—Part 12:Return pins
国家标准
中文简体
现行
页数:8页
|
格式:PDF
基本信息
标准号
GB/T 4678.12-2018
相关服务
仅限个人学习交流使用
标准类型
国家标准
标准状态
现行
中国标准分类号(CCS)
J46 压铸模 零件 第12部分:复位杆
国际标准分类号(ICS)
25.120.30
发布日期
2018-09-17
实施日期
2019-04-01
发布单位/组织
国家市场监督管理总局、中国国家标准化管理委员会
归口单位
全国模具标准化技术委员会(SAC/TC 33)
适用范围
-
发布历史
-
2004-03
-
2019-04
文前页预览
免费预览已结束,剩余部分可下载查看
研制信息
- 起草单位:
- 深圳中航技术检测所有限公司、安徽省瑞杰锻造有限责任公司、全椒东润电子科技有限公司、宁波隆源精密机械有限公司、厦门万汇隆工贸有限公司、浙江欧意智能厨房股份有限公司、西安市远征科技有限公司、桂林电器科学研究院有限公司
- 起草人:
- 张旭敏、吕美莲、夏松、林国栋、黄孝庆、方志明、南征、朱磊文、魏居锋、范常皓、潘曙光
- 出版信息:
- 页数:8页 | 字数:10 千字 | 开本: 大16开
推荐标准
- GB/T 25906.5-2010 信息技术 通用多八位编码字符集 锡伯文、满文名义字符、显现字符与合体字 48点阵字型 第5部分:奏折体 2011-01-10
- GB/T 19917-2025 小艇 艇主手册 2025-10-05
- GB/T 32198-2015 红外光谱定量分析技术通则 2015-12-10
- GB/T 40810.1-2021 产品几何技术规范(GPS) 生产过程在线测量 第1部分:几何特征(尺寸、表面结构)的在线检测与验证 2021-10-11
- GB/T 13149-2009 钛及钛合金复合钢板焊接技术要求 2009-03-23
- GB/T 41732.1-2022 动物射频识别 增强型射频识别标签 第1部分:空中接口 2022-10-12
- GB/T 36427-2018 物联网家电一致性测试规范 2018-06-07
- GB/Z 26575-2011 草莓生产技术规范 2011-06-16
- GB/T 22781-2008 烟花爆竹用钛粉关键指标的测定 2008-12-30
- FZ/T 54101-2018 阻燃腈纶短纤维和丝束 2018-04-30
相似标准推荐
更多>- 1 GB/T 27723-2011 皮鞋跟面扭转强度试验方法
- 2 GB 4789.23-2024 食品安全国家标准 食品微生物学检验 豆制品采样和检样处理
- 3 JJF(纺织)083-2018 织物沾水度仪校准规范
- 4 GB/T 230.2-2022 金属材料 洛氏硬度试验 第2部分:硬度计及压头的检验与校准
- 5 GB/T 15948.1-1995 银行电信 资金转账报文 第1部分:词汇和数据元
- 6 GB/T 17085-1997 车间空气中2-乙氧基乙醇的溶剂解吸气相色谱测定方法
- 7 GB/T 34290-2017 公共体育设施 室外健身设施的配置与管理
- 8 GB/T 15972.22-2008 光纤试验方法规范 第22部分:尺寸参数的测量方法和试验程序——长度
- 9 GB 1886.246-2016 食品安全国家标准 食品添加剂 滑石粉
- 10 GB/T 1775-2025 超细金粉

关闭预览
