GB/T 4678.14-2003 压铸模零件 第14部分:限位钉
GB/T 4678.14-2003 Die-casting die components—Part 14:Stop pin
国家标准
中文简体
被代替
页数:8页
|
格式:PDF
基本信息
标准号
GB/T 4678.14-2003
相关服务
仅限个人学习交流使用
标准类型
国家标准
标准状态
被代替
中国标准分类号(CCS)
J46 压铸模零件 第14部分:限位钉
国际标准分类号(ICS)
25.120.30
发布日期
2003-07-23
实施日期
2004-03-01
发布单位/组织
中华人民共和国国家质量监督检验检疫总局
归口单位
全国模具标准化技术委员会(SAC/TC 33)
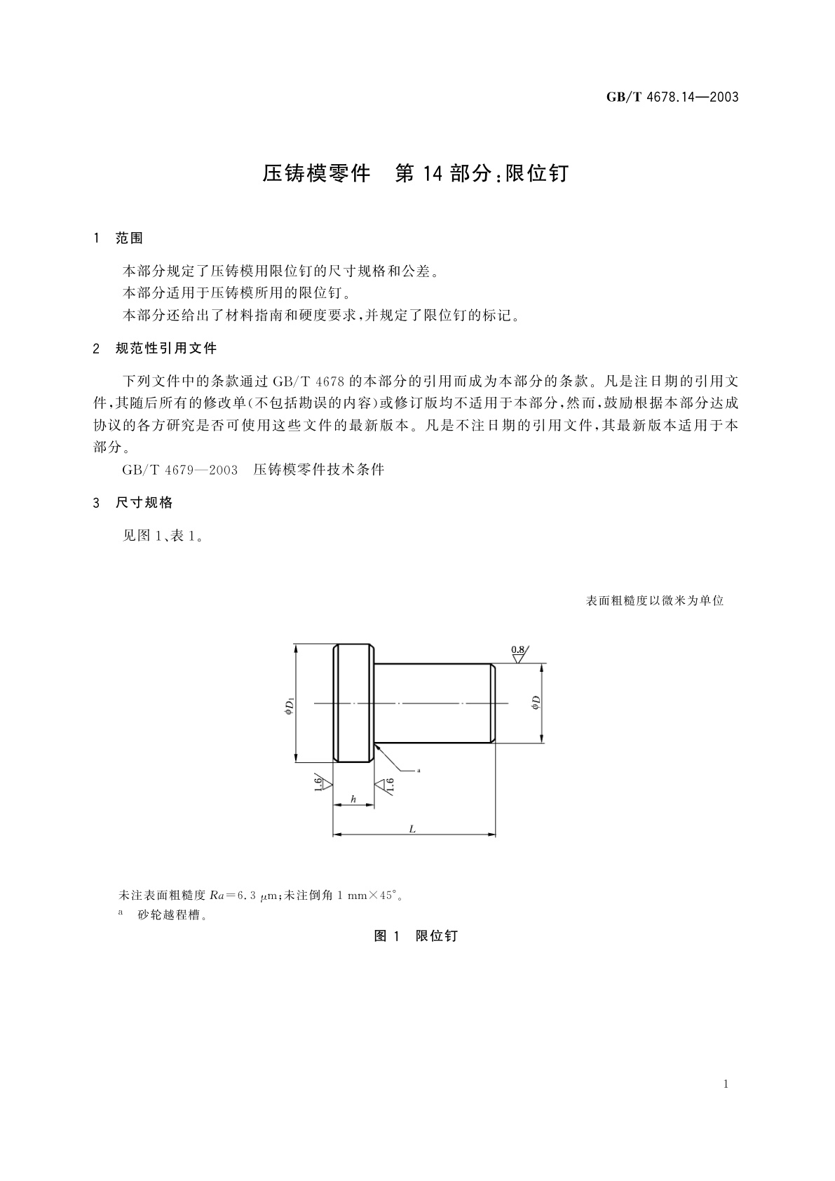
适用范围
-
发布历史
-
2004-03
文前页预览
免费预览已结束,剩余部分可下载查看
研制信息
- 起草单位:
- 上海皮尔博格有色零部件有限公司、广州型腔模具厂、桂林电器科学研究所、东风科技汽车制动系统公司、成都兴光压铸工业有限公司
- 起草人:
- 张连根、蔡紫金、翁史振、冯伯淳、廖宏谊、杨召岭、黄志禄、李红英
- 出版信息:
- 页数:8页 | 字数:6 千字 | 开本: 大16开
推荐标准
- FZ/T 52005-2005 缝纫线用涤纶短纤维 2005-05-18
- GB/T 12036-1989 信息交换用汉字32×32点阵黑体字模集及数据集 1989-12-28
- GB/T 5070.4-2002 镁铬质耐火材料化学分析方法 第4部分:EDTA容量法测定氧化铝量 2002-12-31
- GB/Z 41909-2022 低压开关设备和控制设备 开关设备和控制设备及其成套设备的EMC评估 2022-10-12
- GB/T 3074.4-2003 石墨电极测定方法 石墨电极热膨胀系数(CTE)测定方法 2003-09-12
- GB/T 22838.8-2009 卷烟和滤棒物理性能的测定 第8部分:含水率 2009-04-03
- SB/T 10890-2012 预包装水果流通规范 2013-01-04
- GB/T 24199-2009 纯吡啶中吡啶含量的气相色谱测定方法 2009-07-08
- GB 6265-1986 中药材压缩打包运输包装件 1986-04-18
- YY/T 0202-2009 医用诊断X射线体层摄影装置技术条件 2009-06-16
相似标准推荐
更多>- 1 FZ/T 51017-2020 铜系抗菌母粒
- 2 GB/T 25905.2-2010 信息技术 通用多八位编码字符集 锡伯文、满文名义字符、显现字符与合体字 32点阵字型 第2部分:正黑体
- 3 GB/T 35477-2017 超硬磨料 人造金刚石微粉
- 4 GB 22380.3-2010 燃油加油站防爆安全技术 第3部分:剪切阀结构和性能的安全要求
- 5 GB/T 9823-1988 油料饼粕总含氮量的测定法
- 6 SH/T 0634-1996 水冷二冲程气油机油滤清器堵塞倾向测定法
- 7 GB/T 39509-2020 健康管理保健服务规范
- 8 JB/T 20010-2017 药用万向式混合机
- 9 GB 9706.1-2020 医用电气设备 第1部分:基本安全和基本性能的通用要求
- 10 GB/T 22470-2008 电气用环保型模塑料通用要求

关闭预览
