GB/T 4678.13-2003 压铸模零件 第13部分:推板垫圈
GB/T 4678.13-2003 Die-casting die components—Part 13:Ejector plate washer
国家标准
中文简体
被代替
页数:8页
|
格式:PDF
基本信息
标准号
GB/T 4678.13-2003
相关服务
仅限个人学习交流使用
标准类型
国家标准
标准状态
被代替
中国标准分类号(CCS)
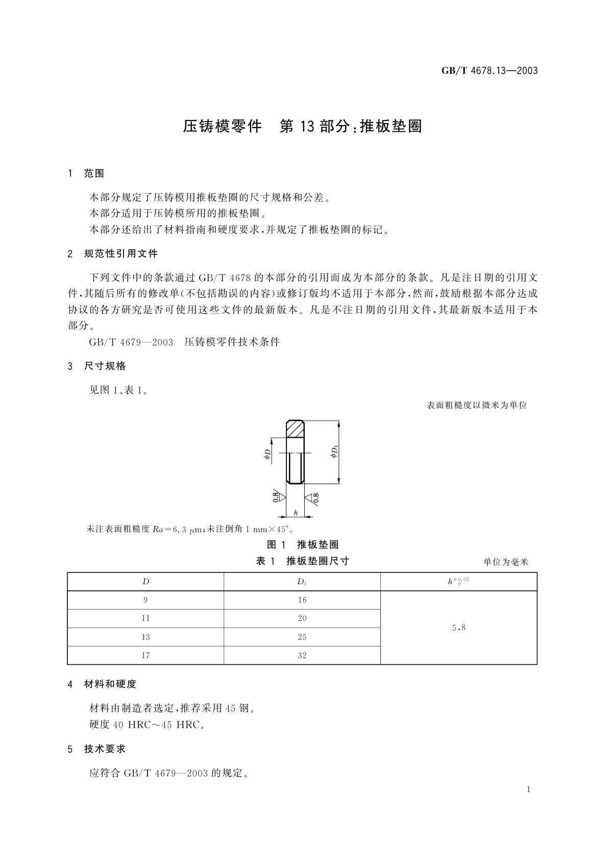
J46 压铸模零件 第13部分:推板垫圈
国际标准分类号(ICS)
25.120.30
发布日期
2003-07-23
实施日期
2004-03-01
发布单位/组织
中华人民共和国国家质量监督检验检疫总局
归口单位
全国模具标准化技术委员会(SAC/TC 33)
适用范围
-
发布历史
-
2004-03
文前页预览
免费预览已结束,剩余部分可下载查看
研制信息
- 起草单位:
- 上海皮尔博格有色零部件有限公司、广州型腔模具厂、桂林电器科学研究所、东风科技汽车制动系统公司、成都兴光压铸工业有限公司
- 起草人:
- 张连根、蔡紫金、翁史振、冯伯淳、廖宏谊、杨召岭、黄志禄、李红英
- 出版信息:
- 页数:8页 | 字数:5 千字 | 开本: 大16开
推荐标准
- GB/T 18507-2014 城镇土地分等定级规程 2014-07-24
- GA/T 1611-2019 法庭科学 生物检材中甲氰菊酯等五种拟除虫菊酯类农药及其代谢物检验 液相色谱-质谱法 2019-10-14
- GB/T 2384-2015 染料中间体 熔点范围测定通用方法 2015-05-15
- GB/T 31301.4-2015 制鞋机械 安全要求 第4部分:鞋类成型机 2015-12-10
- GB/T 11798.9-2001 机动车安全检测设备 检定技术条件 第9部分:平板制动试验台检定技术条件 2001-04-29
- GB/T 31309-2020 铸造高温合金电子空位数计算方法 2020-06-02
- JB/T 20050-2018 润药机 2018-07-04
- GB/T 7424.1-1998 光缆 第1部分:总规范 1998-12-21
- GB/T 17626.12-2023 电磁兼容 试验和测量技术 第12部分:振铃波抗扰度试验 2023-03-17
- GB/T 44727-2024 报废机动车回用件拆卸技术规范 2024-10-26
相似标准推荐
更多>- 1 GB/T 34215-2023 电动汽车驱动电机用冷轧无取向电工钢带(片)
- 2 GB/T 8140-2009 漂白紫胶
- 3 GB/T 6609.20-2004 氧化铝化学分析方法和物理性能测定方法 火焰原子吸收光谱法测定氧化镁含量
- 4 GB/T 40266-2021 食品包装用氧化物阻隔透明塑料复合膜、袋质量通则
- 5 GB/T 16453.4-1996 水土保持综合治理 技术规范 小型蓄排引水工程
- 6 GB/T 5277-1985 紧固件 螺栓和螺钉通孔
- 7 SC/T 6011-2001 平模颗粒饲料压制机 技术条件
- 8 FZ/T 96024-2004 帘子线直捻机
- 9 MT/T 489-1995 矿用液压轴向柱塞泵试验方法
- 10 YC/T 364-2010 烟草机械 钢铁制件工序间防腐蚀保护

关闭预览
