GB/T 4678.15-2003 压铸模零件 第15部分:垫块
GB/T 4678.15-2003 Die-casting die components—Part 15:Spacer block
国家标准
中文简体
被代替
页数:8页
|
格式:PDF
基本信息
标准号
GB/T 4678.15-2003
相关服务
仅限个人学习交流使用
标准类型
国家标准
标准状态
被代替
中国标准分类号(CCS)
J46 压铸模零件 第15部分:垫块
国际标准分类号(ICS)
25.120.30
发布日期
2003-07-23
实施日期
2004-03-01
发布单位/组织
中华人民共和国国家质量监督检验检疫总局
归口单位
全国模具标准化技术委员会(SAC/TC 33)
适用范围
-
发布历史
-
2004-03
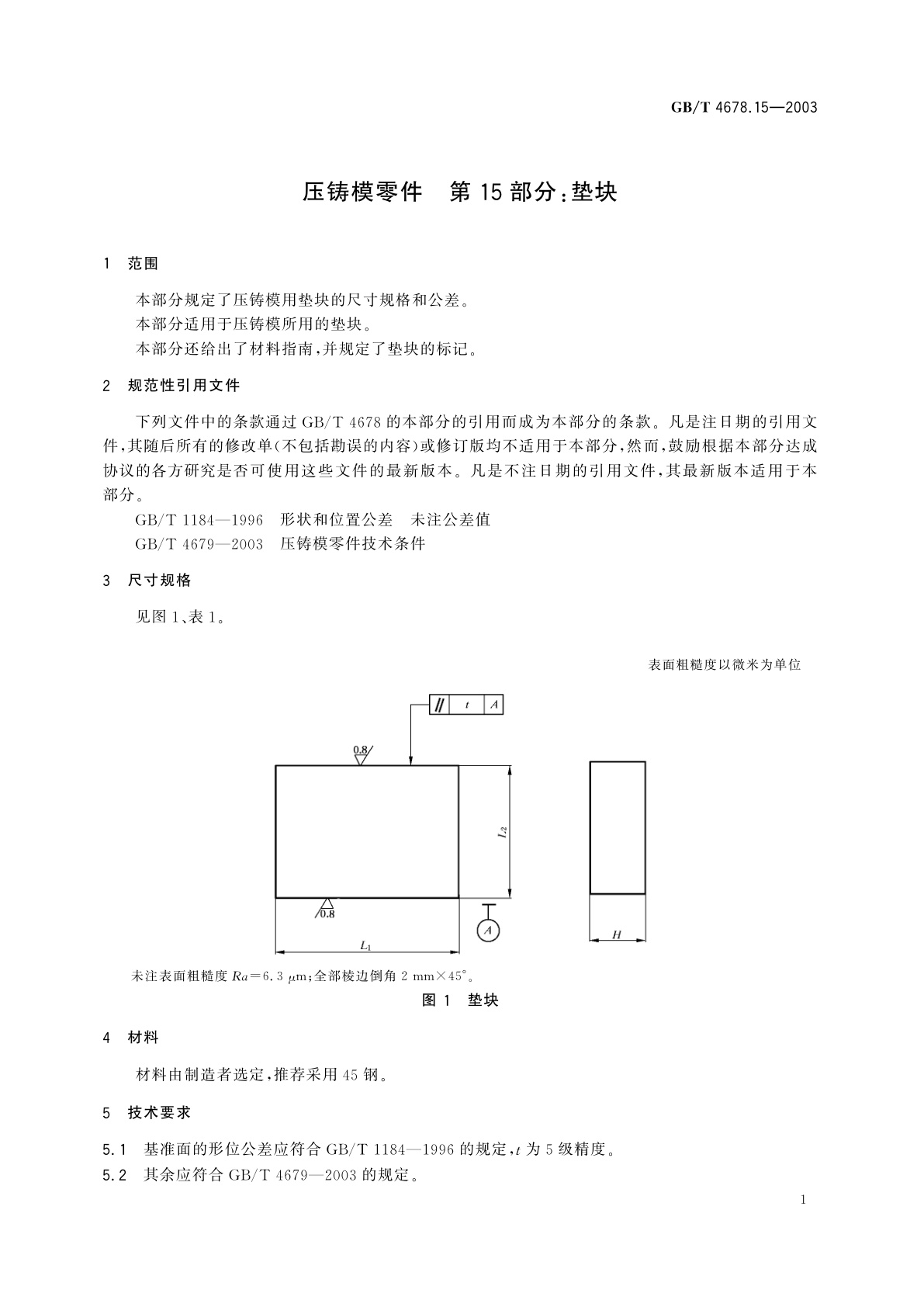
文前页预览
免费预览已结束,剩余部分可下载查看
研制信息
- 起草单位:
- 上海皮尔博格有色零部件有限公司、广州型腔模具厂、桂林电器科学研究所、东风科技汽车制动系统公司、成都兴光压铸工业有限公司
- 起草人:
- 张连根、蔡紫金、翁史振、冯伯淳、廖宏谊、杨召岭、黄志禄、李红英
- 出版信息:
- 页数:8页 | 字数:6 千字 | 开本: 大16开
推荐标准
- GB/T 12618-1990 开口型扁圆头抽芯铆钉 1990-12-14
- JJG 1135-2017 热重分析仪 2017-02-28
- GB/T 6495.5-1997 光伏器件 第5部分:用开路电压法确定光伏(PV)器件的等效电池温度(ECT) 1997-12-25
- GA/T 2071-2023 法庭科学 生物检材中四氢唑啉等5种咪唑啉类药物检验 液相色谱-质谱法 2023-03-01
- TY/T 2003.9-2021 运动面层性能测试方法 第9部分:合成材料拉伸性能 2021-07-08
- GB/T 19851.12-2025 中小学体育器材和场地 第12部分:学生体质健康测试器材 2025-08-01
- GB/T 25737-2025 1 000 kV变电站监控系统验收规范 2025-08-01
- GB 9677-1998 食品中N-亚硝胺限量卫生标准 1998-04-21
- GB/T 5095.2-1997 电子设备用机电元件 基本试验规程及测量方法 第2部分:一般检查、电连续性和接触电阻测试、绝缘试验和电压应力试验 1997-12-26
- GB/T 17980.24-2000 农药 田间药效试验准则(一)杀菌剂防治梨黑星病 2000-02-01
相似标准推荐
更多>- 1 GB/T 41253-2022 过程工业安全监测系统有效性评估规范
- 2 GB 3053-1993 血压计和血压表
- 3 GB/T 39489-2020 全尾砂膏体充填技术规范
- 4 GA/T 640-2006 经济犯罪案件信息管理系统异地协查业务规范
- 5 GB/T 17215.9311-2017 电测量设备 可信性 第311部分:温度和湿度加速可靠性试验
- 6 GB/T 29780-2013 家用和类似用途热泵热水器用全封闭型电动机-压缩机
- 7 GB/T 44130.3-2025 电动汽车充换电服务信息交换 第3部分:业务信息交换规范
- 8 GA/T 972-2011 化学品危险性分类与代码
- 9 GB/T 21482-2019 船舶与海上技术 充气橡胶靠球
- 10 GB/T 3048.12-1994 电线电缆电性能试验方法 局部放电试验

关闭预览
