GB/T 554-1996 带缆桩
GB/T 554-1996 Mooring bitts
国家标准
中文版
被代替
页数:16页
|
格式:PDF
基本信息
标准号
GB/T 554-1996
相关服务
仅限个人学习交流使用
标准类型
国家标准
标准状态
被代替
中国标准分类号(CCS)
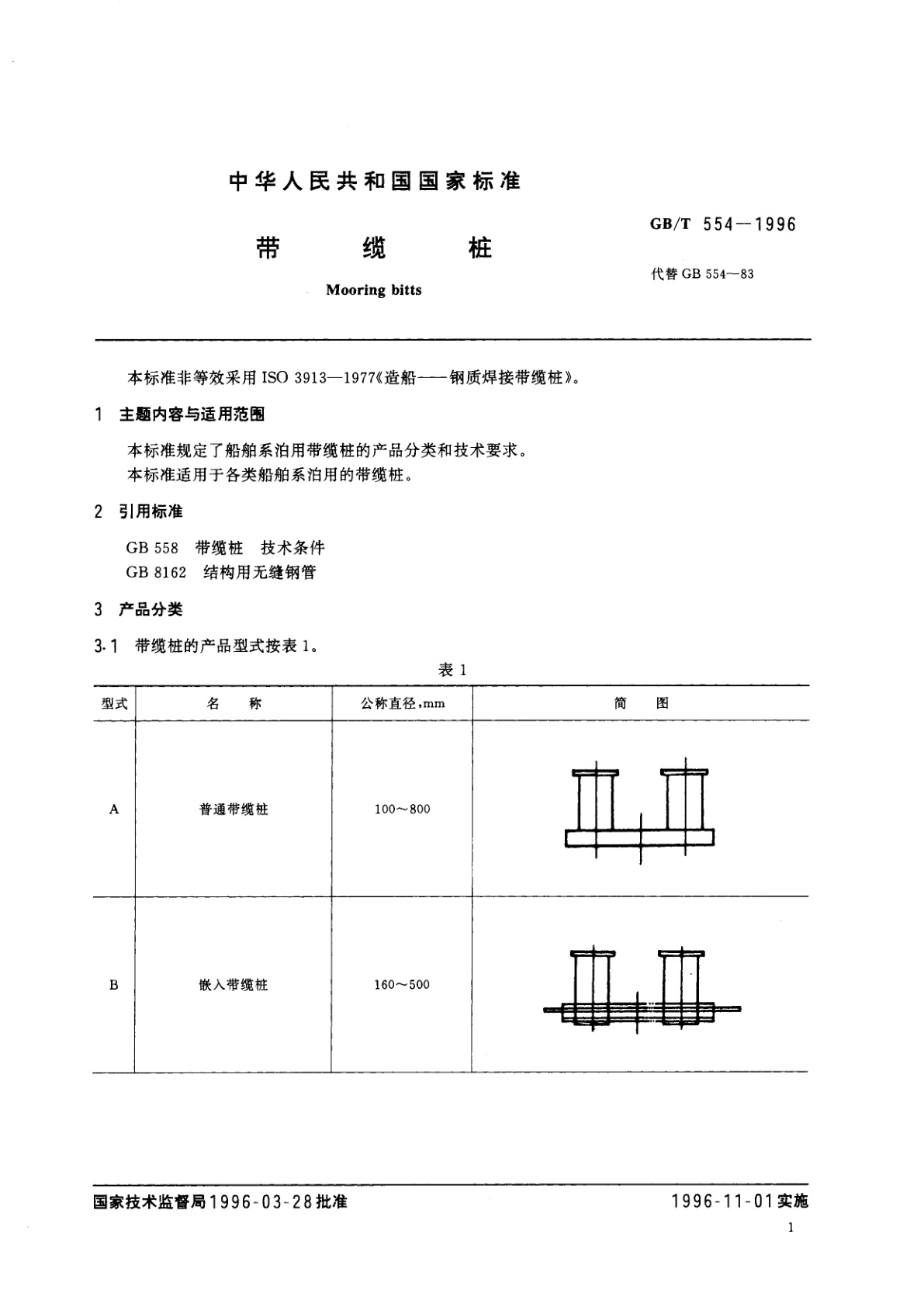
U21 带缆桩
国际标准分类号(ICS)
47.020.50
发布日期
1996-03-28
实施日期
1996-11-01
发布单位/组织
国家技术监督局
归口单位
江南造船厂
适用范围
-
发布历史
-
1996-11
文前页预览
免费预览已结束,剩余部分可下载查看
研制信息
- 起草单位:
- 中国船舶工业总公司第七研究院七○四研究所
- 起草人:
- 郭易鑫、张吉胜
- 出版信息:
- 页数:16页 | 字数:22 千字 | 开本: 大16开
推荐标准
- GB/T 36507-2023 工业车辆 使用、操作与维护安全规范 2023-05-23
- GB/T 20484-2017 冷空气等级 2017-05-12
- GB/T 15310.2-2009 国际贸易出口单证格式 第2部分:装箱单 2009-11-15
- GH/T 1071-2011 茶叶贮存通则 2011-04-01
- GB/T 17969.8-2010 信息技术 开放系统互连 OSI登记机构操作规程 第8部分:通用唯一标识符(UUID)的生成和登记及其用作ASN.1客体标识符部件 2011-01-14
- GB/T 38108-2019 碱土金属高温脱氯剂氯容试验方法 2019-10-18
- GB/T 3260.2-2000 锡化学分析方法 铁量的测定 2000-08-28
- XB/T 218-2007 金属钇 2007-08-01
- GB/T 3789.28-1991 发射管电性能测试方法 交叉调制的测试方法 1991-08-15
- GB/T 11318.10-1996 电视和声音信号的电缆分配系统设备与部件 第10部分:分配器和用户分支器通用规范 1996-09-09
相似标准推荐
更多>- 1 JJF 1261.12-2013 微型计算机能源效率标识计量检测规则
- 2 GB/T 14160-1993 高保真电唱盘最低性能要求
- 3 JJG 491-1987 1 GHz取样示波器
- 4 GB/T 45357-2025 船用塑料管道系统 聚乙烯(PE)管材及管件
- 5 GB 5009.97-2023 食品安全国家标准 食品中环己基氨基磺酸盐的测定
- 6 SB/T 10942-2012 家庭教育服务规范
- 7 GB/T 26151-2010 基于XML的电子商务发票报文
- 8 GB/T 14733.9-1993 电信术语 无线电波传播
- 9 GB/T 42137-2022 离散型智能制造能力建设指南
- 10 WS/T 187-1999 淋巴细胞微核估算受照剂量方法

关闭预览
