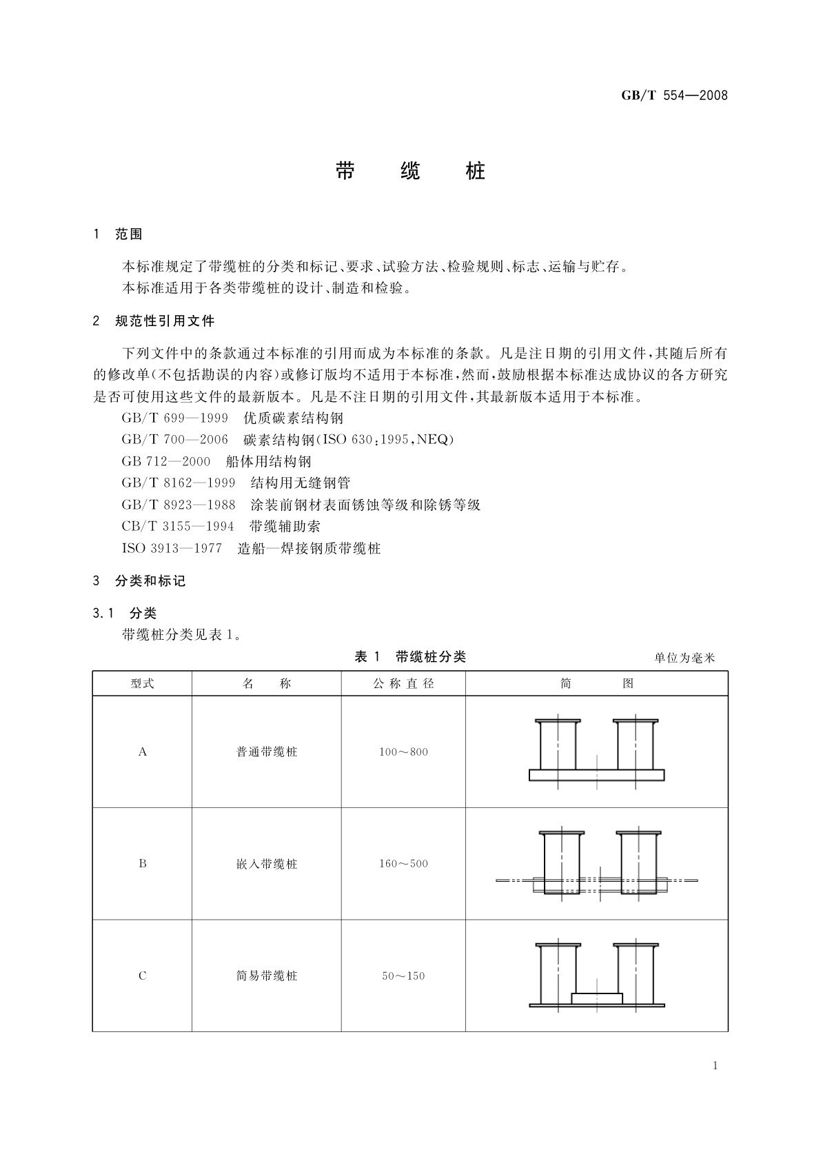
GB/T 554-2008 带缆桩
GB/T 554-2008 Bollards
国家标准
中文简体
被代替
页数:20页
|
格式:PDF
基本信息
标准号
GB/T 554-2008
相关服务
仅限个人学习交流使用
标准类型
国家标准
标准状态
被代替
中国标准分类号(CCS)
U21 带缆桩
国际标准分类号(ICS)
47.020.50
发布日期
2008-07-30
实施日期
2009-02-01
发布单位/组织
中华人民共和国国家质量监督检验检疫总局、中国国家标准化管理委员会
归口单位
全国船舶舾装标准化技术委员会
适用范围
-
发布历史
-
2009-02
文前页预览
免费预览已结束,剩余部分可下载查看
研制信息
- 起草单位:
- 江南造船(集团)有限责任公司
- 起草人:
- 余文鹃、杨安礼
- 出版信息:
- 页数:20页 | 字数:27 千字 | 开本: 大16开
推荐标准
- GB/T 28456-2012 IPsec协议应用测试规范 2012-06-29
- GB/T 5240-1992 氧化钕 1992-07-09
- JJF 1807-2020 光谱总辐射通量灯校准规范 2020-01-17
- GB/T 18386-2001 电动汽车 能量消耗率和续驶里程 试验方法 2001-07-12
- YB/T 547.2-1995 钒渣化学分析方法高氯酸脱水重量法测定二氧化硅量 1995-04-24
- FZ/T 31003-2009 精细化黄麻纤维 2009-11-17
- GB/T 26621-2011 日本对虾 2011-06-16
- GB/T 30903-2014 无机化工产品 杂质元素的测定 电感耦合等离子体质谱法(ICP-MS) 2014-07-08
- GB/T 6609.37-2009 氧化铝化学分析方法和物理性能测定方法 第37部分:粒度小于20 μm颗粒含量的测定 2009-04-15
- FZ/T 13028-2013 聚苯硫醚纤维(中长型)本色布 2013-10-17
相似标准推荐
更多>- 1 GB/T 36214.2-2018 塑料 体积排除色谱法测定聚合物的平均分子量和分子量分布 第2部分:普适校正法
- 2 JJF 2246-2025 井水温度测量仪校准规范
- 3 GB/T 16675.1-2012 技术制图 简化表示法 第1部分:图样画法
- 4 GB/T 38432-2019 颗粒 气固反应测定 微型流化床法
- 5 GA/T 2000.150-2015 公安信息代码 第150部分:警务评议结果分类与代码
- 6 JB/T 20007.4-2021 口服液玻璃瓶灌装轧盖机
- 7 GB 26123-2010 空气潜水安全要求
- 8 GA/T 488-2020 道路交通事故现场勘查车载照明设备通用技术条件
- 9 GB/T 37947.4-2024 信息技术 用能单位能耗在线监测系统 第4部分:能源品种采集
- 10 GB/T 14353.6-1993 铜矿石、铅矿石和锌矿石化学分析方法 钴的测定

关闭预览
