GB/T 4678.18-2003 压铸模零件 第18部分:支承柱
GB/T 4678.18-2003 Die-casting die components—Part 18:Support pillar
国家标准
中文简体
被代替
页数:8页
|
格式:PDF
基本信息
标准号
GB/T 4678.18-2003
相关服务
仅限个人学习交流使用
标准类型
国家标准
标准状态
被代替
中国标准分类号(CCS)
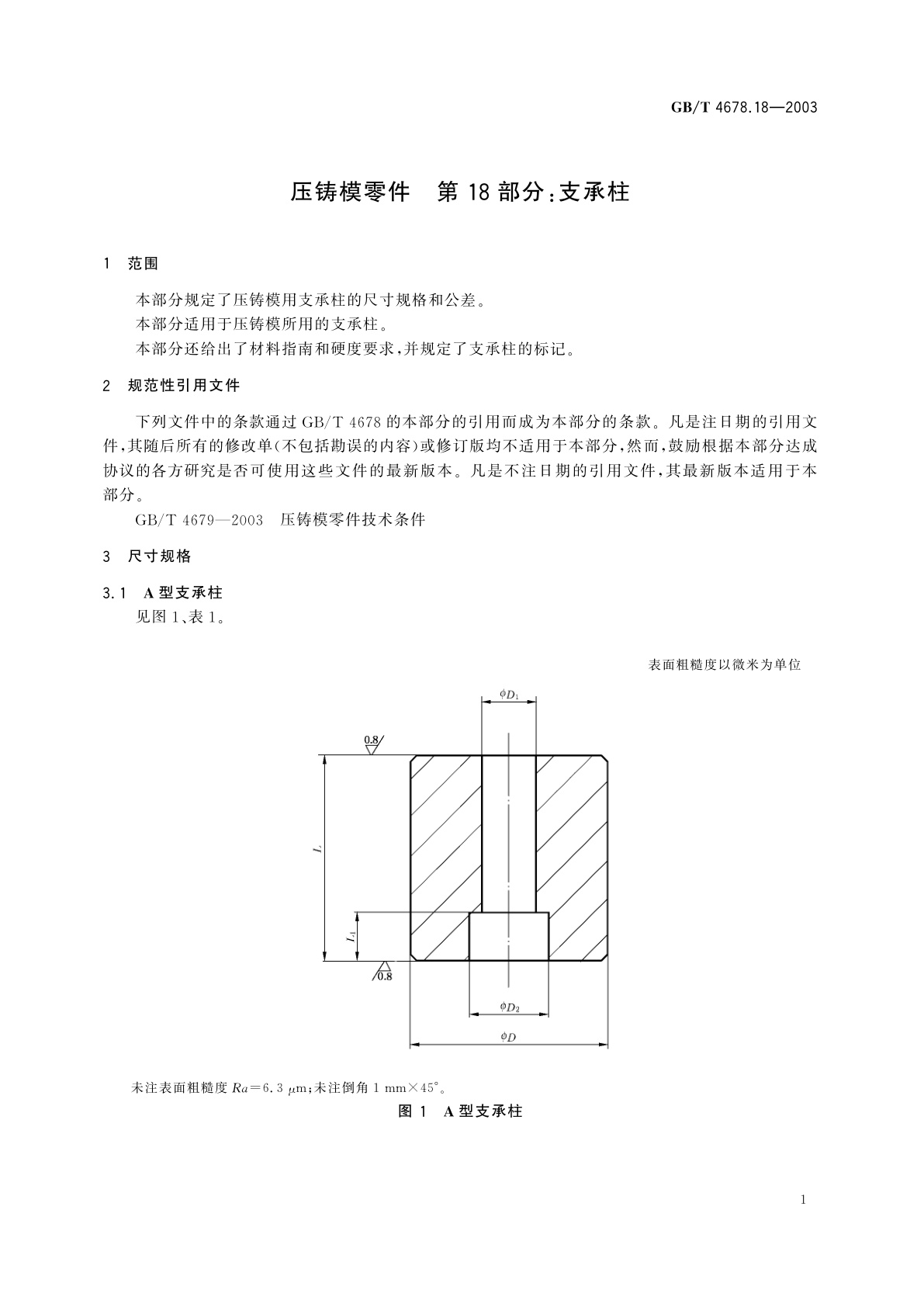
J46 压铸模零件 第18部分:支承柱
国际标准分类号(ICS)
25.120.30
发布日期
2003-07-23
实施日期
2004-03-01
发布单位/组织
中华人民共和国国家质量监督检验检疫总局
归口单位
全国模具标准化技术委员会(SAC/TC 33)
适用范围
-
发布历史
-
2004-03
文前页预览
免费预览已结束,剩余部分可下载查看
研制信息
- 起草单位:
- 上海皮尔博格有色零部件有限公司、广州型腔模具厂、桂林电器科学研究所、东风科技汽车制动系统公司、成都兴光压铸工业有限公司
- 起草人:
- 张连根、蔡紫金、翁史振、冯伯淳、廖宏谊、杨召岭、黄志禄、李红英
- 出版信息:
- 页数:8页 | 字数:8 千字 | 开本: 大16开
推荐标准
- GB/T 29680-2013 洗面奶、洗面膏 2013-09-06
- GB/T 4324.20-2012 钨化学分析方法 第20部分:钒量的测定 电感耦合等离子体原子发射光谱法 2012-12-31
- GB 29447-2022 多晶硅和锗单位产品能源消耗限额 2022-12-29
- YY/T 0693-2008 血管支架尺寸特性的表征 2008-10-17
- HY/T 125-2009 海洋水色光谱仪检测方法 2009-03-23
- GB/T 32185-2015 钛合金大规格棒材 2015-12-10
- GB/T 42667-2023 精细陶瓷室温等双轴弯曲强度试验方法 双环法 2023-08-06
- GB/T 42411.1-2023 信息技术 学习、教育和培训 在线课程体系 第1部分:框架与基本要求 2023-03-17
- GB/T 25412-2010 残地膜回收机 2010-11-10
- GB/T 24420-2009 供应链风险管理指南 2009-09-30
相似标准推荐
更多>- 1 GB/T 13609-2017 天然气取样导则
- 2 GB/T 10082-1996 重型轨道车 技术条件
- 3 JJF 1713-2018 高频电容损耗标准器校准规范
- 4 GB/T 13477.15-2017 建筑密封材料试验方法 第15部分:经过热、透过玻璃的人工光源和水曝露后粘结性的测定
- 5 GB/T 13426-1992 数字通信设备的可靠性要求和试验方法
- 6 GB/T 14329.3-1993 带倒角齿键槽拉刀 型式与尺寸
- 7 GB 29972-2013 食品安全国家标准 食品添加剂 乙醛二乙缩醛
- 8 JJF 1741-2019 浪涌(冲击)模拟器校准规范
- 9 GB/T 18425-2001 蒸汽橡胶软管试验方法
- 10 GB 20681-2006 灭线磷原药

关闭预览
