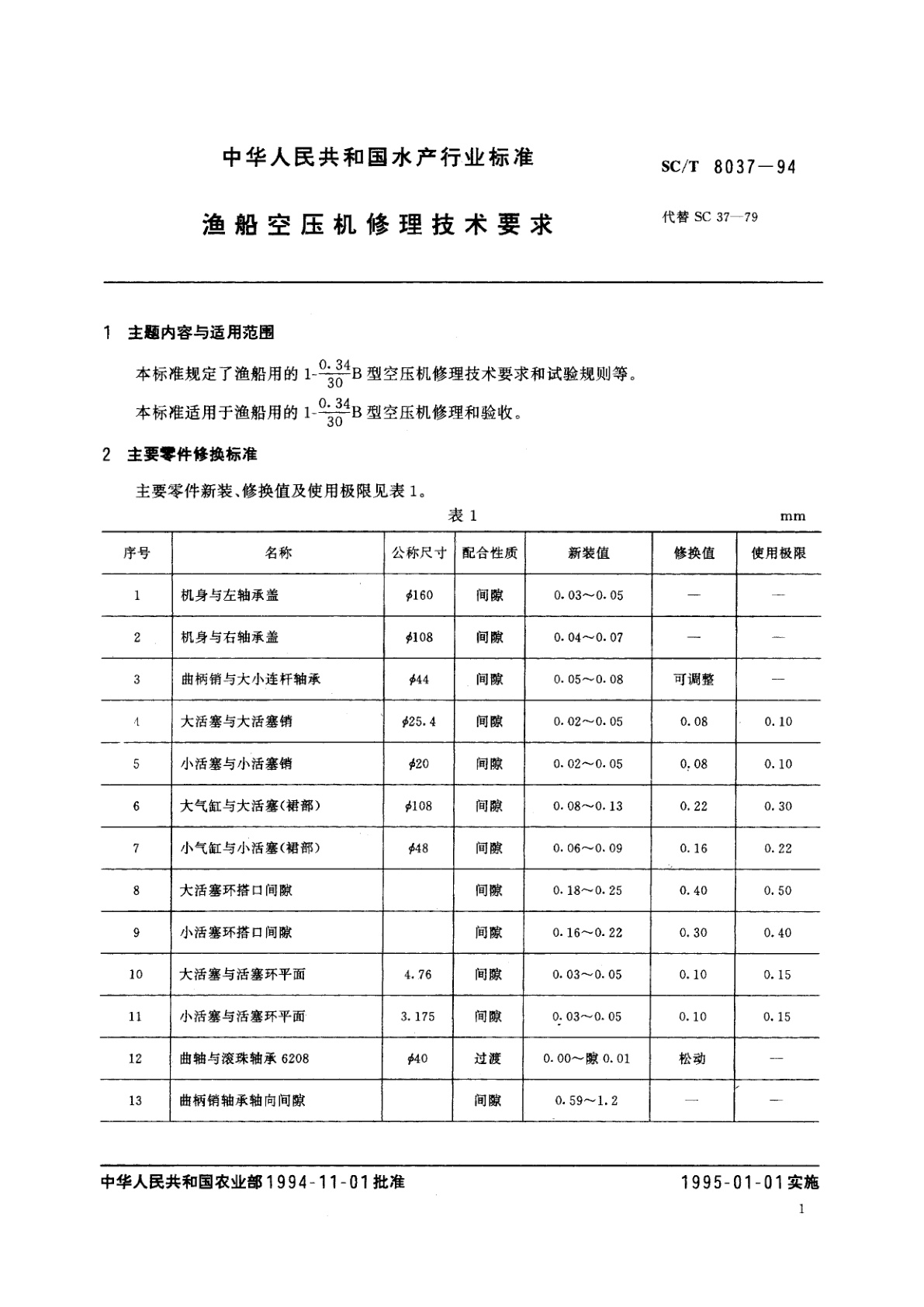
SC/T 8037-1994 渔船空压机修理技术要求
SC/T 8037-1994
行业标准
中文简体
现行
页数:8页
|
格式:PDF
基本信息
标准号
SC/T 8037-1994
相关服务
仅限个人学习交流使用
标准类型
行业标准
标准状态
现行
中国标准分类号(CCS)
渔船空压机修理技术要求
国际标准分类号(ICS)
发布日期
1994-11-01
实施日期
1995-01-01
发布单位/组织
中华人民共和国农业部
归口单位
适用范围
-
发布历史
-
1995-01
文前页预览
免费预览已结束,剩余部分可下载查看
研制信息
- 起草单位:
- 上海渔轮厂
- 起草人:
- 周余根、恽玉成、杨永刚
- 出版信息:
- 页数:8页 | 字数:8 千字 | 开本: 大16开
推荐标准
- GB/T 12140-1989 糕点工业术语 1989-12-28
- GB/T 42965.1-2023 电子发票业务数据规范 第1部分:基本要素 2023-08-06
- LS/T 1710-2004 粮食信息分类与编码 粮食仓储业务统计分类与代码 2004-04-22
- GB/T 3653.1-1988 硼铁化学分析方法 碱量滴定法测定硼量 1988-12-30
- GM/T 0043-2015 数字证书互操作检测规范 2015-04-01
- GB/T 7047-2006 色素炭黑 挥发分含量的测定 2006-08-01
- GB/T 20081.2-2006 气动减压阀和过滤减压阀 第2部分:评定商务文件中应包含的主要特性的测试方法 2006-01-23
- JJF(石化)001-2015 漆膜耐洗刷试验仪校准规范 2015-12-15
- GB/T 21782.10-2025 粉末涂料 第10部分:沉积效率的测定 2025-10-05
- GB/T 44779-2024 国际贸易业务流程规范 购买—运输—支付参考数据模型 2024-10-26
相似标准推荐
更多>- 1 JJF(石化)014-2018 橡胶传动带(有扭矩)疲劳试验机校准规范
- 2 GB/T 16855.2-2015 机械安全 控制系统安全相关部件 第2部分:确认
- 3 GA/T 1449-2017 法庭科学印章印文检验技术规程
- 4 MT/T 1215-2024 掘锚一体机组掘进技术规范
- 5 WS/T 357-2011 骨代谢标志物临床应用指南
- 6 GB/Z 35043-2018 光伏产业项目运营管理规范
- 7 GB/T 23814-2009 莲蓉制品中芸豆成分定性PCR检测方法
- 8 YY/T 0285.6-2020 血管内导管 一次性使用无菌导管 第6部分:皮下植入式给药装置
- 9 GB/T 34355-2017 蒸汽和热水锅炉化学清洗规则
- 10 GB/T 21896-2019 2-萘胺-1,5-二磺酸(磺化吐氏酸)

关闭预览
