SC/T 8038-1994 渔船CB、HY01型齿轮泵修理技术要求
SC/T 8038-1994
行业标准
中文简体
现行
页数:8页
|
格式:PDF
基本信息
标准号
SC/T 8038-1994
相关服务
仅限个人学习交流使用
标准类型
行业标准
标准状态
现行
中国标准分类号(CCS)
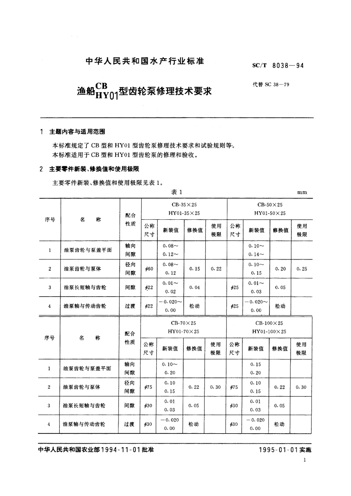
渔船CB、HY01型齿轮泵修理技术要求
国际标准分类号(ICS)
发布日期
1994-11-01
实施日期
1995-01-01
发布单位/组织
中华人民共和国农业部
归口单位
适用范围
-
发布历史
-
1995-01
文前页预览
免费预览已结束,剩余部分可下载查看
研制信息
- 起草单位:
- 上海渔轮厂
- 起草人:
- 周余根、恽玉成、杨永刚
- 出版信息:
- 页数:8页 | 字数:6 千字 | 开本: 大16开
推荐标准
- GB/T 42709.19-2023 半导体器件 微电子机械器件 第19部分:电子罗盘 2023-08-06
- GB/T 21451.1-2015 石油和液体石油产品 储罐中液位和温度自动测量法 第1部分:常压罐中的液位测量 2015-10-09
- GB/T 6478-2015 冷镦和冷挤压用钢 2015-09-11
- GB/T 22057.1-2008 显微镜 相对机械参考平面的成像距离 第1部分:筒长160 mm 2008-06-20
- GB/T 1040.4-2006 塑料 拉伸性能的测定 第4部分:各向同性和正交各向异性纤维增强复合材料的试验条件 2006-09-01
- GB/T 17428-2009 通风管道耐火试验方法 2009-10-30
- GB/T 25788-2010 C.I.溶剂蓝104 2010-12-23
- GB/T 17955-2000 球型支座技术条件 2000-01-03
- GB/T 19386.2-2004 纺织机械与附件 纱线和中间产品的卷装 第2部分:卷绕类型 2004-06-11
- GB/T 20626.3-2022 特殊环境条件 高原电工电子产品 第3部分:雷电、污秽、凝露的防护要求 2022-10-12
相似标准推荐
更多>- 1 GA/T 721.2-2021 显现潜在手印试剂通用技术要求 第2部分:3,3′,5,5′-四甲基联苯胺(TMB)
- 2 LY/T 1589-2000 花卉术语
- 3 FZ/T 43011-1999 锦、锻类丝织物
- 4 GB 12463-1990 危险货物运输包装通用技术条件
- 5 GA/T 974.26-2011 消防信息代码 第26部分:消防执勤类别代码
- 6 LY/T 2479-2015 天山云杉培育技术规程
- 7 MT/T 187.10-1996 刮板输送机紧固件 E型螺栓
- 8 GB/T 36768-2018 锦纶浸胶帆布技术条件和评价方法
- 9 GB/T 41213-2021 集成电路用全自动装片机
- 10 GB/T 30545-2014 电热毯恒温控制器

关闭预览
