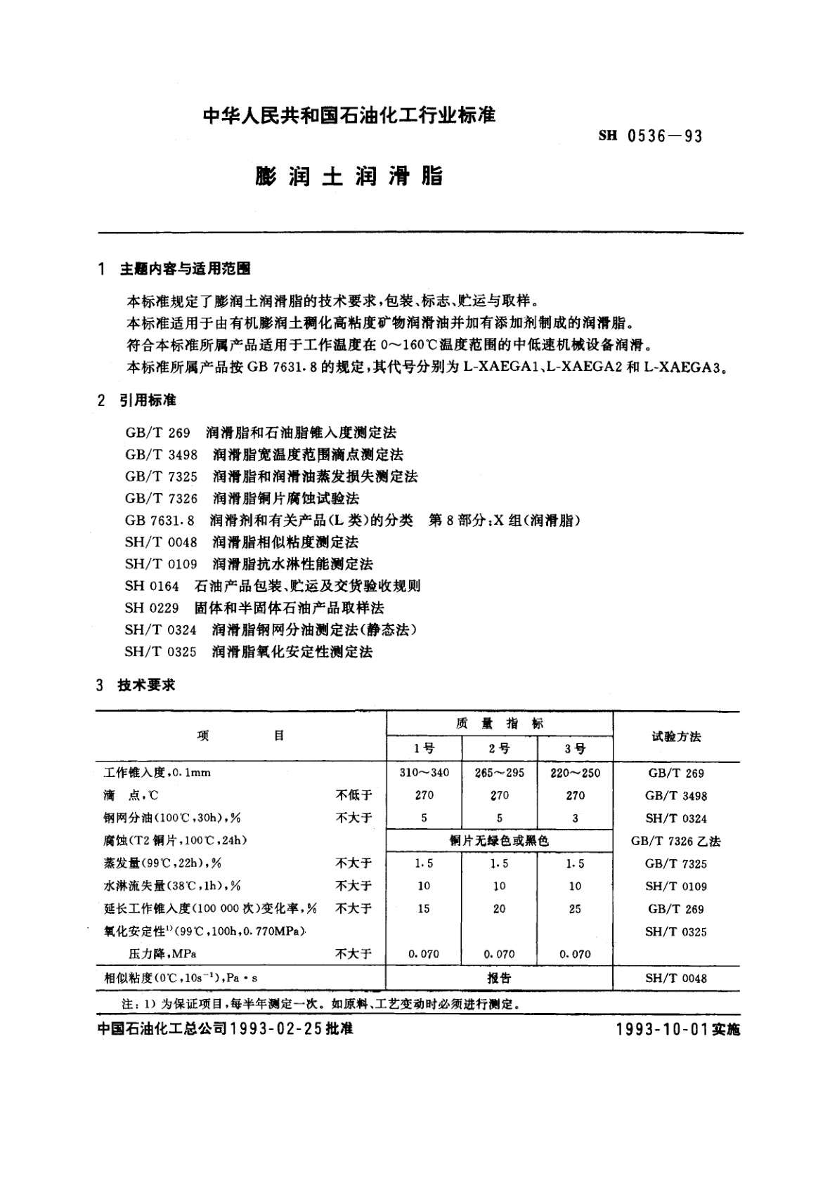
SH 0536-1993 膨润土润滑脂
SH 0536-1993
行业标准
中文简体
现行
页数:4页
|
格式:PDF
基本信息
标准号
SH 0536-1993
相关服务
仅限个人学习交流使用
标准类型
行业标准
标准状态
现行
中国标准分类号(CCS)
膨润土润滑脂
国际标准分类号(ICS)
发布日期
1993-02-25
实施日期
1993-10-01
发布单位/组织
中国石油化工总公司
归口单位
石油化工科学研究院
适用范围
-
发布历史
-
1993-10
文前页预览
免费预览已结束,剩余部分可下载查看
研制信息
- 起草单位:
- 石油化工科学研究院
- 起草人:
- 李显名
- 出版信息:
- 页数:4页 | 字数:3 千字 | 开本: 大16开
推荐标准
- GB 12021.2-2003 家用电冰箱耗电量限定值及能源效率等级 2003-05-23
- BB/T 0011-1997 聚乙烯低发泡防水阻隔薄膜 1997-01-16
- GB 10355-2006 食品添加剂 乳化香精 2006-09-01
- GB/T 15670.17-2017 农药登记毒理学试验方法 第17部分:哺乳动物精原细胞/精母细胞染色体畸变试验 2017-07-12
- RB/T 100-2023 能力验证结果技术分析指南 2023-10-16
- YS/T 628-2007 雾化镁粉 2007-04-13
- GB/T 29302-2012 无损检测仪器 相控阵超声检测系统的性能与检验 2012-12-31
- GB/T 25440.4-2010 外科植入物的取出与分析 第4部分:取出陶瓷外科植入物的分析 2010-11-10
- JB/T 20185-2017 热原检测仪 2017-04-12
- GB/T 27611-2011 再生利用品和再制造品通用要求及标识 2011-12-05
相似标准推荐
更多>- 1 GB/T 45994-2025 信息技术 大数据 跨域数据可信共享参考架构
- 2 GA/T 1329-2016 法庭科学吸毒人员尿液中氯胺酮气相色谱和气相色谱-质谱检验方法
- 3 GB/T 14715-1993 信息技术设备用不间断电源通用技术条件
- 4 FZ/T 24017-2012 超高支精梳纯羊绒织品
- 5 GB/T 25639-2010 道路施工与养护机械设备 沥青混凝土路面摊铺作业机群智能化 术语
- 6 GB/T 16915.7-2017 家用和类似用途固定式电气装置的开关 第2-6部分:外部或内部标识和照明用消防开关的特殊要求
- 7 GB/T 12849-1991 钟、表用扭曲向列型液晶显示器件空白详细规范 (可供认证用)
- 8 FZ/T 33013-2011 大麻棉混纺本色布
- 9 GB/T 6511-1986 采用互易技术对φ23.77mm 标准电容传声器进行自由场校准的精密方法
- 10 GB/T 38239-2019 空间科学数据产品服务规范

关闭预览
