JJF(纺织)039-2020 棉纤维偏光成熟度仪校准规范
JJF(纺织)039-2020 Calibration Specification for Polarization Maturity Testers of Cotton Fiber
中文简体
现行
页数:16页
|
格式:PDF
基本信息
标准号
JJF(纺织)039-2020
相关服务
仅限个人学习交流使用
标准类型
标准状态
现行
中国标准分类号(CCS)
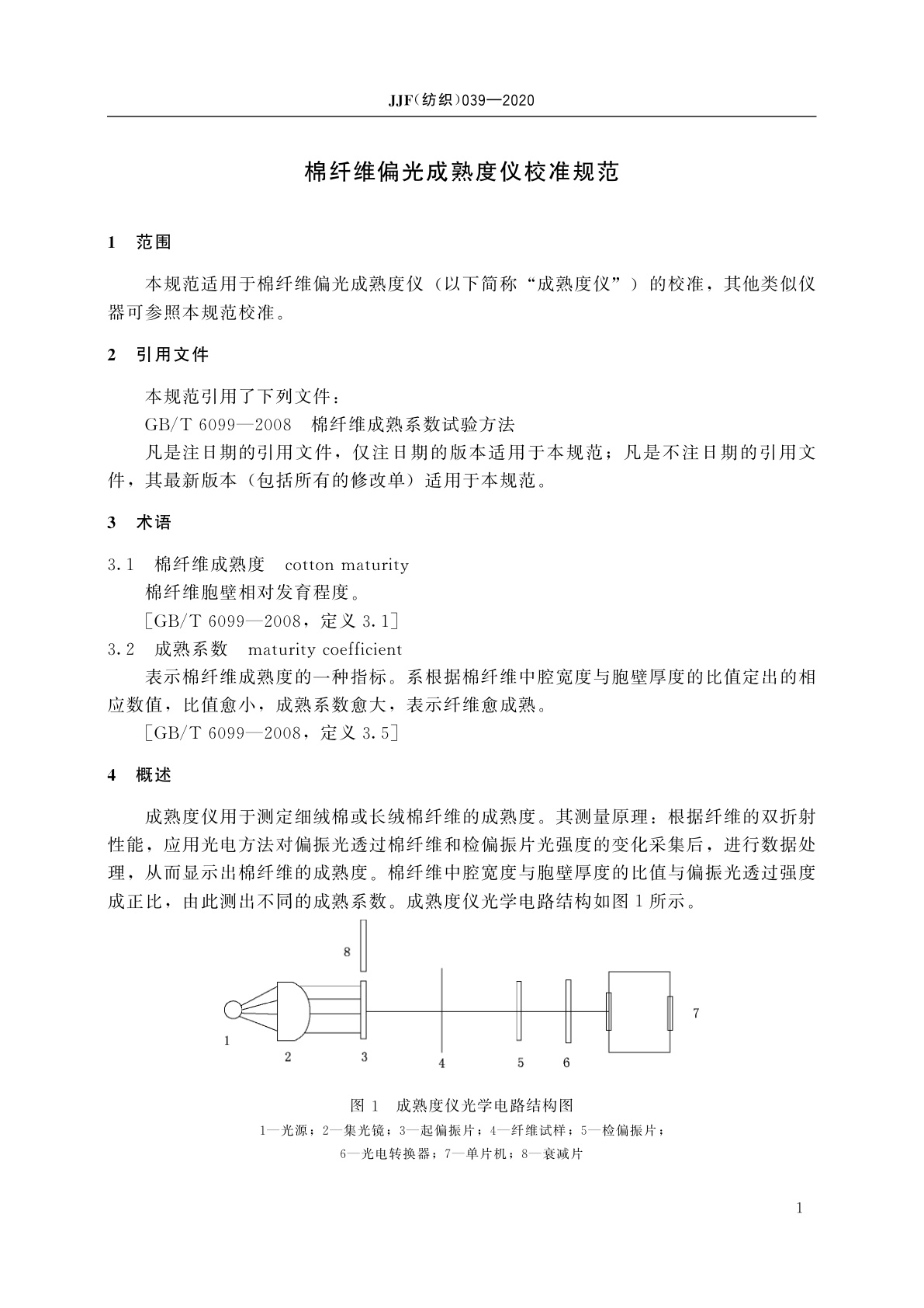
棉纤维偏光成熟度仪校准规范
国际标准分类号(ICS)
发布日期
2020-12-09
实施日期
2020-12-31
发布单位/组织
中华人民共和国工业和信息化部
归口单位
中国纺织工业联合会
适用范围
-
发布历史
-
2020-12
文前页预览
免费预览已结束,剩余部分可下载查看
研制信息
- 起草单位:
- 天津市产品质量监督检测技术研究院、天津市南开区计量检定所、南通千川纺织科技有限公司、江西省羽绒制品质量监督检验中心、广电计量检测(天津)有限公司、保定市纤维检验所、山西省纤维质量监测中心、天津市纺织纤维检验所、天津胜鉴计量检测技术服务有限公司
- 起草人:
- 李智、王明浩、李武、屈喆、冯帆、亢秀杰、杨惠新、王晶、杨宝龙、李润泽、张一魁
- 出版信息:
- 页数:16页 | 字数:16 千字 | 开本: 大16开
推荐标准
- GB/T 21867.1-2008 颜料和体质颜料 分散性的评定方法 第1部分:由着色颜料的着色力变化进行评定 2008-05-14
- GB/T 20057-2006 滚动轴承 单列圆柱滚子轴承 平挡圈和套圈无挡边端倒角尺寸 2006-01-09
- GB/T 10299-1988 保温材料憎水性试验方法 1988-12-30
- GB/T 4325.26-2013 钼化学分析方法 第26部分:铝、镁、钙、钒、铬、锰、铁、钴、镍、铜、锌、砷、镉、锡、锑、钨、铅和铋量的测定 电感耦合等离子体质谱法 2013-05-09
- GB/T 25122.2-2010 轨道交通 机车车辆用电力变流器 第2部分:补充技术资料 2010-09-02
- GB/T 14983-2008 耐火材料 抗碱性试验方法 2008-06-03
- GB 14722-1993 骨骼式大腿假肢 1993-12-04
- GB/T 17261-2011 钢制球形储罐型式与基本参数 2011-12-30
- YB/T 178.6-2000 硅铝合金、硅钡铝合金化学分析方法红外线吸收法测定碳含量 2000-07-26
- GB/T 1216-2018 外径千分尺 2018-05-14
相似标准推荐
更多>- 1 GB/T 10593.2-2023 电工电子产品环境参数测量方法 第2部分:盐雾
- 2 GB/T 24870-2010 粮油检验 大豆粗蛋白质、粗脂肪含量的测定 近红外法
- 3 GB/T 20910-2007 热水系统用温度压力安全阀
- 4 LY/T 1384-2007 杉木速生丰产用材林
- 5 GB/T 14256-1993 计时学术语 第二部分:商业技术用定义
- 6 GB/T 45847-2025 航空非呼吸用压缩空气
- 7 GB/T 9740-2008 化学试剂 蒸发残渣测定通用方法
- 8 GB/T 33676-2017 通信局(站)防雷装置检测技术规范
- 9 WS/T 351-2011 碱性磷酸酶(ALP)催化活性浓度测定 参考方法
- 10 GB/T 31089-2014 煤矿回采率计算方法及要求

关闭预览
