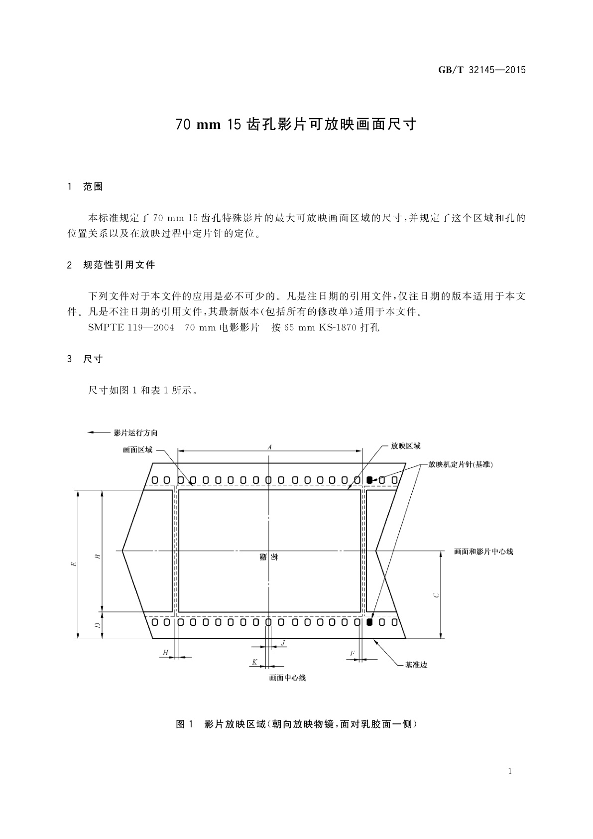
GB/T 32145-2015 70 mm 15齿孔影片可放映画面尺寸
GB/T 32145-2015 Projectable image area on 70 mm motion-picture film,15/70 format
国家标准
中文简体
废止
页数:8页
|
格式:PDF
基本信息
标准号
GB/T 32145-2015
相关服务
仅限个人学习交流使用
标准类型
国家标准
标准状态
废止
中国标准分类号(CCS)
N42 70 mm 15齿孔影片可放映画面尺寸
国际标准分类号(ICS)
37.060.20
发布日期
2015-12-10
实施日期
2016-07-01
发布单位/组织
中华人民共和国国家质量监督检验检疫总局、中国国家标准化管理委员会
归口单位
机械工业电影和电教机械标准化技术委员会
适用范围
-
发布历史
-
2016-07
文前页预览
免费预览已结束,剩余部分可下载查看
研制信息
- 起草单位:
- 秦皇岛视听机械研究所、安徽影星银幕有限责任公司
- 起草人:
- 于国辉、邓荣武、高松柏
- 出版信息:
- 页数:8页 | 字数:8 千字 | 开本: 大16开
推荐标准
- GB/T 8151.17-2012 锌精矿化学分析方法 第17部分:锌量的测定 氢氧化物沉淀-Na2EDTA滴定法 2012-12-31
- GB/T 45478-2025 汽车轮胎性能等级标识通用要求 2025-03-28
- GB/T 17564.3-1999 电气元器件的标准数据元素类型和相关分类模式 第3部分:维护和确认的程序 1999-03-23
- GB/T 43483-2023 重型机械 焊接件设计规范 2023-12-28
- GB/T 5070.11-2002 镁铬质耐火材料化学分析方法 第11部分:火焰原子吸收光谱法 测定氧化锰量 2002-12-31
- GB/T 44351-2024 退化林修复技术规程 2024-09-29
- GB 12935-1991 焊条烘干炉运行能耗标准 1991-05-22
- GB/T 16991-2008 纺织品 色牢度试验 高温耐人造光色牢度及抗老化性能:氙弧 2008-08-06
- GB/T 14113-1993 半导体集成电路封装术语 1993-01-21
- GB/T 19659.4-2006 工业自动化系统与集成 开放系统应用集成框架 第4部分:基于以太网控制系统的参考描述 2006-12-13
相似标准推荐
更多>- 1 GB/T 16306-2008 声称质量水平复检与复验的评定程序
- 2 GB/T 22108.1-2008 气动压缩空气过滤器 第1部分:商务文件中包含的主要特性和产品标识要求
- 3 GB/T 17680.8-2025 核电厂应急准备与响应准则 第8部分:场内核应急预案与执行程序
- 4 GB/T 17850.11-2011 涂覆涂料前钢材表面处理 喷射清理用非金属磨料的技术要求 第11部分:钢渣特种型砂
- 5 LY 1097-1993 木材生产机械产品命名及型号编制规则
- 6 GB/T 26507-2011 石油天然气工业 钻井和采油设备 地面油气混输泵
- 7 GB 1886.79-2015 食品安全国家标准 食品添加剂 硫代二丙酸二月桂酯
- 8 GB/T 22575-2008 猪电致昏设备
- 9 LY/T 3347-2023 小径级圆竹物理力学性质试验方法
- 10 GB/T 38812.3-2020 直接还原铁 硅、锰、磷、钒、钛、铜、铝、砷、镁、钙、钾、钠含量的测定 电感耦合等离子体原子发射光谱法

关闭预览
