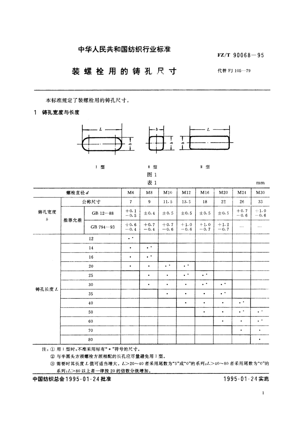
FZ/T 90068-1995 装螺栓用的铸孔尺寸
FZ/T 90068-1995
行业标准
中文简体
现行
页数:8页
|
格式:PDF
基本信息
标准号
FZ/T 90068-1995
相关服务
仅限个人学习交流使用
标准类型
行业标准
标准状态
现行
中国标准分类号(CCS)
装螺栓用的铸孔尺寸
国际标准分类号(ICS)
发布日期
1995-01-24
实施日期
1995-01-24
发布单位/组织
中国纺织总会
归口单位
中国纺织总会纺织机电研究所
适用范围
-
发布历史
-
1995-01
文前页预览
免费预览已结束,剩余部分可下载查看
研制信息
- 起草单位:
- 天津纺织机械厂
- 起草人:
- 出版信息:
- 页数:8页 | 字数:4 千字 | 开本: 大16开
推荐标准
- GB/T 11446.6-2013 电子级水中二氧化硅的分光光度测试方法 2013-12-31
- GB/T 32406-2015 移动通信网面向物流信息服务的M2M平台技术要求 2015-12-31
- GB 12021.6-2008 自动电饭锅能效限定值及能效等级 2008-10-20
- GB 39552.1-2020 太阳镜和太阳镜片 第1部分:通用要求 2020-11-17
- GB/T 4732.3-2024 压力容器分析设计 第3部分:公式法 2024-07-24
- GB/T 4214.10-2021 家用和类似用途电器噪声测试方法 确定和检验噪声明示值的程序 2021-11-26
- GB/T 13968-1992 档案交接文据格式 1992-12-17
- YB/T 4105-2000 航空发动机用高温轴承钢 2000-07-26
- GB/T 17634-2019 土工布及其有关产品 有效孔径的测定 湿筛法 2019-12-31
- GB/T 7731.6-2008 钨铁 砷含量的测定 钼蓝光度法和电感耦合等离子体原子发射光谱法 2008-08-19
相似标准推荐
更多>- 1 GB/T 23031.5-2023 工业互联网平台 应用实施指南 第5部分:个性化定制
- 2 GB/T 27654-2011 木材防腐剂
- 3 GB/T 6580-1997 玻璃耐沸腾混合碱水溶液浸蚀性的试验方法和分级
- 4 GB/T 18802.311-2007 低压电涌保护器元件 第311部分:气体放电管(GDT)规范
- 5 BB/T 0084-2021 蒸煮食品常温储存包装用纸基复合材料
- 6 GB 31604.16-2016 食品安全国家标准 食品接触材料及制品苯乙烯和乙苯的测定
- 7 GB/T 29841.1-2013 卫星定位个人位置信息服务系统 第1部分:功能描述
- 8 GB/T 22174-2008 烯唑醇可湿性粉剂
- 9 YY 9706.247-2021 医用电气设备 第2-47部分:动态心电图系统的基本安全和基本性能专用要求
- 10 GB 1886.304-2020 食品安全国家标准 食品添加剂 磷酸(湿法)

关闭预览
