FZ/T 90076-1995 管子、板材、圆钢的弯曲半径
FZ/T 90076-1995
行业标准
中文简体
现行
页数:4页
|
格式:PDF
基本信息
标准号
FZ/T 90076-1995
相关服务
仅限个人学习交流使用
标准类型
行业标准
标准状态
现行
中国标准分类号(CCS)
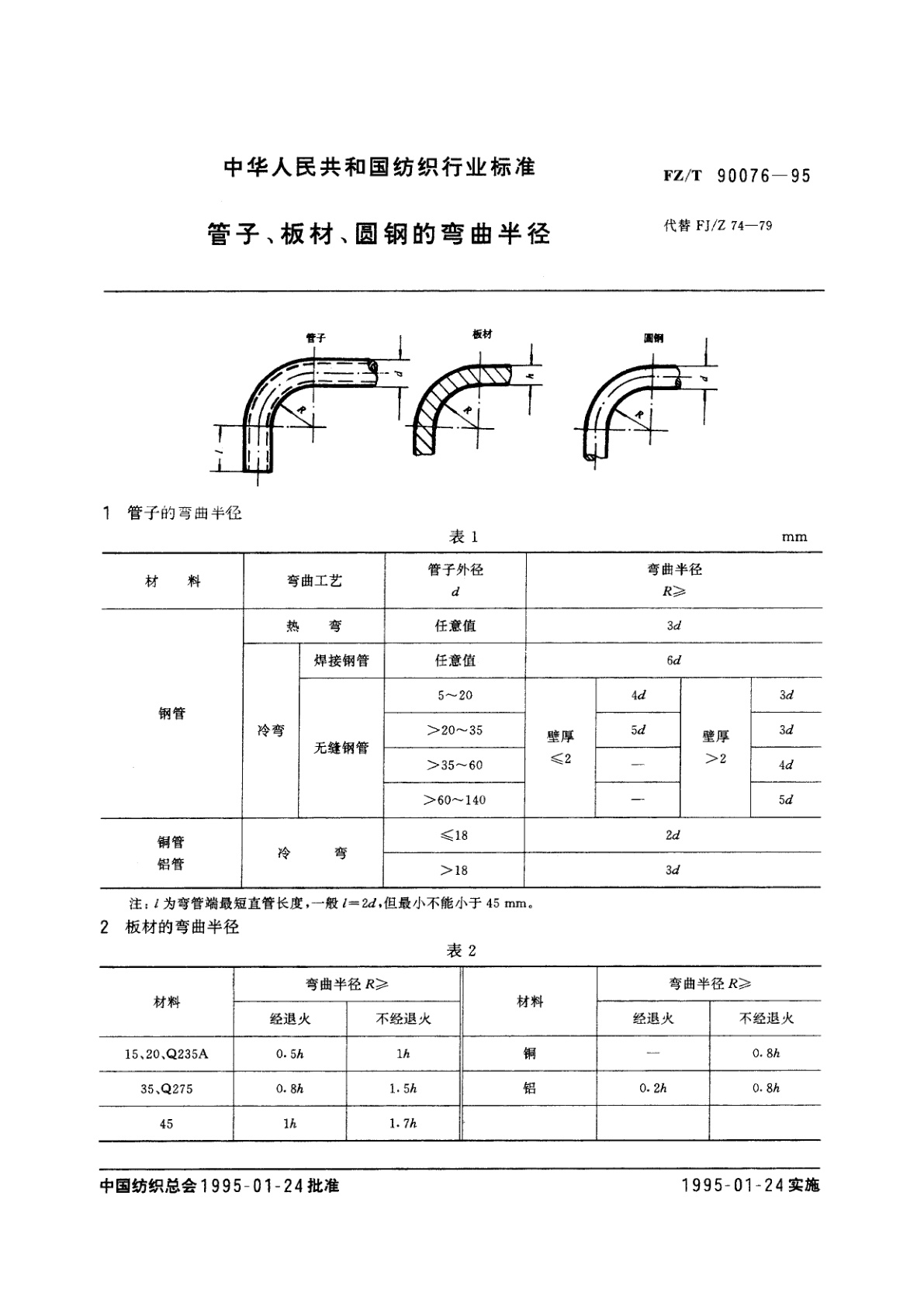
管子、板材、圆钢的弯曲半径
国际标准分类号(ICS)
发布日期
1995-01-24
实施日期
1995-01-24
发布单位/组织
中国纺织总会
归口单位
中国纺织总会纺织机电研究所
适用范围
-
发布历史
-
1995-01
文前页预览
免费预览已结束,剩余部分可下载查看
研制信息
- 起草单位:
- 邯郸纺织机械厂
- 起草人:
- 出版信息:
- 页数:4页 | 字数:4 千字 | 开本: 大16开
推荐标准
- GB/T 15908-2009 塑料软管及软管组合件 液压用织物增强型 规范 2009-06-15
- GB/T 30270-2024 网络安全技术 信息技术安全评估方法 2024-04-25
- GB/T 29493.8-2013 纺织染整助剂中有害物质的测定 第8部分:聚丙烯酸酯类产品中残留单体的测定 2013-07-19
- GB/T 8223.1-2009 价值工程 第1部分:基本术语 2009-05-06
- GB/T 3681-2011 塑料 自然日光气候老化、玻璃过滤后日光气候老化和菲涅耳镜加速日光气候老化的暴露试验方法 2011-12-30
- GB/T 14151-1999 蘑菇罐头 1999-04-02
- GB/T 34901-2017 冷轧带材板形闭环测控系统 2017-11-01
- GB/T 1615-2021 工业二硫化碳 2021-08-20
- JJF 1097-2021 平尺校准规范 2021-12-28
- GB/T 12690.2-2015 稀土金属及其氧化物中非稀土杂质 化学分析方法 第2部分:稀土氧化物中灼减量的测定 重量法 2015-09-11
相似标准推荐
更多>- 1 GB/T 15543-2008 电能质量 三相电压不平衡
- 2 GB/T 13734-2008 耳穴名称与定位
- 3 GB/T 40362-2021 电动牙刷 一般要求和检测方法
- 4 GA 1157-2014 消防技术服务机构设备配备
- 5 GB/T 22838.3-2009 卷烟和滤棒物理性能的测定 第3部分:圆周 激光法
- 6 GB/T 9123.1-2000 平面 突面钢制管法兰盖
- 7 GA/T 1942-2021 法庭科学 硝化纤维素检验 红外光谱法
- 8 JJG 911-1996 钢丝测力仪
- 9 GB/T 38191-2019 滑动轴承 镍合金自润滑轴承材料技术条件
- 10 GB/T 6135.2-1996 直柄麻花钻 第2部分:直柄短麻花钻的型式和尺寸

关闭预览
