FZ/T 90070-1995 轴套连接要素
FZ/T 90070-1995
行业标准
中文简体
现行
页数:4页
|
格式:PDF
基本信息
标准号
FZ/T 90070-1995
相关服务
仅限个人学习交流使用
标准类型
行业标准
标准状态
现行
中国标准分类号(CCS)
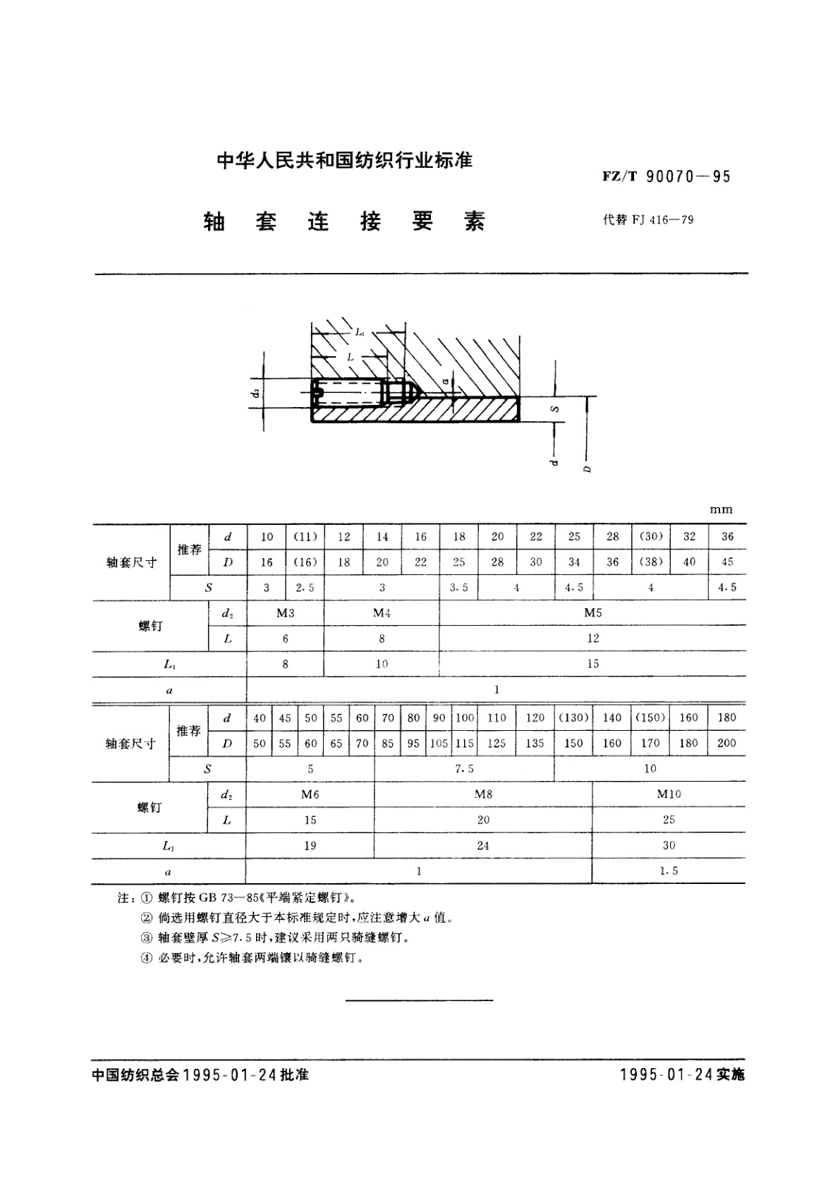
轴套连接要素
国际标准分类号(ICS)
发布日期
1995-01-24
实施日期
1995-01-24
发布单位/组织
中国纺织总会
归口单位
中国纺织总会纺织机电研究所
适用范围
-
发布历史
-
1995-01
文前页预览
免费预览已结束,剩余部分可下载查看
研制信息
- 起草单位:
- 天津纺织机械厂
- 起草人:
- 出版信息:
- 页数:4页 | 字数:3 千字 | 开本: 大16开
推荐标准
- GB/T 26316-2023 市场、民意和社会调查(包括洞察与数据分析) 术语和服务要求 2023-12-28
- GB/T 35906-2018 猪瘟抗体间接ELISA检测方法 2018-02-06
- JJF 1609-2017 余氯测定仪校准规范 2017-02-28
- GB/T 28596-2012 内壁碳涂层聚对苯二甲酸乙二醇酯瓶 2012-06-29
- GA 320-2010 警帽 女呢帽 2010-10-26
- GB/T 18412.7-2006 纺织品 农药残留量的测定 第7部分:毒杀芬 2006-05-25
- GB/T 37437-2019 正面安全气囊 离位乘员保护技术要求 2019-05-10
- GB/T 39372-2020 皮革 物理和机械试验 伸长率的测定 2020-11-19
- YB 4068-1991 热轧环件 1991-09-18
- GB/T 16480.2-1996 金属钇及氧化钇化学分析方法 钽、钛、铜和镍量的测定 1996-07-09
相似标准推荐
更多>- 1 FZ/T 95009-1998 烘筒烘燥机
- 2 GB/T 20840.9-2017 互感器 第9部分:互感器的数字接口
- 3 GB/T 42064-2022 普通照明用设备 闪烁特性 光闪烁计测试法
- 4 NY 5138-2002 无公害食品 蜜蜂饲养兽药使用准则
- 5 GB/T 11442-2017 C频段卫星电视接收站通用规范
- 6 GB/T 11066.8-2009 金化学分析方法 银、铜、铁、铅、锑、铋、钯、镁、镍、锰和铬量的测定 乙酸乙酯萃取-电感耦合等离子体原子发射光谱法
- 7 LY/T 2268-2014 林业信息资源交换体系框架
- 8 GB/T 17175.1-1997 信息技术 开放系统互连 管理信息结构 第1部分:管理信息模型
- 9 GB/T 18090-2023 猪繁殖与呼吸综合征诊断方法
- 10 GB/T 41312.1-2022 化工用设备渗透性检测方法 第1部分:石墨及其衬里设备

关闭预览
