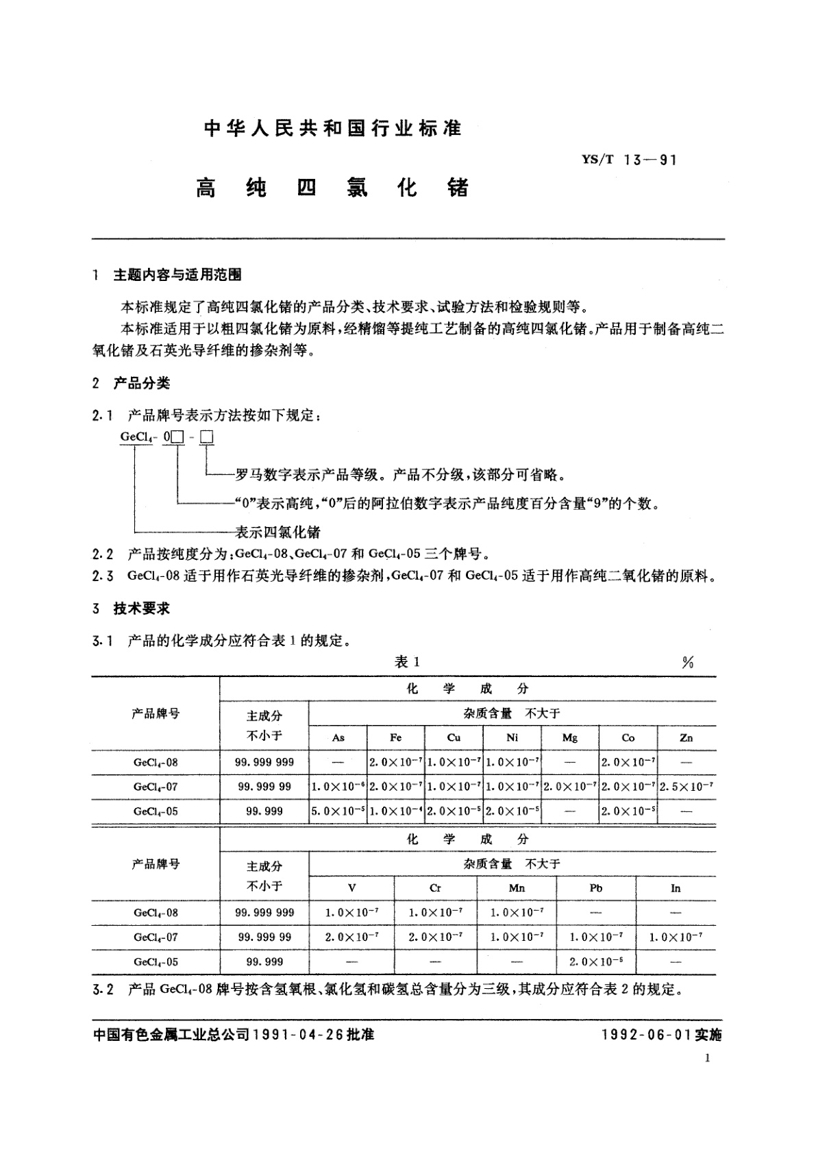
YS/T 13-1991 高纯四氯化锗
YS/T 13-1991
行业标准
中文简体
被代替
页数:12页
|
格式:PDF
基本信息
标准号
YS/T 13-1991
相关服务
仅限个人学习交流使用
标准类型
行业标准
标准状态
被代替
中国标准分类号(CCS)
H66 高纯四氯化锗
国际标准分类号(ICS)
发布日期
1991-04-26
实施日期
1992-06-01
发布单位/组织
中国有色金属工业总公司
归口单位
适用范围
-
发布历史
-
1992-06
文前页预览
免费预览已结束,剩余部分可下载查看
研制信息
- 起草单位:
- 北京有色金属研究总院
- 起草人:
- 丑立纯、李贺成、潘鸿器、蔡绍勤
- 出版信息:
- 页数:12页 | 字数:20 千字 | 开本: 大16开
推荐标准
- WS 364.13-2011 卫生信息数据元值域代码 第13部分:卫生费用 2011-08-02
- GB/T 33182-2016 国家基本比例尺地图 1∶5000 1∶10000正射影像地图 2016-10-13
- GB/T 14896.3-2009 特种加工机床 术语 第3部分:电解加工机床 2009-04-02
- GB/T 6324.10-2020 有机化工产品试验方法 第10部分:有机液体化工产品微量硫的测定 紫外荧光法 2020-03-31
- YY/T 0332-2011 植入式给药装置 2011-12-31
- GB/T 38784-2020 悬空地板、踏步、步道及栈道玻璃 2020-06-02
- GB/T 12690.19-2018 稀土金属及其氧化物中非稀土杂质化学分析方法 第19部分:砷、汞量的测定 2018-09-17
- JJF 1968-2022 煤中氟/氯测定仪校准规范 2022-04-29
- GB/T 17626.7-2017 电磁兼容 试验和测量技术 供电系统及所连设备谐波、间谐波的测量和测量仪器导则 2017-07-12
- GB/T 12688.3-2011 工业用苯乙烯试验方法 第3部分:聚合物含量的测定 2011-05-12
相似标准推荐
更多>- 1 GB/T 20421.3-2006 液压马达特性的测定 第3部分:在恒流量和恒转矩下
- 2 TY/T 2003.8-2021 运动面层性能测试方法 第8部分:滚动负荷
- 3 GB/T 25764-2024 滚动轴承 汽车变速箱用滚子轴承
- 4 GB/T 10816-1989 紫砂陶器
- 5 GB/T 7050-2003 色素炭黑 着色力的测定
- 6 GB/T 2910.22-2009 纺织品 定量化学分析 第22部分:粘胶纤维、某些铜氨纤维、莫代尔纤维或莱赛尔纤维与亚麻、苎麻的混合物(甲酸/氯化锌法)
- 7 GB 30607-2014 食品安全国家标准 食品添加剂 酶解大豆磷脂
- 8 GB/T 17858.1-1999 包装术语 工业包装袋 纸袋
- 9 GB/T 22188.1-2008 控制中心的人类工效学设计 第1部分:控制中心的设计原则
- 10 GB/T 22653-2008 液化气体设备用紧急切断阀

关闭预览
