YS/T 1150-2016 高纯钴铸锭
YS/T 1150-2016 High purity cobalt ingot
行业标准
中文简体
现行
页数:8页
|
格式:PDF
基本信息
标准号
YS/T 1150-2016
相关服务
仅限个人学习交流使用
标准类型
行业标准
标准状态
现行
中国标准分类号(CCS)
H62 高纯钴铸锭
国际标准分类号(ICS)
77.150.70
发布日期
2016-07-11
实施日期
2017-01-01
发布单位/组织
中华人民共和国工业和信息化部
归口单位
全国有色金属标准化技术委员会(SAC/TC 243)
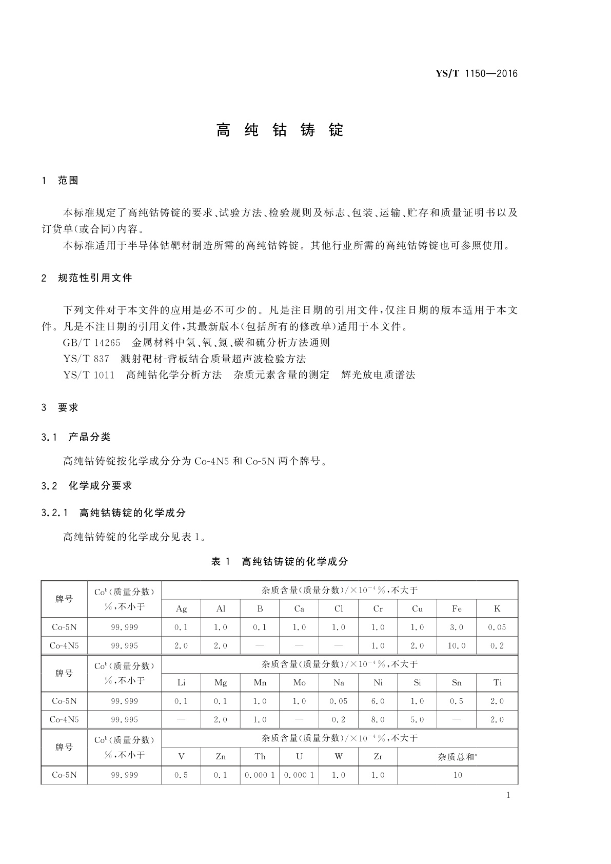
适用范围
-
发布历史
-
2017-01
文前页预览
免费预览已结束,剩余部分可下载查看
研制信息
- 起草单位:
- 有研亿金新材料有限公司、宁波江丰电子材料股份有限公司
- 起草人:
- 张涛、姚力军、李勇军、王学泽、何金江、宋佳、罗俊锋、袁海军、贺昕、陈勇军、曾浩、赵玉林、刘丹、熊晓东、万小勇
- 出版信息:
- 页数:8页 | 字数:10 千字 | 开本: 大16开
推荐标准
- GB/T 6513-1986 文献书目信息交换用数学字符编码字符集 1986-06-19
- FZ/T 54011-2006 连续纺粘胶长丝 2006-07-10
- GB/T 23968-2009 肉松 2009-06-12
- GB 1886.68-2015 食品安全国家标准 食品添加剂 二甲基二碳酸盐(又名维果灵) 2015-09-22
- GB/T 4703-2001 电容式电压互感器 2001-11-02
- SB/T 10465-2008 连锁经营术语 2008-09-27
- SB/T 10555-2009 熟制西瓜籽和仁 2009-12-25
- YY 0225-1995 四泵直线式灌装机 1995-12-22
- GB/T 22148-2008 单端和双端荧光灯用电子镇流器的电磁发射试验方法 2008-07-02
- GB 4706.61-2008 家用和类似用途电器的安全 使用液体或蒸汽的家用表面清洁器具的特殊要求 2008-12-30
相似标准推荐
更多>- 1 YS/T 746.3-2010 无铅锡基焊料化学分析方法 第3部分:铜含量的测定 火焰原子吸收光谱法和硫代硫酸钠滴定法
- 2 GB/T 17249.3-2012 声学 低噪声工作场所设计指南 第3部分:工作间内的声传播和噪声预测
- 3 GB/T 21490-2008 结构加固修复用碳纤维片材
- 4 GB/T 22429-2008 食品中沙门氏菌、肠出血性大肠埃希氏菌O157及单核细胞增生李斯特氏菌的快速筛选检验 酶联免疫法
- 5 GB/T 28900-2022 钢筋混凝土用钢材试验方法
- 6 GB/T 7631.9-1997 润滑剂和有关产品(L类)的分类 第9部分:D组(压缩机)
- 7 GA/T 1623-2019 法庭科学 生物检材中涕灭威检验气相色谱-质谱和液相色谱-质谱法
- 8 GB/T 4701.8-2009 钛铁 碳含量的测定 红外线吸收法
- 9 GB/T 15670.14-2017 农药登记毒理学试验方法 第14部分:细菌回复突变试验
- 10 GB/T 11910-1989 水质 镍的测定 丁二酮肟分光光度法

关闭预览
