YS/T 1029-2015 离子源弧室用钨顶板
YS/T 1029-2015 Tungsten top plate for ion source arc chamber
行业标准
中文简体
现行
页数:12页
|
格式:PDF
基本信息
标准号
YS/T 1029-2015
相关服务
仅限个人学习交流使用
标准类型
行业标准
标准状态
现行
中国标准分类号(CCS)
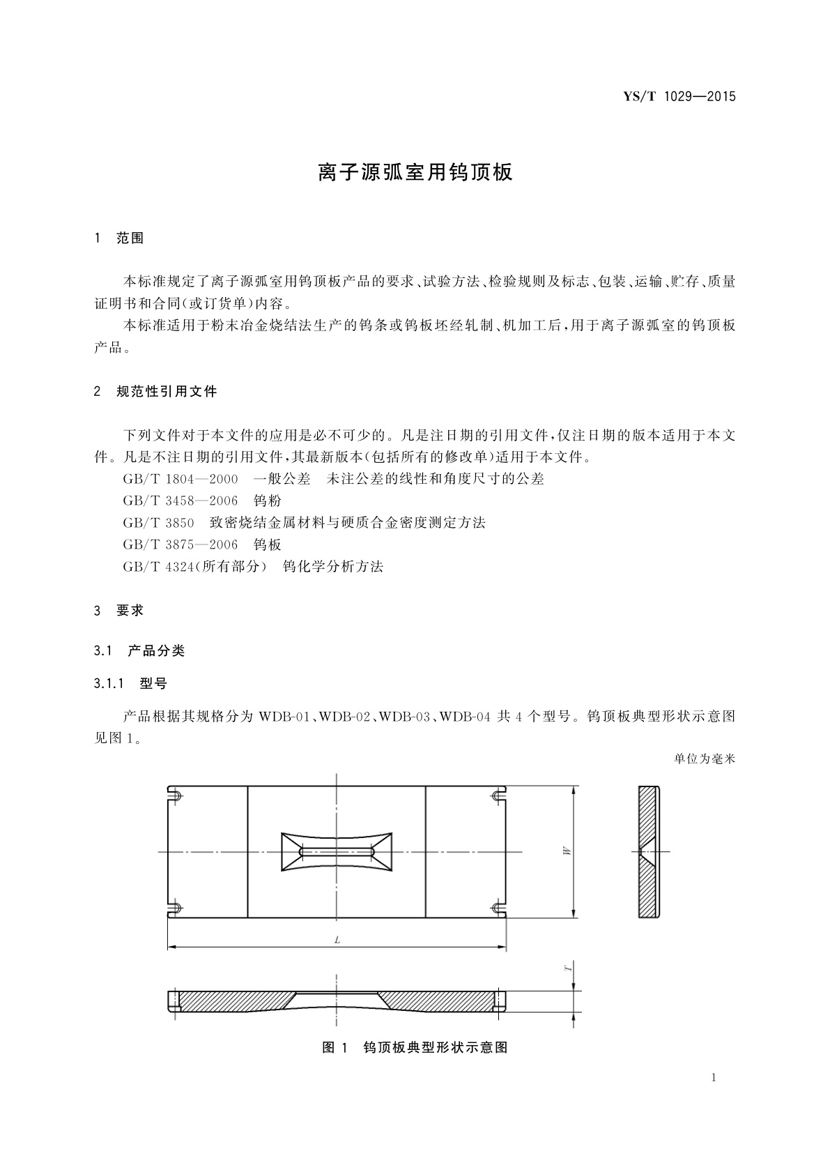
H71 离子源弧室用钨顶板
国际标准分类号(ICS)
77.160
发布日期
2015-04-30
实施日期
2015-10-01
发布单位/组织
中华人民共和国工业和信息化部
归口单位
全国有色金属标准化技术委员会(SAC/TC 243)
适用范围
-
发布历史
-
2015-10
文前页预览
免费预览已结束,剩余部分可下载查看
研制信息
- 起草单位:
- 苏州先端稀有金属有限公司、西安瑞福莱钨钼有限公司、北京天龙钨钼科技股份有限公司
- 起草人:
- 孔澎、李坚、李红侠、淡新国、苏国平
- 出版信息:
- 页数:12页 | 字数:10 千字 | 开本: 大16开
推荐标准
- GB/T 20896-2007 小艇 水密艉舱和快速泄水艉舱 2007-03-26
- GB/T 36861-2018 饲料添加剂β-甘露聚糖酶活力的测定 分光光度法 2018-09-17
- GB 27950-2011 手消毒剂卫生要求 2011-12-30
- GB/T 12553-2005 消防船消防性能要求和试验方法 2005-04-22
- GB/T 33661-2017 农历的编算和颁行 2017-05-12
- GB/T 24585-2009 镍铁 磷、锰、铬、铜、钴和硅含量的测定 电感耦合等离子体原子发射光谱法 2009-10-30
- LY/T 2185-2013 森林资源管理信息系统建设导则 2013-10-17
- GB/T 36732-2024 生态休闲养生基地建设和运营服务规范 2024-11-28
- GB/T 21099.2-2015 过程控制用功能块(FB) 第2部分:功能块概念规范 2015-12-10
- GB/T 5169.2-2002 电工电子产品着火危险试验 第2部分:着火危险评定导则 总则 2002-08-05
相似标准推荐
更多>- 1 GB/T 33658-2025 室内人体热舒适环境要求与评价方法
- 2 GA/T 1958-2021 法庭科学 朱墨时序检验规范
- 3 GB/T 10295-1988 绝热材料稳态热阻及有关特性的测定 热流计法
- 4 GB/T 16285-2008 食品中葡萄糖的测定 酶-比色法和酶-电极法
- 5 GB 5009.301-2025 食品安全国家标准 食品中渗透压的测定
- 6 YC/T 561-2018 烟草特征性成分 烟碱旋光异构体比例的测定 高效液相色谱法和超高效合相色谱-串联质谱法
- 7 GB/T 12312-2012 感官分析 味觉敏感度的测定方法
- 8 GB/T 6258-1986 盘封电子管空白详细规范
- 9 GB/T 45333-2025 类金刚石薄膜 球盘法测试类金刚石薄膜的摩擦磨损性能
- 10 GB/T 25740.2-2013 PROFIBUS & PROFINET技术行规PROFIdrive 第2部分:行规到网络技术的映射

关闭预览
