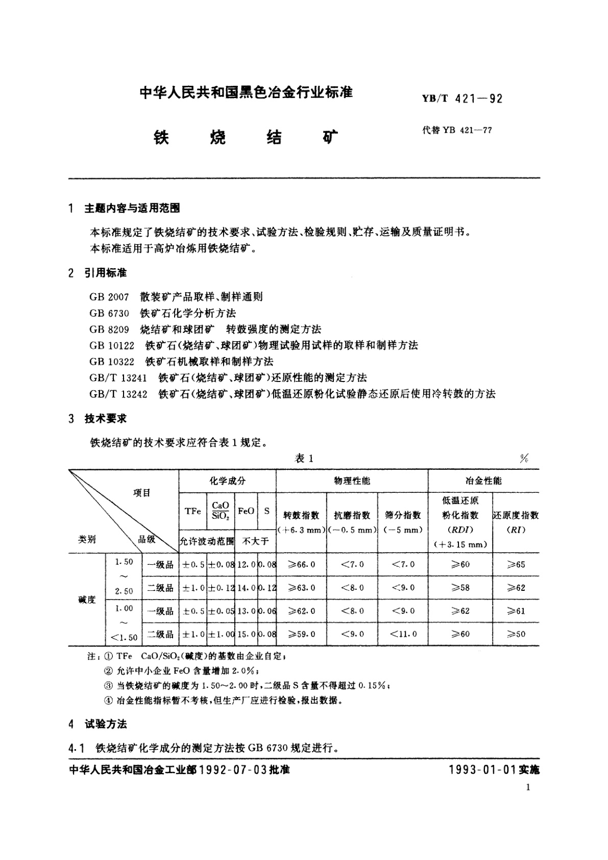
YB/T 421-1992 铁烧结矿
YB/T 421-1992
行业标准
中文简体
被代替
页数:8页
|
格式:PDF
基本信息
标准号
YB/T 421-1992
相关服务
仅限个人学习交流使用
标准类型
行业标准
标准状态
被代替
中国标准分类号(CCS)
铁烧结矿
国际标准分类号(ICS)
发布日期
1992-07-03
实施日期
1993-01-01
发布单位/组织
中华人民共和国冶金工业部
归口单位
适用范围
-
发布历史
-
1993-01
文前页预览
免费预览已结束,剩余部分可下载查看
研制信息
- 起草单位:
- 鞍山钢铁公司
- 起草人:
- 李廷一、田纯志、麻瑞田、杨世农
- 出版信息:
- 页数:8页 | 字数:5 千字 | 开本: 大16开
推荐标准
- GB/T 39555-2020 智能实验室 仪器设备 气候、环境试验设备的数据接口 2020-12-14
- GB/T 19429-2004 内河船舶设计企业开业条件 2004-01-06
- GB/T 22977-2008 牛奶和奶粉中保泰松残留量的测定 液相色谱-串联质谱法 2008-12-31
- GB/T 12800-1991 声学 紧急撤离听觉信号 1991-03-22
- GB/T 43842-2024 牦牛生产性能测定技术规范 2024-03-15
- GB/T 40559-2021 平衡车用锂离子电池和电池组 安全要求 2021-10-11
- GB/T 11019-2009 镀镍圆铜线 2009-03-19
- GB/T 36424.1-2018 物联网家电接口规范 第1部分:控制系统与通信模块间接口 2018-06-07
- GB/T 37702-2019 城乡居民基本养老保险待遇支付服务规范 2019-06-04
- GB/T 3951-1983 液晶显示器件型号命名方法 1983-12-01
相似标准推荐
更多>- 1 GB/T 13869-2008 用电安全导则
- 2 GB/T 1653-2023 邻、对硝基氯苯
- 3 GB 18278-2000 医疗保健产品灭菌 确认和常规控制要求 工业湿热灭菌
- 4 GB/T 6111-2003 流体输送用热塑性塑料管材耐内压试验方法
- 5 DB/T 91-2022 直流地电阻率仪检测规范
- 6 FZ/T 94053-2007 电子提花机
- 7 WS/T 500.33-2016 电子病历共享文档规范 第33部分:中医住院病案首页
- 8 GB/T 22861-2018 精粗梳交织及半精梳毛织品
- 9 GB/T 19342-2024 手动牙刷 一般要求和检测方法
- 10 GB/T 21890-2008 酸性艳黄P-4R 150%(C.I.酸性黄42)

关闭预览
