YB/T 165-1999 树脂结合铝镁炭砖
YB/T 165-1999 Resin bonded alumina-magnesia-carbon bricks
行业标准
中文简体
被代替
页数:12页
|
格式:PDF
基本信息
标准号
YB/T 165-1999
相关服务
仅限个人学习交流使用
标准类型
行业标准
标准状态
被代替
中国标准分类号(CCS)
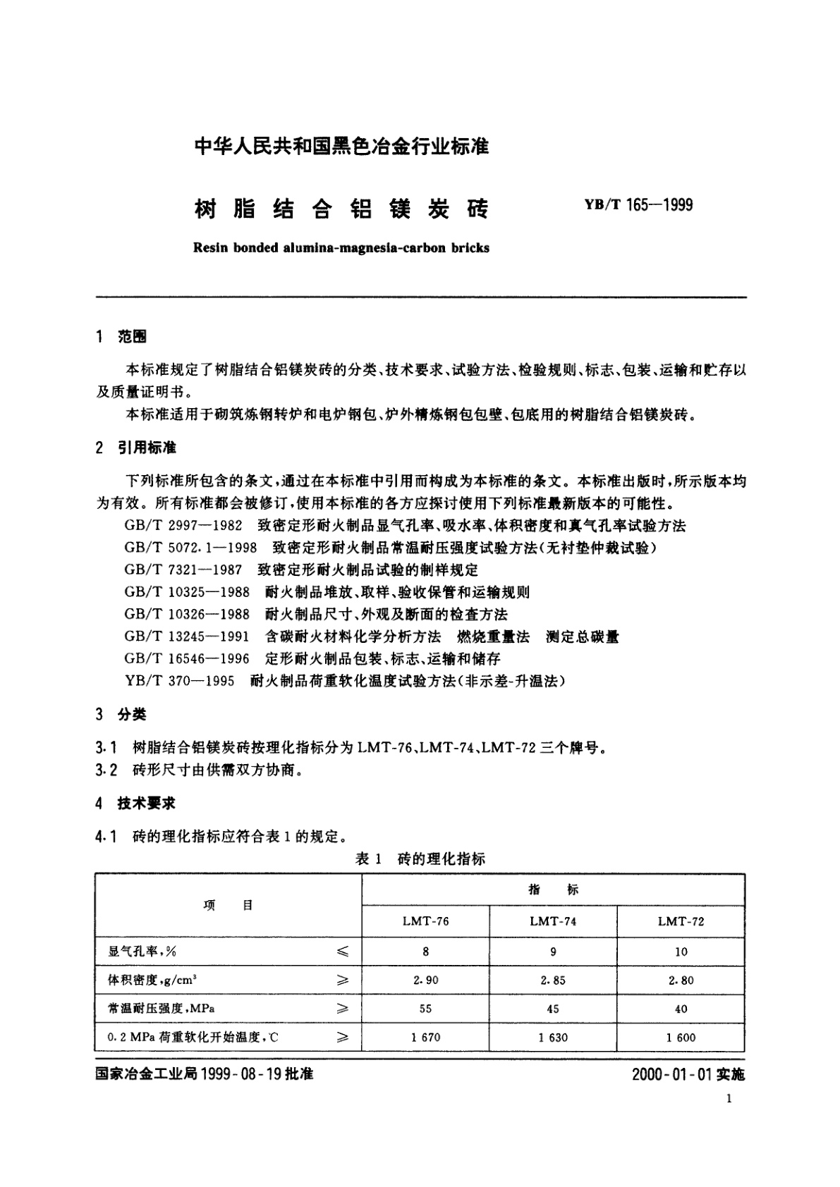
Q44 树脂结合铝镁炭砖
国际标准分类号(ICS)
发布日期
1999-08-19
实施日期
2000-01-01
发布单位/组织
国家冶金工业局
归口单位
全国耐火材料标准化技术委员会
适用范围
-
发布历史
-
2000-01
文前页预览
免费预览已结束,剩余部分可下载查看
研制信息
- 起草单位:
- 河南焦作耐火材料厂、江苏无锡苏嘉镁砖有限公司、山西阳泉华岭耐火材料有限公司、河北清河耐火集团公司、浙江达多耐火材料有限公司、郑州永生耐材有限公司
- 起草人:
- 冯钦伟、张启业、张德义、龚振球、余卫东、王丕轩、周政明
- 出版信息:
- 页数:12页 | 字数:15 千字 | 开本: 大16开
推荐标准
- GB 2766-1995 穿鳃式止血钳通用技术条件 1995-06-02
- GB/T 22619-2023 联苯菊酯原药 2023-11-27
- GB/T 17774-1999 工业通风机 尺寸 1999-06-14
- GB/T 16903-2021 标志用图形符号表示规则 公共信息图形符号的设计原则与要求 2021-03-09
- GB/T 3512-2014 硫化橡胶或热塑性橡胶 热空气加速老化和耐热试验 2014-12-22
- GB/T 20574-2006 蜂胶中总黄酮含量的测定方法 分光光度比色法 2006-09-14
- GB/T 19933.1-2014 土方机械 司机室环境 第1部分:术语和定义 2014-07-24
- YY 0716-2009 牙科陶瓷 2009-06-16
- GB/T 24924-2010 供水系统用弹性密封闸阀 2010-08-09
- GB/T 40640.3-2021 化学品管理信息化 第3部分:电子标签应用 2021-11-26
相似标准推荐
更多>- 1 GB/T 19879-2005 建筑结构用钢板
- 2 GB/T 23773-2009 无机化工产品中铵含量测定的通用方法 纳氏试剂比色法
- 3 GB/T 25102.7-2017 电声学 助听器 第7部分:助听器生产、供应和交货时质量保证的性能特性测量
- 4 GB/T 14474-1993 号筒扬声器通用技术条件
- 5 GB/T 22212-2008 地理标志产品 金乡大蒜
- 6 GB/T 45213-2025 化妆品中阿米卡因、布坦卡因、普莫卡因的测定 液相色谱-串联质谱法
- 7 GB 28380-2025 微型计算机能效限定值及能效等级
- 8 SC/T 8060-2001 钢质渔船船体结构节点
- 9 GB/T 13747.18-1992 锆及锆合金化学分析方法 苯甲酰苯基羟胺分光光度法测定钒量
- 10 GB/T 5413.4-1997 婴幼儿配方食品和乳粉 亚油酸的测定

关闭预览
