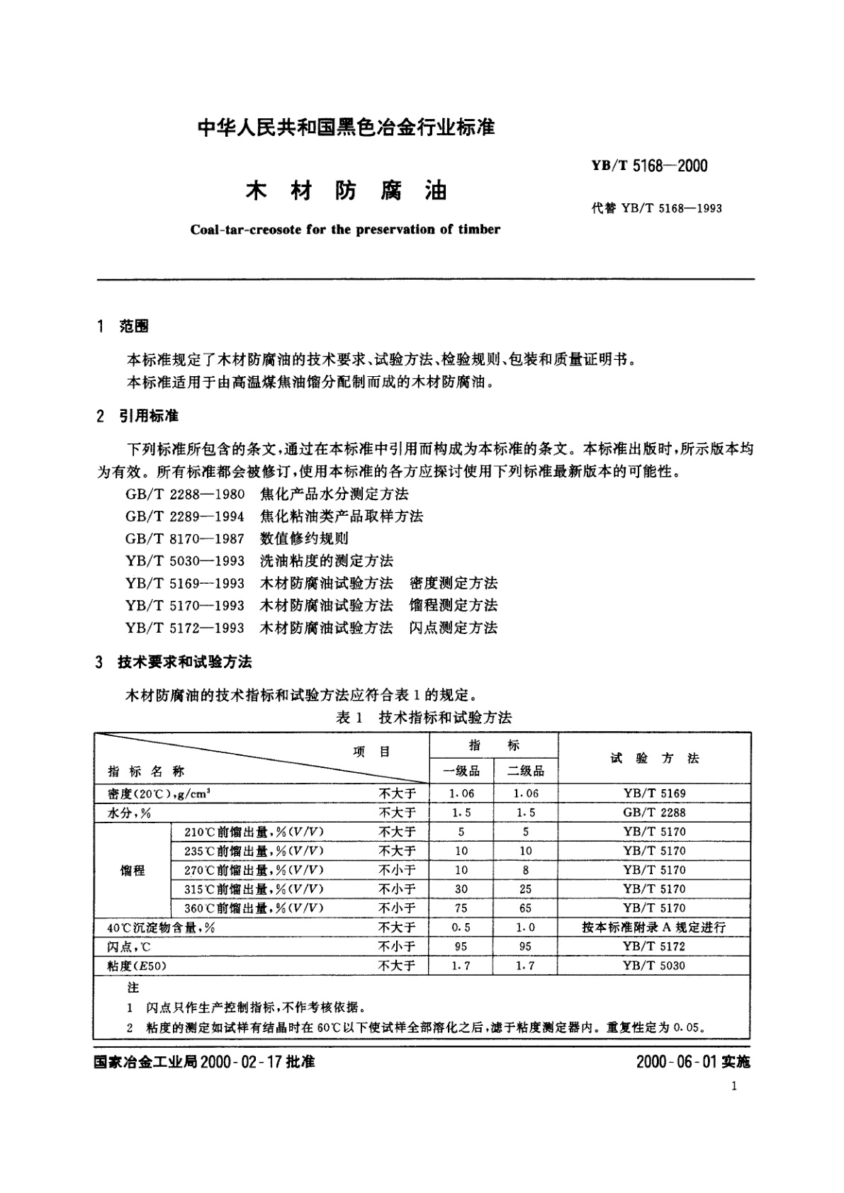
YB/T 5168-2000 木材防腐油
YB/T 5168-2000 Coal-tar-creosote for the preservation of timber
行业标准
中文简体
被代替
页数:8页
|
格式:PDF
基本信息
标准号
YB/T 5168-2000
相关服务
仅限个人学习交流使用
标准类型
行业标准
标准状态
被代替
中国标准分类号(CCS)
G15/18 木材防腐油
国际标准分类号(ICS)
发布日期
2000-02-17
实施日期
2000-06-01
发布单位/组织
国家冶金工业局
归口单位
冶金信息标准研究院
适用范围
-
发布历史
-
2000-06
文前页预览
免费预览已结束,剩余部分可下载查看
研制信息
- 起草单位:
- 本溪钢铁(集团)有限责任公司、冶金信息标准研究院
- 起草人:
- 王利敏、康伟、崔洪江、孔伟、孙伟
- 出版信息:
- 页数:8页 | 字数:7 千字 | 开本: 大16开
推荐标准
- GB/T 19129-2015 三轮汽车和低速货车 电喇叭 性能要求及试验方法 2015-05-15
- YY/T 0727.1-2009 外科植入物 金属髓内钉系统 第1部分:髓内钉 2009-11-15
- GB/T 11035-2008 船用电动双螺杆泵 2008-03-03
- YY/T 0662-2008 外科植入物 不对称螺纹和球形下表面的金属接骨螺钉 机械性能要求和试验方法 2008-04-25
- GA 787-2008 指纹图像数据转换的技术条件 2008-07-24
- GB/T 3254.4-1998 三氧化二锑化学分析方法 铜量的测定 1998-07-15
- YY/T 0729.3-2009 组织粘合剂粘接性能试验方法 第3部分:拉伸强度 2009-06-16
- GB 20814-2006 染料产品中10种重金属元素的限量及测定 2006-12-07
- GB/T 2467-2008 硫铁矿和硫精矿中铅含量的测定 火焰原子吸收光谱法和EDTA容量法 2008-05-14
- GB/T 5070.7-2002 镁铬质耐火材料化学分析方法 第7部分:EDTA容量法测定氧化钙量 2002-12-31
相似标准推荐
更多>- 1 GB/T 29812-2013 工业过程控制 分析小屋的安全
- 2 GB/T 14654-2025 弹性阻尼簧片减振器
- 3 GB/T 9721-1988 化学试剂 分子吸收分光光度法通则(紫外和可见光部分)
- 4 GB/T 13286-2001 核电厂安全级电气设备和电路独立性准则
- 5 GB/T 36014.2-2020 工业过程控制装置 辐射温度计 第2部分:辐射温度计技术参数的确定
- 6 GB/T 12236-2008 石油、化工及相关工业用的钢制旋启式止回阀
- 7 GB/T 27529-2011 马接触传染性子宫炎诊断技术
- 8 GA/T 974.39-2011 消防信息代码 第39部分:消防车辆勤务状态分类与代码
- 9 GB/T 34820-2017 化妆品用原料 乙二醇二硬脂酸酯
- 10 GB/T 43002-2023 儿童家具 质量检验及质量判定

关闭预览
