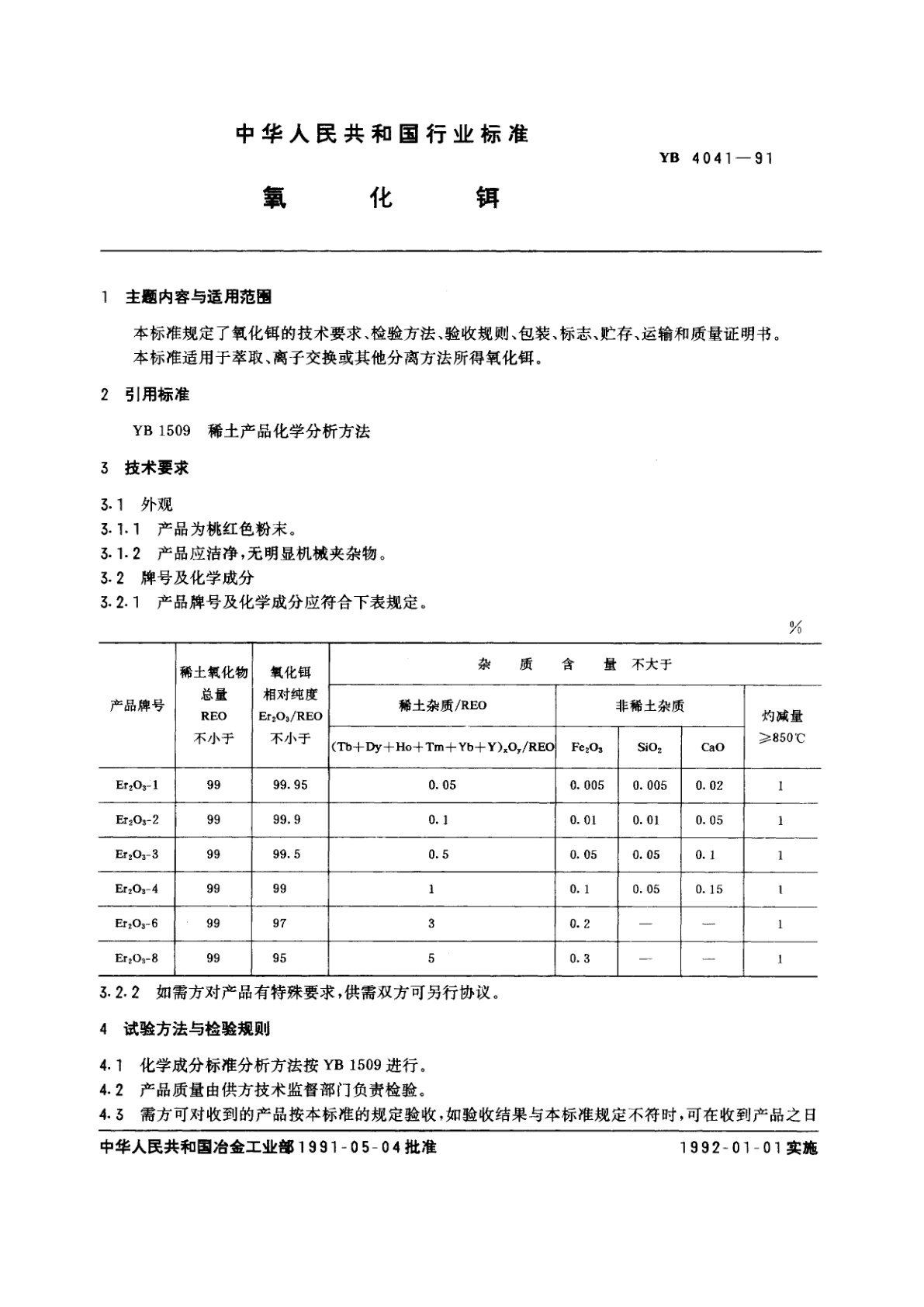
YB 4041-1991 氧化铒
YB 4041-1991
行业标准
中文简体
现行
页数:4页
|
格式:PDF
基本信息
标准号
YB 4041-1991
相关服务
仅限个人学习交流使用
标准类型
行业标准
标准状态
现行
中国标准分类号(CCS)
氧化铒
国际标准分类号(ICS)
发布日期
1991-05-04
实施日期
1992-01-01
发布单位/组织
中华人民共和国冶金工业部
归口单位
适用范围
-
发布历史
-
1992-01
文前页预览
免费预览已结束,剩余部分可下载查看
研制信息
- 起草单位:
- 常熟江南稀土材料总厂
- 起草人:
- 丁听生
- 出版信息:
- 页数:4页 | 字数:4 千字 | 开本: 大16开
推荐标准
- GB/T 35365-2017 潜水器用钛合金焊丝 2017-12-29
- GB/T 33290.17-2016 文物出境审核规范 第17部分:烟壶和扇子 2016-12-13
- JG/T 566-2018 混凝土和砂浆用天然沸石粉 2018-08-24
- GB/T 34240-2017 实验动物 饲料生产 2017-09-07
- GB/T 18020-1999 信息技术 应用级防火墙安全技术要求 1999-11-11
- YS/T 573-2015 钽粉 2015-04-30
- GB/T 33398-2016 光学功能薄膜 聚对苯二甲酸乙二醇酯(PET)薄膜 表面电阻测定方法 2016-12-30
- GB/T 18305-2001 质量体系 汽车供方质量体系要求 2001-01-31
- GB/T 8190.3-2025 往复式内燃机 排放测量 第3部分:使用滤纸式烟度计测量压燃式发动机排气烟度的测试规程 2025-10-31
- SB/T 11111-2014 再生资源回收站点交易行为规范 2014-07-30
相似标准推荐
更多>- 1 GB/T 32184-2015 高电导率铝合金挤压扁棒及板
- 2 GB/T 3253.11-2009 锑及三氧化二锑化学分析方法 铋量的测定 原子吸收光谱法
- 3 GB/Z 43998-2024 纳米技术 混合粉尘制造环境空气中纳米级炭黑和无定形二氧化硅浓度的测量方法
- 4 GB/T 20840.4-2015 互感器 第4部分:组合互感器的补充技术要求
- 5 GB/T 15670.11-2017 农药登记毒理学试验方法 第11部分:短期重复经皮染毒(28天)毒性试验
- 6 YY/T 1607-2018 医疗器械辐射灭菌 剂量设定的方法
- 7 GB/T 22036-2017 轮胎惯性滑行通过噪声测试方法
- 8 GB/T 11017.3-2014 额定电压110 kV(Um=126 kV)交联聚乙烯绝缘电力电缆及其附件 第3部分:电缆附件
- 9 GB/T 28155-2011 烟嘧磺隆可分散油悬浮剂
- 10 NY/T 5015-2002 无公害食品 柑桔生产技术规程

关闭预览
