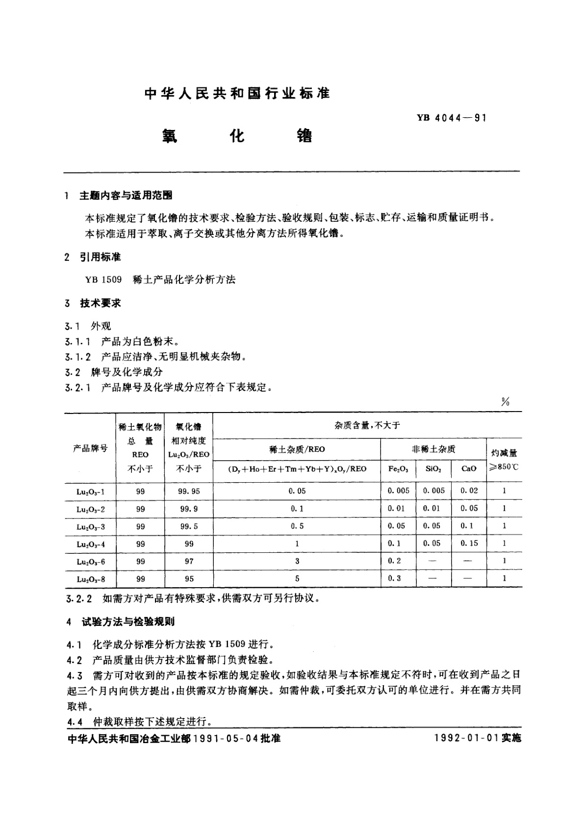
YB 4044-1991 氧化镥
YB 4044-1991
行业标准
中文简体
被代替
页数:4页
|
格式:PDF
基本信息
标准号
YB 4044-1991
相关服务
仅限个人学习交流使用
标准类型
行业标准
标准状态
被代替
中国标准分类号(CCS)
氧化镥
国际标准分类号(ICS)
发布日期
1991-05-04
实施日期
1992-01-01
发布单位/组织
中华人民共和国冶金工业部
归口单位
适用范围
-
发布历史
-
1992-01
文前页预览
免费预览已结束,剩余部分可下载查看
研制信息
- 起草单位:
- 常熟江南稀土材料总厂
- 起草人:
- 丁听生
- 出版信息:
- 页数:4页 | 字数:4 千字 | 开本: 大16开
推荐标准
- GA/T 1446-2017 法庭科学纸张定量测定技术规范 2017-10-02
- GB/T 18690.3-2017 农业灌溉设备 微灌用过滤器 第3部分:自动冲洗网式过滤器和叠片式过滤器 2017-09-29
- GB/T 35442-2017 对位芳纶短纤维 2017-12-29
- GB 16994.5-2024 港口作业安全要求 第5部分:件杂货物 2024-06-25
- GB/T 26958.61-2023 产品几何技术规范(GPS) 滤波 第61部分:线性区域滤波器 高斯滤波器 2023-03-17
- GB/T 9978.6-2008 建筑构件耐火试验方法 第6部分:梁的特殊要求 2008-06-26
- GB 11525-1989 车间空气中丙烯酰胺卫生标准 1989-06-20
- GB/T 42804-2023 婴童用品 承载式安抚器具通用技术要求 2023-05-23
- GB/T 29409-2012 木材储存保管技术规范 2012-12-31
- GB/T 2546.1-2022 塑料 聚丙烯(PP)模塑和挤出材料 第1部分:命名系统和分类基础 2022-07-11
相似标准推荐
更多>- 1 GB/T 25684.11-2021 土方机械 安全 第11部分:回填压实机的要求
- 2 GB 12557-2010 木工机床 安全通则
- 3 GB/T 16667-1996 电焊设备节能监测方法
- 4 NY/T 496-2002 肥料合理使用准则 通则
- 5 GB/T 8593.2-2010 土方机械 司机操纵装置和其他显示装置用符号 第2部分:机器、工作装置和附件的特殊符号
- 6 GB/T 40987.1-2021 公共图书馆业务规范 第1部分:省级公共图书馆
- 7 YS/T 667.1-2008 化学品氧化铝化学分析方法 第1部分:填料用氢氧化铝及拟薄水铝石中镉、铬、钒含量的测定 电感耦合等离子体发射光谱法
- 8 GB/T 25217.1-2010 冲击地压测定、监测与防治方法 第1部分:顶板岩层冲击倾向性分类及指数的测定方法
- 9 GB/T 6585-2013 阴极射线示波器通用规范
- 10 GB/T 12117-1989 模拟电子电压表测试方法

关闭预览
