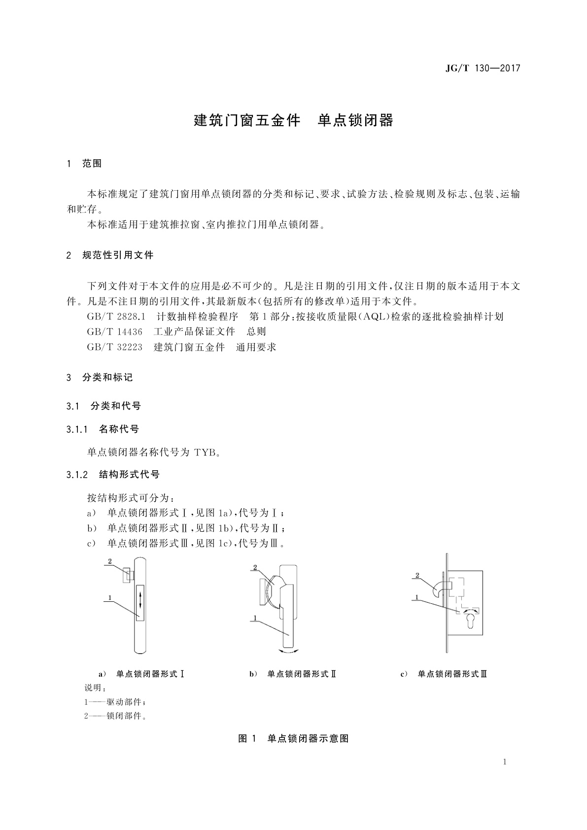
JG/T 130-2017 建筑门窗五金件 单点锁闭器
JG/T 130-2017 Building hardware for windows and doors—Single point locking gears
行业标准
中文简体
现行
页数:12页
|
格式:PDF
基本信息
标准号
JG/T 130-2017
相关服务
仅限个人学习交流使用
标准类型
行业标准
标准状态
现行
中国标准分类号(CCS)
Q73 建筑门窗五金件 单点锁闭器
国际标准分类号(ICS)
91.060.50
发布日期
2017-12-07
实施日期
2018-06-01
发布单位/组织
中华人民共和国住房和城乡建设部
归口单位
住房和城乡建设部建筑制品与构配件产品标准化技术委员会
适用范围
-
发布历史
-
2007-10
-
2018-06
文前页预览
免费预览已结束,剩余部分可下载查看
研制信息
- 起草单位:
- 起草人:
- 刘旭琼、李俊材、袁志兵、韦俊、梁士林、谷秀志、王亮、林文维、鲁冬瑞、孙继超、杜万明、戴红亮、陈明谈、杨加喜、化明杰、程先胜、尤军、陈云祥、戴卫洪、徐长利、潘福、廖邦泓
- 出版信息:
- 页数:12页 | 字数:18 千字 | 开本: 大16开
推荐标准
- GB 10767-1997 婴幼儿配方粉及婴幼儿补充谷粉通用技术条件 1997-05-28
- FZ/T 92069-2000 纬编机用积极输纱器 2000-05-23
- GB/T 3884.8-2012 铜精矿化学分析方法 第8部分:锌量的测定 Na2EDTA滴定法 2012-12-31
- GB/T 24779-2009 化学品性质(Q)SAR模型的验证指南 卫生毒理性质 2009-12-15
- GB/T 28095-2011 木层孔褐根腐病菌检疫鉴定方法 2011-12-30
- GB/T 26836-2011 无损检测仪器 金属陶瓷X射线管技术条件 2011-07-29
- HY/T 203.1-2016 海水利用术语 第1部分:海水冷却技术 2016-05-05
- GB/T 15794-1995 稻飞虱测报调查规范 1995-12-08
- YS/T 568.6-2008 氧化锆、氧化铪化学分析方法 钛量的测定 二安替吡啉甲烷分光光度法 2008-03-12
- LY/T 2805-2017 涉案陆生野生动物及其产品处置规程 2017-06-05
相似标准推荐
更多>- 1 GB/T 29890-2013 粮油储藏技术规范
- 2 GB/T 3676-2008 工业用顺丁烯二酸酐
- 3 GB/T 17934.6-2025 印刷技术 网目调分色版、样张和生产印刷品的加工过程控制 第6部分:柔性版印刷
- 4 GB 32459-2015 消防应急救援装备 手动破拆工具通用技术条件
- 5 GB/T 25071-2010 珠宝玉石及贵金属产品分类与代码
- 6 GB/T 36448-2018 集装箱式数据中心机房通用规范
- 7 GB 1886.365-2023 食品安全国家标准 食品添加剂 5-甲基-2-呋喃甲硫醇
- 8 GB/T 24148.7-2014 塑料 不饱和聚酯树脂(UP-R) 第7部分:室温条件下凝胶时间的测定
- 9 GB/Z 18039.1-2019 电磁兼容 环境 电磁环境的描述和分类
- 10 GB/T 23312.4-2009 漆包铝圆绕组线 第4部分:155级聚酯漆包铝圆线

关闭预览
