JG/T 137-2007 结构用高频焊接薄壁H型钢
JG/T 137-2007 High frequency welded light gauge H steel sections for construction
行业标准
中文简体
现行
页数:20页
|
格式:PDF
基本信息
标准号
JG/T 137-2007
相关服务
仅限个人学习交流使用
标准类型
行业标准
标准状态
现行
中国标准分类号(CCS)
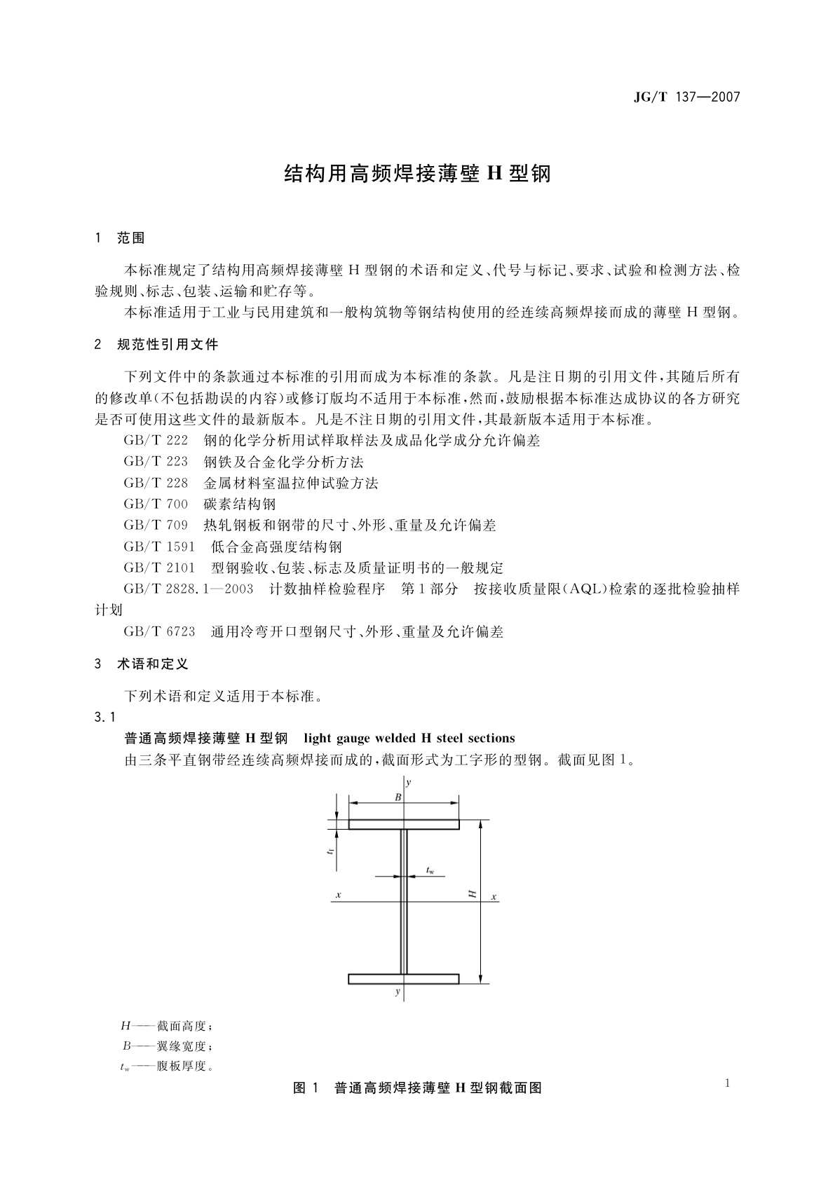
结构用高频焊接薄壁H型钢
国际标准分类号(ICS)
91.100
发布日期
2007-04-07
实施日期
2007-11-01
发布单位/组织
中华人民共和国建设部
归口单位
建设部建筑制品与构配件产品标准化技术委员会
适用范围
-
发布历史
-
2007-11
文前页预览
免费预览已结束,剩余部分可下载查看
研制信息
- 起草单位:
- 中国建筑标准设计研究院、中国建筑金属结构协会建筑钢结构委员会、上海大通钢结构有限公司、中冶集团建筑研究总院
- 起草人:
- 卢晓南、严涛、蔡益燕、柴昶、张爱兰、王国平、金国标、宋文晶
- 出版信息:
- 页数:20页 | 字数:30 千字 | 开本: 大16开
推荐标准
- GB/T 9943-2008 高速工具钢 2008-05-13
- GB/T 20173-2006 石油天然气工业 管道输送系统 管道阀门 2006-03-29
- SC 69-1982 ZSS-12闪发式海水淡化产装置技术条件 1982-01-20
- GB/T 42071-2022 疫病控制中扑杀动物的福利准则 2022-10-12
- GB/T 22038-2018 汽车轮胎静态接地压力分布试验方法 2018-12-28
- GB/T 3286.7-2014 石灰石及白云石化学分析方法 第7部分:硫含量的测定 管式炉燃烧-碘酸钾滴定法、高频燃烧红外吸收法和硫酸钡重量法 2014-09-30
- GB/T 24682.2-2015 植物保护机械 喷雾机飘移量分级 第2部分:田间测量大田作物喷雾机的分级 2015-12-10
- GB/T 16149-2012 外照射慢性放射病剂量估算规范 2012-06-29
- GB 5009.266-2016 食品安全国家标准 食品中甲醇的测定 2016-12-23
- GB/T 18216.11-2024 交流1 000 V和直流1 500 V及以下低压配电系统电气安全 防护措施的试验、测量或监控设备 第11部分:TT、TN和IT系统中剩余电流监视器(RCM)的有效性 2024-12-31
相似标准推荐
更多>- 1 GB/T 9716-1988 信息处理 信息交换用9磁道,12.7mm(0.5in)未记录磁带 32ftpmm(800ftpi)NRZ1制,126ftpmm(3200ftpi)调相制和356ftpmm(9042ftpi)NRZ1制
- 2 GB/T 18595-2014 一般照明用设备电磁兼容抗扰度要求
- 3 GB/T 31743-2015 动植物油脂 脉冲核磁共振法测定固体脂肪含量 直接法
- 4 FZ/T 64089-2022 植被种植用土工布
- 5 GB 15322.2-2019 可燃气体探测器 第2部分:家用可燃气体探测器
- 6 GB/T 17823-1999 中、小型集约化养猪场兽医防疫工作规程
- 7 GB/T 17980.77-2004 农药 田间药效试验准则(二)第77部分:杀虫剂防治水稻蓟马
- 8 MT 277-1994 矿井空气中有害气体硫化氢测定方法(检测管法)
- 9 GB/T 7407-2008 中国及世界主要海运贸易港口代码
- 10 GB/T 44887.8-2025 IPv6演进技术要求 第8部分:基于IPv6段路由(SRv6)的报文头压缩

关闭预览
