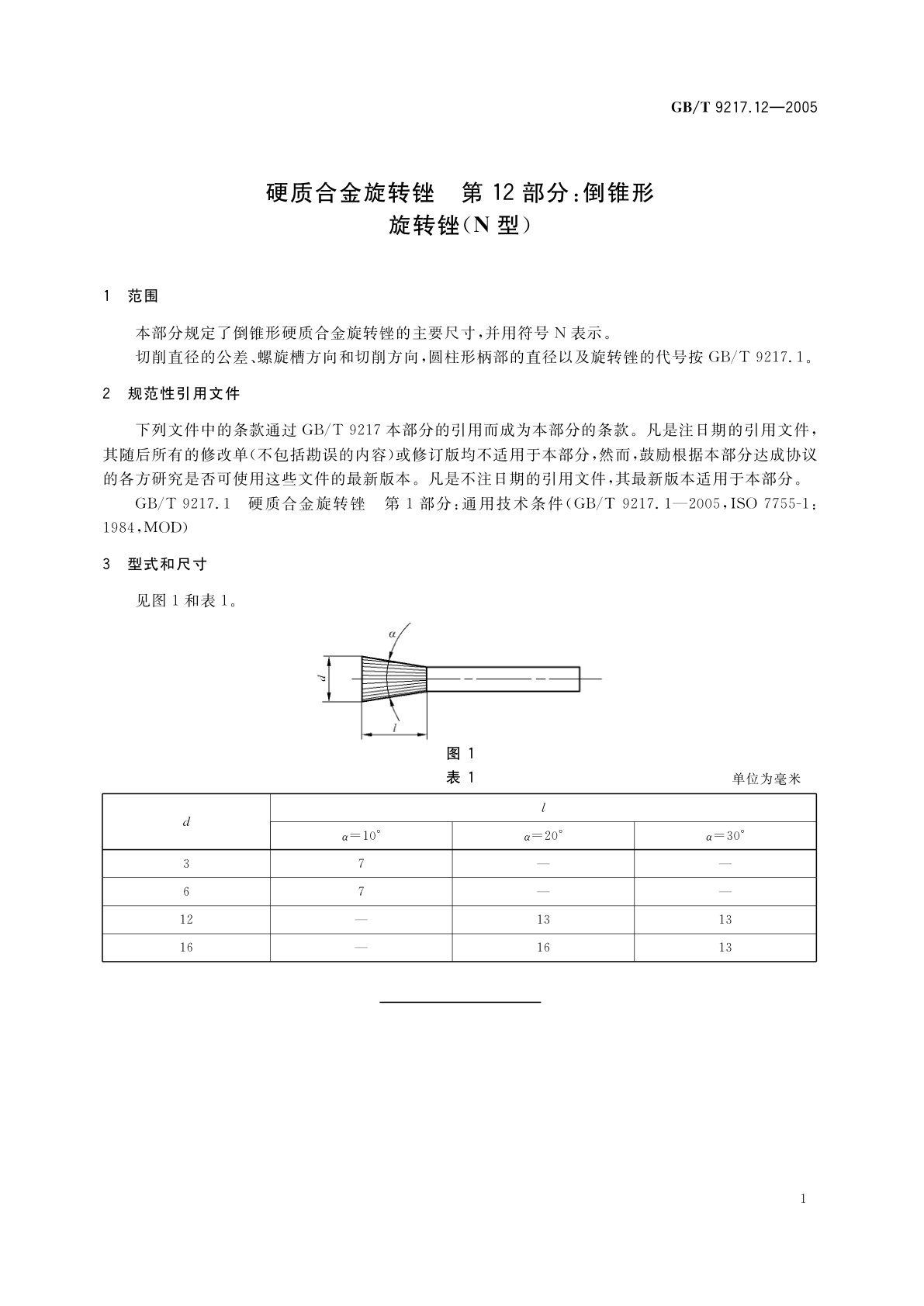
GB/T 9217.12-2005 硬质合金旋转锉 第12部分:倒锥形旋转锉(N型)
GB/T 9217.12-2005 Hardmetal burrs—Part 12:Inverted cone burrs (style N)
国家标准
中文简体
现行
页数:8页
|
格式:PDF
基本信息
标准号
GB/T 9217.12-2005
相关服务
仅限个人学习交流使用
标准类型
国家标准
标准状态
现行
中国标准分类号(CCS)
J41 硬质合金旋转锉 第12部分:倒锥形旋转锉(N型)
国际标准分类号(ICS)
25.100.20
发布日期
2005-05-18
实施日期
2005-12-01
发布单位/组织
中华人民共和国国家质量监督检验检疫总局、中国国家标准化管理委员会
归口单位
全国刀具标准化技术委员会(SAC/TC 91)
适用范围
-
发布历史
-
2005-12
文前页预览
免费预览已结束,剩余部分可下载查看
研制信息
- 起草单位:
- 成都工具研究所
- 起草人:
- 聂珂星、沈士昌
- 出版信息:
- 页数:8页 | 字数:4 千字 | 开本: 开
推荐标准
- GB 39800.3-2020 个体防护装备配备规范 第3部分:冶金、有色 2020-12-24
- GB/T 41805-2022 光学元件表面疵病定量检测方法 显微散射暗场成像法 2022-10-12
- FZ/T 90001-2006 纺织机械产品包装 2006-07-10
- GB/T 44752-2024 柔性玻璃弯曲疲劳试验方法 2024-10-26
- GB/Z 17215.652-2022 电测量数据交换 DLMS/COSEM组件 第52部分:通信协议管理配电线报文规范(DLMS)服务器 2022-12-30
- GB/T 43936-2024 石油天然气项目土地复垦与生态修复技术规范 2024-04-25
- GB/T 24398-2009 植物纤维一次性筷子 2009-09-30
- GB 4706.71-2003 家用和类似用途电器的安全 加热和供水装置固定循环泵的特殊要求 2003-06-05
- GB/T 23773-2009 无机化工产品中铵含量测定的通用方法 纳氏试剂比色法 2009-05-13
- GB/T 26784-2011 建筑构件耐火试验 可供选择和附加的试验程序 2011-07-20
相似标准推荐
更多>- 1 GB 15741-1995 汽车和挂车号牌板(架)及其位置
- 2 JJF 1437-2013 示波器电压探头校准规范
- 3 GB/T 30166-2013 纺织品 丙烯酰胺的测定
- 4 GB/T 16900-2008 图形符号表示规则 总则
- 5 NY/T 605-2002 焙炒咖啡豆
- 6 GA/T 452.2-2021 居民身份证打印技术规范 第2部分:打印设备技术要求
- 7 GB 5009.279-2016 食品安全国家标准 食品中木糖醇、山梨醇、麦芽糖醇、赤藓糖醇的测定
- 8 GB/T 18290.5-2015 无焊连接 第5部分:压入式连接一般要求、试验方法和使用导则
- 9 GB/T 36929-2018 皮革和毛皮 化学试验 全氟辛烷磺酰基化合物(PFOS)和全氟辛酸类物质(PFOA)的测定
- 10 YS/T 461.3-2013 混合铅锌精矿化学分析方法 第3部分:硫量的测定 燃烧-中和滴定法

关闭预览
