GB/T 9217.2-2005 硬质合金旋转锉 第2部分:圆柱形旋转锉(A型)
GB/T 9217.2-2005 Hardmetal burrs—Part 2:Cylindrical burrs(style A)
国家标准
中文简体
现行
页数:8页
|
格式:PDF
基本信息
标准号
GB/T 9217.2-2005
相关服务
仅限个人学习交流使用
标准类型
国家标准
标准状态
现行
中国标准分类号(CCS)
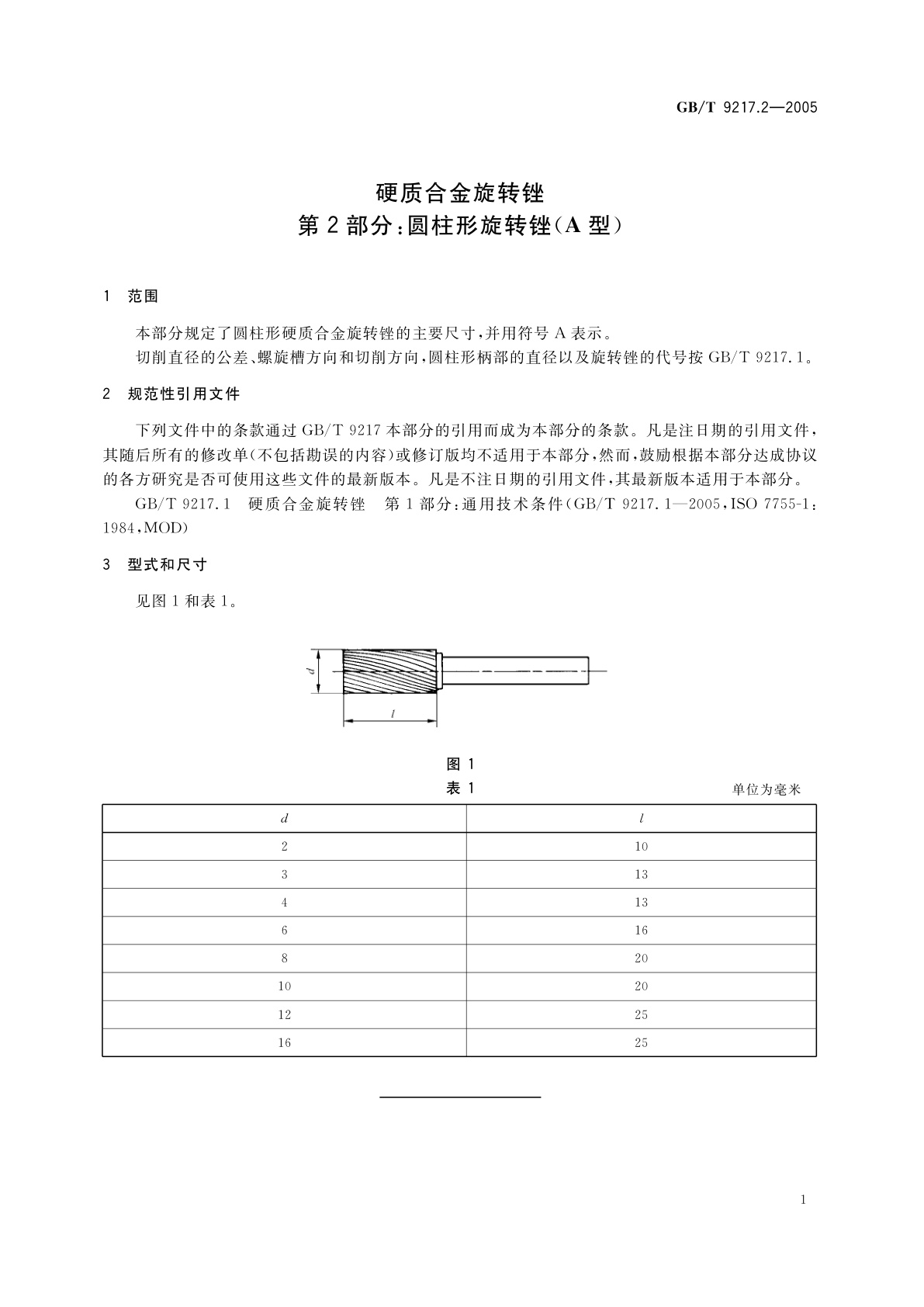
J41 硬质合金旋转锉 第2部分:圆柱形旋转锉(A型)
国际标准分类号(ICS)
25.100.20
发布日期
2005-05-18
实施日期
2005-12-01
发布单位/组织
中华人民共和国国家质量监督检验检疫总局、中国国家标准化管理委员会
归口单位
全国刀具标准化技术委员会(SAC/TC 91)
适用范围
-
发布历史
-
2005-12
文前页预览
免费预览已结束,剩余部分可下载查看
研制信息
- 起草单位:
- 起草人:
- 聂珂星、沈士昌
- 出版信息:
- 页数:8页 | 字数:4 千字 | 开本: 开
推荐标准
- XB/T 903-2002 烧结钕铁硼永磁材料 表面电镀层 2002-04-26
- GB/T 44244-2024 质子交换膜燃料电池汽车用氢气 一氧化碳、二氧化碳的测定 气相色谱法 2024-07-24
- LS/T 8012-2023 气膜钢筋混凝土圆顶仓设计规范 2023-11-14
- GB/T 28866-2012 独立光伏(PV)系统的特性参数 2012-11-05
- GB/T 4548-1995 玻璃容器内表面耐水侵蚀性能测试方法及分级 1995-12-08
- GB/T 8740-2013 铸造轴承合金锭 2013-11-27
- GB/T 20478-2024 植物检疫术语 2024-03-15
- GB/Z 32519.1-2016 1 000 MW级水轮发电机 第1部分:技术导则 2016-02-24
- GB/T 22050-2008 鞋类 样品和试样的取样位置、准备及环境调节时间 2008-06-18
- GB/T 28630.5-2012 白斑综合征(WSD)诊断规程 第5部分:新鲜组织的T-E染色法 2012-07-31
相似标准推荐
更多>- 1 GB/T 31832-2015 LED城市道路照明应用技术要求
- 2 GB/T 14181-2010 测定烟煤粘结指数专用无烟煤技术条件
- 3 GB 7956.3-2014 消防车 第3部分:泡沫消防车
- 4 GB/T 42439-2023 锑矿石化学物相分析方法 锑华、辉锑矿和锑酸盐中锑含量的测定
- 5 GB/T 16455-2008 条式和框式水平仪
- 6 GB/T 15502-1995 空气质量 苯胺类的测定 盐酸萘乙二胺分光光度法
- 7 GB/T 18400.9-2007 加工中心检验条件 第9部分:刀具交换和托板交换操作时间的评定
- 8 GB/T 31490.1-2015 社区信息化 第1部分:总则
- 9 GB/T 2878.2-2011 液压传动连接 带米制螺纹和O形圈密封的油口和螺柱端 第2部分:重型螺柱端(S系列)
- 10 GB/T 2652-2022 金属材料焊缝破坏性试验 熔化焊接头焊缝金属纵向拉伸试验

关闭预览
