GB/T 6809.4-2007 往复式内燃机 零部件和系统术语 第4部分:增压及进排气管系统
GB/T 6809.4-2007 Reciprocating internal combustion engines—Vocabulary of components and systems—Part 4:Pressure charging and air/exhaust gas ducting systems
国家标准
中文简体
现行
页数:16页
|
格式:PDF
基本信息
标准号
GB/T 6809.4-2007
相关服务
仅限个人学习交流使用
标准类型
国家标准
标准状态
现行
中国标准分类号(CCS)
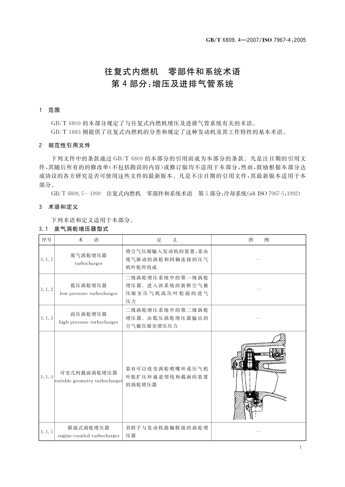
J90 往复式内燃机 零部件和系统术语 第4部分:增压及进排气管系统
国际标准分类号(ICS)
27.020
发布日期
2007-06-25
实施日期
2007-11-01
发布单位/组织
中华人民共和国国家质量监督检验检疫总局、中国国家标准化管理委员会
归口单位
全国内燃机标准化技术委员会
适用范围
-
发布历史
-
2007-11
文前页预览
免费预览已结束,剩余部分可下载查看
研制信息
- 起草单位:
- 上海内燃机研究所
- 起草人:
- 陈云清、计维斌、谢亚平、宋国婵、瞿俊鸣
- 出版信息:
- 页数:16页 | 字数:24 千字 | 开本: 大16开
推荐标准
- JJG 1118-2015 电子汽车衡(衡器载荷测量仪法) 2015-08-24
- GB 29441-2012 稀硝酸单位产品能源消耗限额 2012-12-31
- GB/T 5750.13-2006 生活饮用水标准检验方法 放射性指标 2006-12-29
- GB/T 19688.3-2005 信息与文献 书目数据元目录 第3部分:情报检索 2005-03-23
- GB/T 31096-2014 燃煤助燃剂技术条件 2014-12-22
- FZ/T 62011.3-2016 布艺类产品 第3部分:家具用纺织品 2016-10-22
- GB 38696-2025 眼面部防护 强光源(非激光)防护具 2025-08-29
- LY/T 3113-2019 东北虎野外种群及栖息地监测技术规程 2019-10-23
- GB/T 20159.2-2008 环境条件分类 环境条件分类与环境试验之间的关系及转换指南 运输 2008-12-30
- GB/T 7582-2004 声学 听阈与年龄关系的统计分布 2004-05-13
相似标准推荐
更多>- 1 GB/T 22084.1-2008 含碱性或其他非酸性电解质的蓄电池和蓄电池组——便携式密封单体蓄电池 第1部分:镉镍电池
- 2 GB/T 22324.2-2008 藏红花 第2部分:试验方法
- 3 GB/T 37674-2019 再制造 电刷镀技术规范
- 4 GB/T 21444-2008 青海湖裸鲤
- 5 GB/T 11848.6-2025 铀矿石浓缩物分析方法 第6部分:氟的测定 离子选择性电极法
- 6 JJG 1127-2016 钢轨磨耗测量器
- 7 GB/T 20651.2-2014 往复式内燃机 安全 第2部分:点燃式发动机
- 8 GB/T 25892.6-2010 信息技术 维吾尔文、哈萨克文、柯尔克孜文编码字符集 32点阵字型 第6部分:如克黑体
- 9 MZ/T 039-2013 老年人能力评估
- 10 GB/T 7165.4-2008 气态排出流(放射性)活度连续监测设备 第4部分:放射性碘监测仪的特殊要求

关闭预览
