GB/T 6809.8-2010 往复式内燃机 零部件和系统术语 第8部分:起动系统
GB/T 6809.8-2010 Reciprocating internal combustion engines—Vocabulary of components and systems—Part 8:Starting systems
国家标准
中文简体
现行
页数:12页
|
格式:PDF
基本信息
标准号
GB/T 6809.8-2010
相关服务
仅限个人学习交流使用
标准类型
国家标准
标准状态
现行
中国标准分类号(CCS)
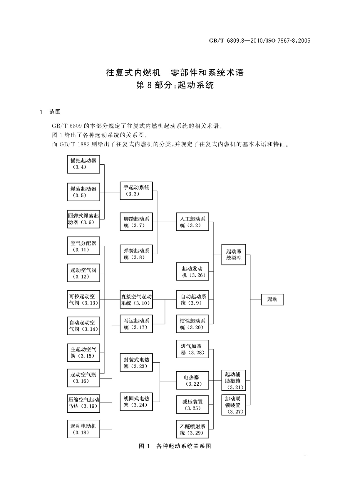
J91 往复式内燃机 零部件和系统术语 第8部分:起动系统
国际标准分类号(ICS)
27.020
发布日期
2010-11-10
实施日期
2011-03-01
发布单位/组织
中华人民共和国国家质量监督检验检疫总局、中国国家标准化管理委员会
归口单位
全国内燃机标准化技术委员会(SAC/TC 177)
适用范围
-
发布历史
-
2000-09
-
2011-03
文前页预览
免费预览已结束,剩余部分可下载查看
研制信息
- 起草单位:
- 上海内燃机研究所
- 起草人:
- 谢亚平、计维斌、宋国婵、瞿俊鸣
- 出版信息:
- 页数:12页 | 字数:13 千字 | 开本: 大16开
推荐标准
- GB/T 39969-2021 建筑用通风百叶窗通风及防雨性能检测方法 2021-04-30
- GB/T 6150.1-2008 钨精矿化学分析方法 三氧化钨量的测定 钨酸铵灼烧重量法 2008-03-31
- GB/T 31296-2014 混凝土防腐阻锈剂 2014-12-05
- LY/T 3124-2019 植物新品种特异性、一致性、稳定性测试指南 簕竹属 2019-10-23
- YC/T 478-2013 烟草商业企业卷烟物流配送中心安全管理规范 2013-08-24
- GB/T 19000.4-1995 质量管理和质量保证标准 第4部分:可信性大纲管理指南 1995-11-14
- GB 27881-2011 水下高电压设备作业安全要求 2011-12-30
- YS/T 429.2-2012 铝幕墙板 第2部分:有机聚合物喷涂铝单板 2012-11-07
- YS/T 520.1-2007 镓化学分析方法 第1部分:铜含量的测定 2,9-二甲基-4,7-二苯基-1,10-二氮杂菲分光光度法 2007-11-14
- GB 16542-1996 罐笼安全技术要求 1996-09-25
相似标准推荐
更多>- 1 GB/T 14199-1993 盒式助听器总技术条件
- 2 GB/T 15947-2001 用于行政、商业和运输业电子数据交换的报文设计规则
- 3 JJF 1801-2020 线速度测量仪校准规范
- 4 GB 4395-1992 化学泡沫灭火器用灭火剂
- 5 FZ/T 33014-2012 亚麻(或大麻)涤纶混纺本色布
- 6 GB 15892-2003 水处理剂 聚氯化铝
- 7 GB/T 5009.132-2003 食品中莠去津残留量的测定
- 8 GB/T 15492-2009 残疾人轮椅篮球和游泳运动员功能分级
- 9 GBZ/T(卫生) 240.6-2011 化学品毒理学评价程序和试验方法 第6部分:急性皮肤刺激性/腐蚀性试验
- 10 GB/T 6002.17-2025 纺织机械术语 第17部分:环锭捻线机

关闭预览
