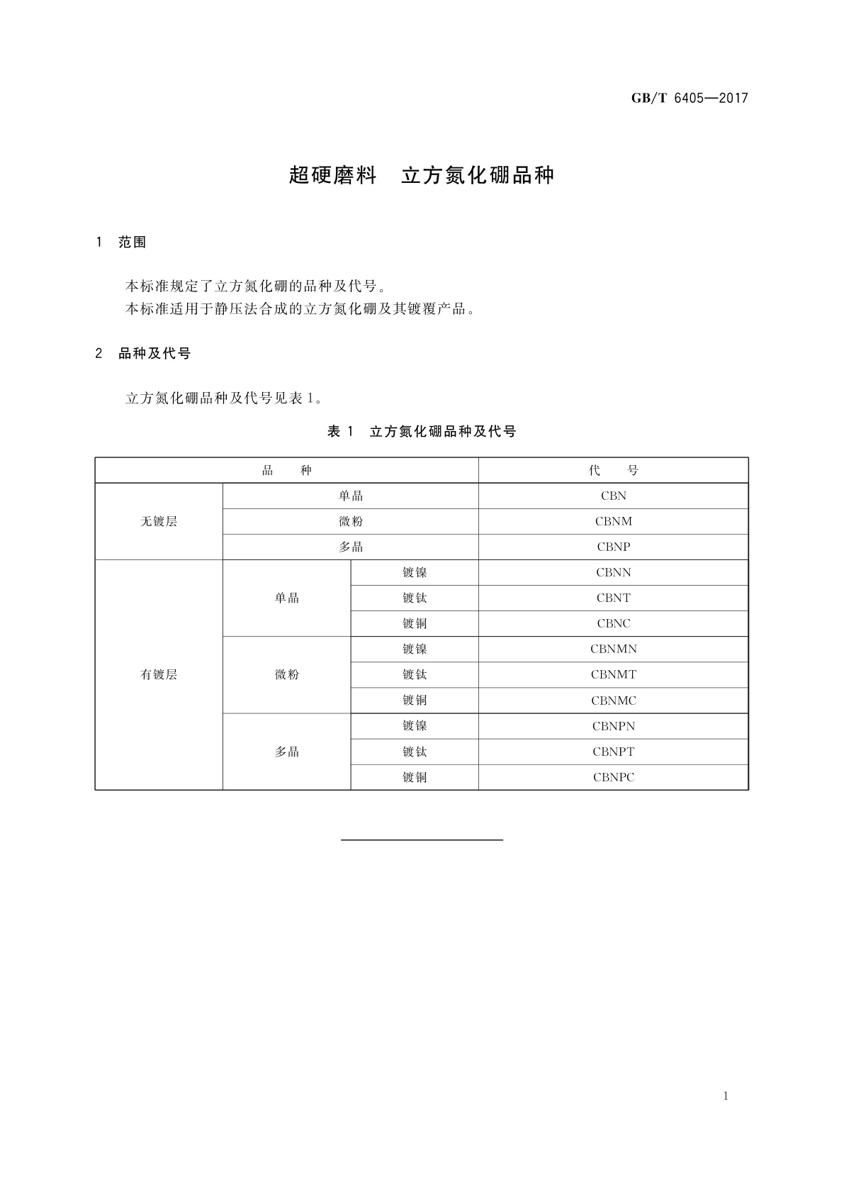
GB/T 6405-2017 超硬磨料 立方氮化硼品种
GB/T 6405-2017 Superabrasive—Types of cubic boron nitride
国家标准
中文简体
现行
页数:8页
|
格式:PDF
基本信息
标准号
GB/T 6405-2017
相关服务
仅限个人学习交流使用
标准类型
国家标准
标准状态
现行
中国标准分类号(CCS)
J43 超硬磨料 立方氮化硼品种
国际标准分类号(ICS)
25.100.70
发布日期
2017-12-29
实施日期
2018-07-01
发布单位/组织
中华人民共和国国家质量监督检验检疫总局、中国国家标准化管理委员会
归口单位
全国磨料磨具标准化技术委员会(SAC/TC 139)
适用范围
-
发布历史
-
1995-09
-
2018-07
文前页预览
免费预览已结束,剩余部分可下载查看
研制信息
- 起草单位:
- 郑州磨料磨具磨削研究所有限公司、富耐克超硬材料股份有限公司、郑州中南杰特超硬材料有限公司
- 起草人:
- 包华、张良、吴建中、张相法、张仪、范林、鲁翠莲
- 出版信息:
- 页数:8页 | 字数:4 千字 | 开本: 大16开
推荐标准
- GB/T 14542-2005 运行变压器油维护管理导则 2005-02-06
- GB/T 20333-2006 圆柱和圆锥管螺纹丝锥的基本尺寸和标志 2006-07-20
- GB/T 795-2008 卤代烷灭火系统及零部件 2008-04-10
- GB/T 17375-2008 动植物油脂 灰分测定 2008-08-22
- GB/T 21711.10-2025 基础机电继电器 第10部分:大容量继电器附加功能特性和安全要求 2025-05-30
- GB/T 18750-2002 生活垃圾焚烧锅炉 2002-06-21
- GB/T 1592.2-2016 农业拖拉机 后置动力输出轴1、2、3和4型 第2部分:窄轮距拖拉机防护罩尺寸和空隙范围 2016-02-24
- GB/T 29198-2012 No.7信令与IP互通适配层技术要求 消息传递部分(MTP)第二级对等适配层(M2PA) 2012-12-31
- GB/T 37027-2018 信息安全技术 网络攻击定义及描述规范 2018-12-28
- SH/T 0059-1996 润滑油蒸发损失测定法(诺亚克法) 1996-05-24
相似标准推荐
更多>- 1 GB/T 38371.2-2020 数字内容对象存储、复用与交换规范 第2部分:对象封装、存储与交换
- 2 FZ/T 10016-2011 纺织上浆用聚丙烯酸类浆料试验方法 不挥发物含量测定
- 3 GB/T 17645.511-2010 工业自动化系统与集成 零件库 第511部分:机械系统和通用件:紧固件参考字典
- 4 GB/T 15262-1994 环境空气 二氧化硫的测定 甲醛吸收-副玫瑰苯胺分光光度法
- 5 GB/T 32697-2016 塑料 酚醛树脂 萃取液电导率的测定
- 6 GM/T 0143-2024 对称密钥管理系统检测规范
- 7 GB 7956.3-2014 消防车 第3部分:泡沫消防车
- 8 GA/T 2000.148-2015 公安信息代码 第148部分:网上督察问题分类与代码
- 9 GB/T 15629.1103-2006 信息技术 系统间远程通信和信息交换局域网和城域网 特定要求 第11部分:无线局域网媒体访问控制和物理层规范:附加管理域操作规范
- 10 GB/T 13816-1992 焊接接头脉动拉伸疲劳试验方法

关闭预览
