GB/T 6409.2-2009 超硬磨料制品 金刚石或立方氮化硼磨具 形状和尺寸
GB/T 6409.2-2009 Superabrasives—Diamond or cubic boron nitride grinding tools—Shapes and dimensions
国家标准
中文简体
被代替
页数:40页
|
格式:PDF
基本信息
标准号
GB/T 6409.2-2009
相关服务
仅限个人学习交流使用
标准类型
国家标准
标准状态
被代替
中国标准分类号(CCS)
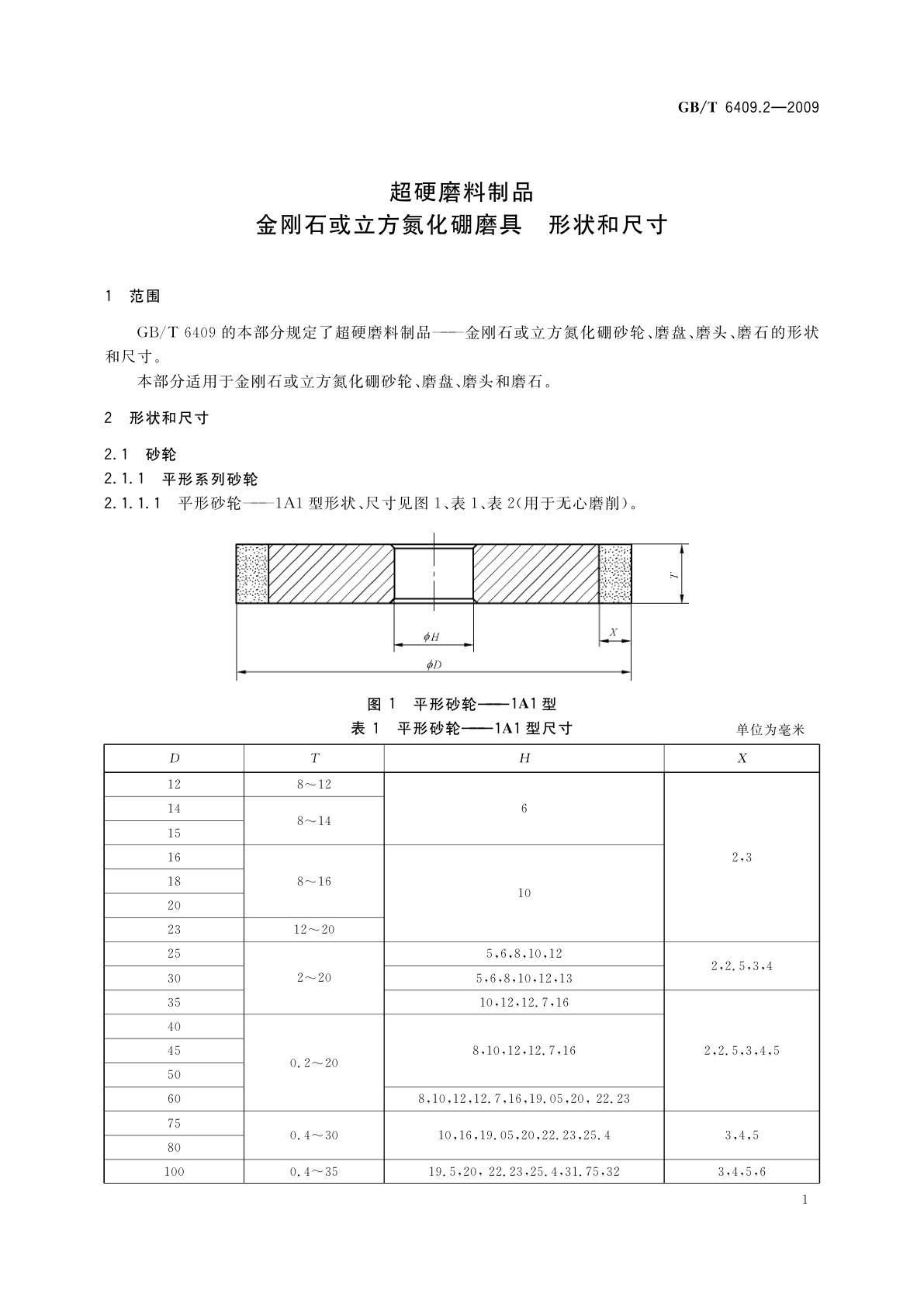
J43 超硬磨料制品 金刚石或立方氮化硼磨具 形状和尺寸
国际标准分类号(ICS)
25.100.70
发布日期
2009-04-23
实施日期
2009-12-01
发布单位/组织
中华人民共和国国家质量监督检验检疫总局、中国国家标准化管理委员会
归口单位
全国磨料磨具标准化技术委员会(SAC/TC 139)
适用范围
-
发布历史
-
1997-02
-
2009-12
文前页预览
免费预览已结束,剩余部分可下载查看
研制信息
- 起草单位:
- 郑州磨料磨具磨削研究所、浙江超硬磨具有限公司
- 起草人:
- 郭凤英、吕申峰、吕月珍、包华、朱嘉、孙黔阳
- 出版信息:
- 页数:40页 | 字数:67 千字 | 开本: 大16开
推荐标准
- GB/T 30121-2013 工业铂热电阻及铂感温元件 2013-12-17
- GB/T 44147-2024 液相色谱与原子荧光光谱联用仪性能测试方法 2024-06-29
- TY/T 3701.5-2019 搏击运动护具使用要求与试验方法 第5部分:护头 2019-12-19
- YY 0777-2023 射频热疗设备 2023-01-13
- GB/T 40080-2021 钢管无损检测 用于确认无缝和焊接钢管(埋弧焊除外)水压密实性的自动电磁检测方法 2021-04-30
- FZ/T 75006-1994 涂层织物水浸尽寸变化试验方法 1994-10-07
- JG/T 233-2008 建筑门窗用通风器 2008-06-03
- GB/T 28467-2012 涤纶绣花线色卡 2012-06-29
- GB/T 20159.5-2008 环境条件分类 环境条件分类与环境试验之间的关系及转换指南 地面车辆使用 2008-12-30
- GB/T 20749-2006 牛尿中β-雌二醇残留量的测定 气相色谱-负化学电离质谱法 2006-12-31
相似标准推荐
更多>- 1 GA 422-2008 防暴盾牌
- 2 GB/T 30553-2023 基于电压源换流器的高压直流输电
- 3 FZ/T 90090-1997 纺织机械 染整机木械导布辊 主要尺寸、技术要求
- 4 GB/T 26272-2010 地面数字电视调谐器基本性能要求和测量方法
- 5 GB/T 7531-2008 有机化工产品灼烧残渣的测定
- 6 SC/T 8086-1994 渔船制冷机组安装技术要求
- 7 GB/T 35184-2017 袋式除尘器用过滤单元设计及安装技术要求
- 8 GB/T 3654.1-1983 铌铁化学分析方法 纸上色层分离重量法测定铌、钽量
- 9 YY/T 0606.25-2014 组织工程医疗产品 第25部分:动物源性生物材料DNA残留量测定法:荧光染色法
- 10 GB/T 32101-2015 麦芽糖醇和麦芽糖醇液(工业用)

关闭预览
