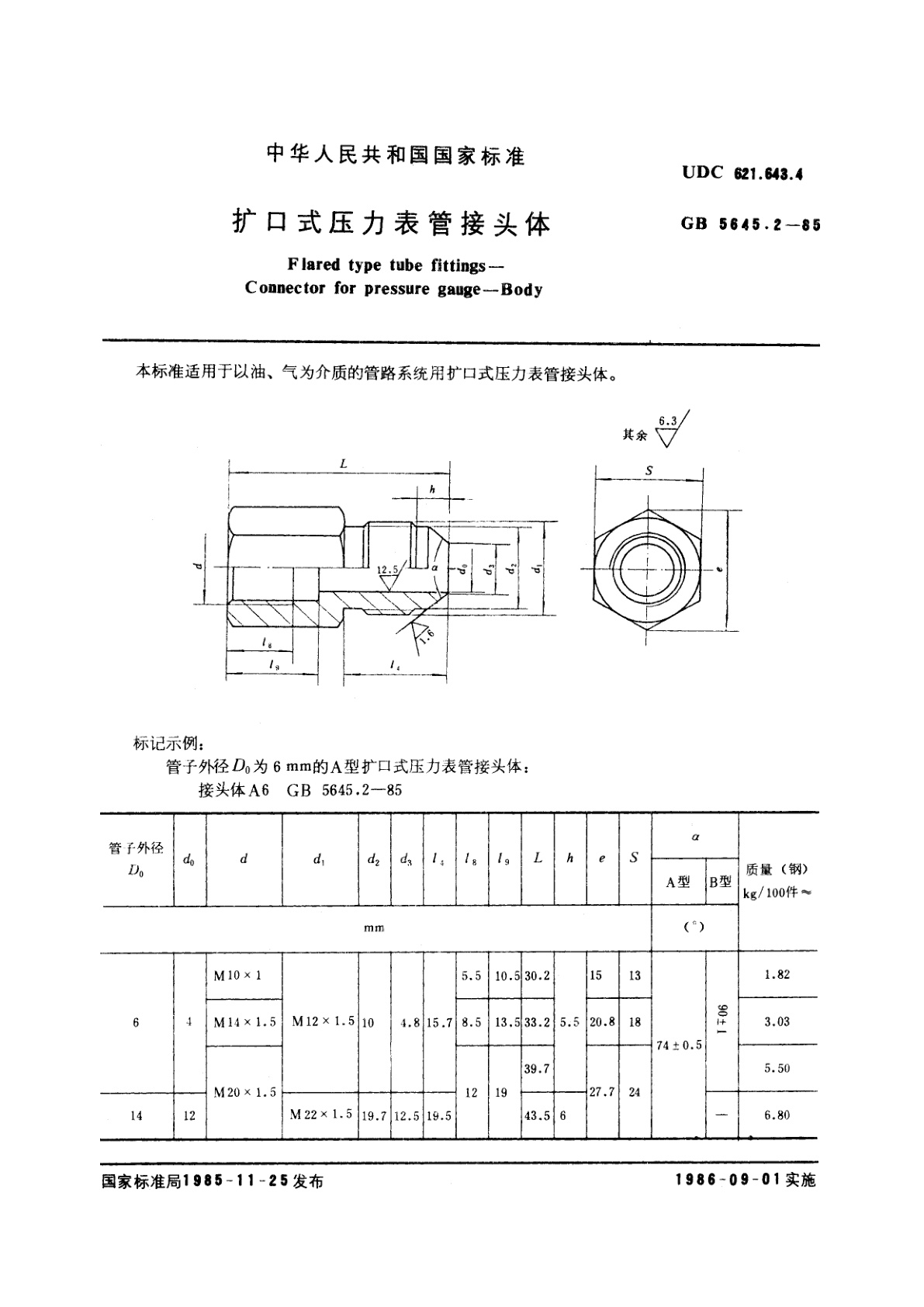
GB/T 5645.2-1985 扩口式压力表管接头体
GB/T 5645.2-1985 Flared type tube fittings—Connector for pressure gauge—Body
国家标准
中文版
被代替
页数:4页
|
格式:PDF
基本信息
标准号
GB/T 5645.2-1985
相关服务
仅限个人学习交流使用
标准类型
国家标准
标准状态
被代替
中国标准分类号(CCS)
J15 扩口式压力表管接头体
国际标准分类号(ICS)
23.040.60
发布日期
1985-11-25
实施日期
1986-09-01
发布单位/组织
国家标准局
归口单位
机械工业部标准化研究所
适用范围
-
发布历史
-
1986-09
文前页预览
免费预览已结束,剩余部分可下载查看
研制信息
- 起草单位:
- 机械工业部标准化研究所、上海液压附件厂、长春汽车研究所、上海液压气动研究所
- 起草人:
- 胡鲁生、李宁宁、张乾龙
- 出版信息:
- 页数:4页 | 字数:3 千字 | 开本: 大16开
推荐标准
- GB/T 14326-1993 苯中二硫化碳含量的测定方法 1993-03-29
- GB/T 16896.2-2016 高电压和大电流试验测量用仪器和软件 第2部分:对冲击电压和冲击电流试验用软件的要求 2016-02-24
- YS/T 629.5-2007 高纯氧化铝化学分析方法 氧化钙、氧化镁含量的测定 电感耦合等离子体原子发射光谱法 2007-04-13
- GB/T 35020-2018 全断面隧道掘进机 单护盾-土压平衡双模式掘进机 2018-05-14
- LY/T 1532-2021 油橄榄 2021-06-30
- GB/T 2030-2008 青铜吸入通海阀 2008-08-04
- LY/T 2072-2012 木材干燥生产综合能耗 2012-02-23
- GB/T 34831-2017 纳米技术 贵金属纳米颗粒电子显微镜成像 高角环形暗场法 2017-11-01
- GB/T 5751-2009 中国煤炭分类 2009-06-01
- GB/T 34981.2-2017 机构编制统计及实名制管理系统数据规范 第2部分:代码集 2017-11-01
相似标准推荐
更多>- 1 GB/T 34530.2-2017 低温绝热气瓶用阀门 第2部分:截止阀
- 2 GB 1886.94-2016 食品安全国家标准 食品添加剂 亚硝酸钾
- 3 GB/T 40139-2021 材料表面积的测量 高光谱成像三维面积测量法
- 4 GB/T 15067.2-2016 不锈钢餐具
- 5 YY/T 0165-2007 热垫式治疗仪
- 6 GB/T 40108-2021 人文社会科学期刊评价
- 7 GA/T 974.47-2011 消防信息代码 第47部分:消防训练课目分类与代码
- 8 GB/Z 33750-2017 物联网 标准化工作指南
- 9 SB/T 11120-2015 衣物织补规范
- 10 GB/T 6730.47-1986 铁矿石化学分析方法 氯代磺酚S光度法测定铌量

关闭预览
