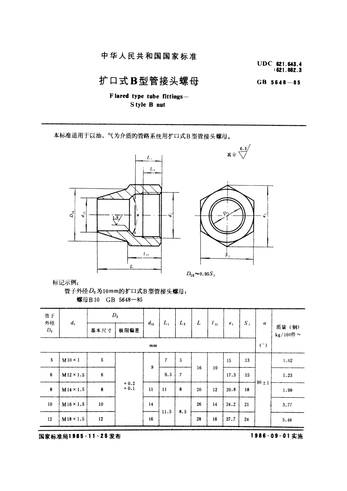
GB/T 5648-1985 扩口式 B型管接头螺母
GB/T 5648-1985 Flared type tube fittings—Style B nut
国家标准
中文版
被代替
页数:4页
|
格式:PDF
基本信息
标准号
GB/T 5648-1985
相关服务
仅限个人学习交流使用
标准类型
国家标准
标准状态
被代替
中国标准分类号(CCS)
J15 扩口式 B型管接头螺母
国际标准分类号(ICS)
23.040.60
发布日期
1985-11-25
实施日期
1986-09-01
发布单位/组织
国家标准局
归口单位
机械工业部标准化研究所
适用范围
-
发布历史
-
1986-09
文前页预览
免费预览已结束,剩余部分可下载查看
研制信息
- 起草单位:
- 机械工业部标准化研究所、上海液压附件厂、长春汽车研究所、上海液压气动研究所
- 起草人:
- 胡鲁生、李宁宁、张乾龙
- 出版信息:
- 页数:4页 | 字数:3 千字 | 开本: 大16开
推荐标准
- HY/T 199-2016 海岛命名技术规范 2016-05-05
- GB/T 22661.1-2008 氟硼酸钾化学分析方法 第1部分:试样的制备和贮存 2008-12-29
- GB/T 4074.3-2008 绕组线试验方法 第3部分:机械性能 2008-04-23
- GB/T 27938-2011 滑动轴承 止推垫圈 失效损坏术语、外观特征及原因 2011-12-30
- LY/T 1056-2012 森林工程 林业架空索道 设计规范 2012-02-23
- GB 8072-1987 温石棉取样、制样方法 1987-07-15
- GB/T 22632-2008 门扇 抗硬物撞击性能检测方法 2008-12-24
- GB/Z 43202.1-2024 机器人 GB/T 36530的应用 第1部分:安全相关试验方法 2024-08-23
- GB/T 21271-2007 真空技术 真空泵噪声测量 2007-12-02
- GB/T 23811-2009 食品安全风险分析工作原则 2009-05-27
相似标准推荐
更多>- 1 GB/T 647-2011 化学试剂 硝酸钾
- 2 FZ/T 54033-2010 锦纶6高取向丝(HOY)
- 3 GB 4789.10-2016 食品安全国家标准 食品微生物学检验 金黄色葡萄球菌检验
- 4 GB/T 912-2008 碳素结构钢和低合金结构钢热轧薄钢板和钢带
- 5 JJF 1245.5-2019 安装式交流电能表型式评价大纲 功能要求
- 6 GB/T 39795-2021 普通用途输送带 导电性和可燃性安全要求
- 7 GB/T 19212.24-2005 电力变压器、电源装置和类似产品的安全 第24部分:建筑工地用变压器的特殊要求
- 8 LY/T 2740-2016 植物新品种特异性、一致性、稳定性测试指南 红豆杉属
- 9 GB/T 28029.12-2020 轨道交通电子设备 列车通信网络(TCN) 第3-4部分:以太网编组网(ECN)
- 10 GB/T 36580-2018 船舶螺旋桨空泡脉动压力模型试验方法

关闭预览
