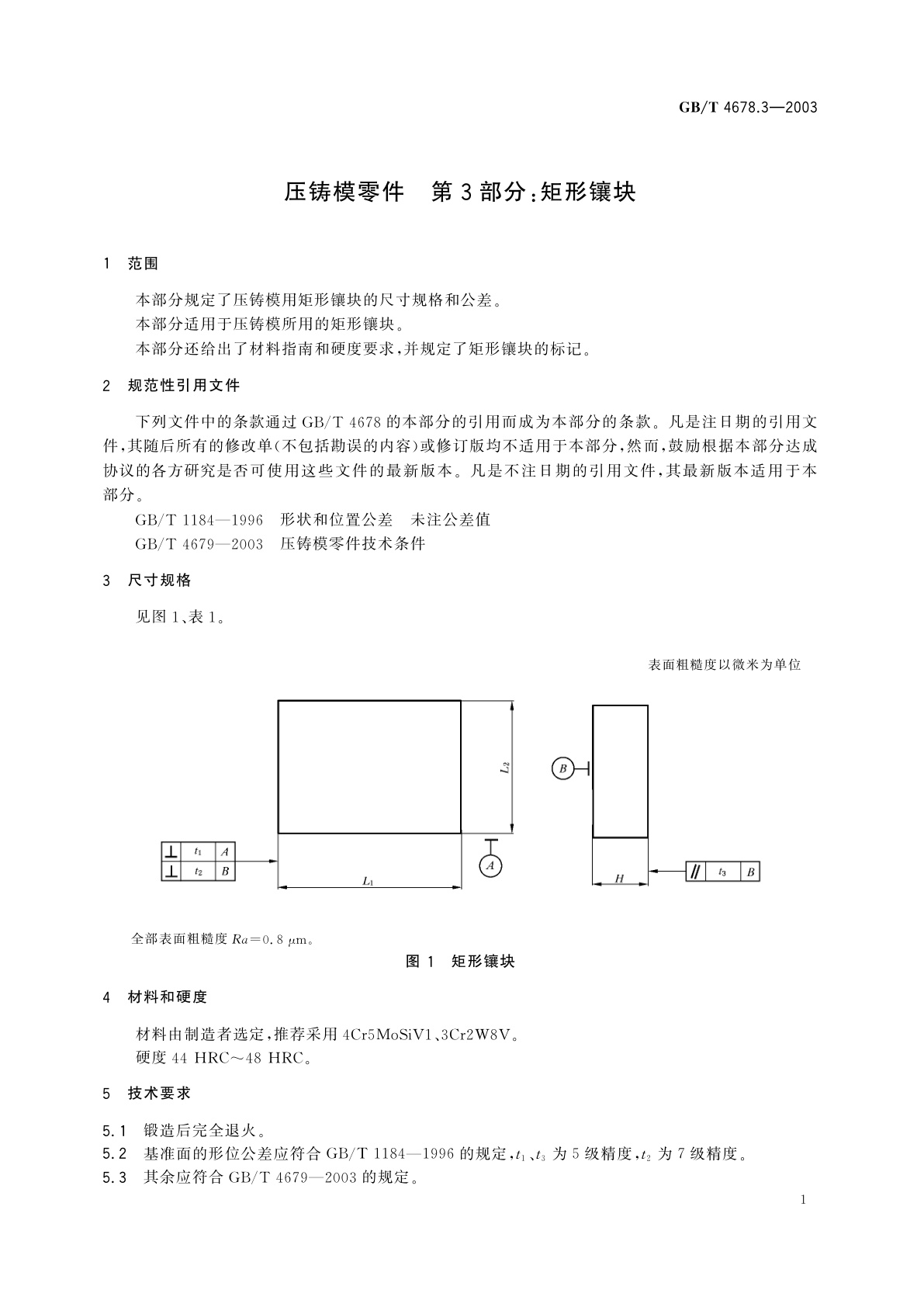
GB/T 4678.3-2003 压铸模零件 第3部分:矩形镶块
GB/T 4678.3-2003 Die-casting die components—Part 3:Rectangular insert block
国家标准
中文简体
被代替
页数:8页
|
格式:PDF
基本信息
标准号
GB/T 4678.3-2003
相关服务
仅限个人学习交流使用
标准类型
国家标准
标准状态
被代替
中国标准分类号(CCS)
J46 压铸模零件 第3部分:矩形镶块
国际标准分类号(ICS)
25.120.30
发布日期
2003-07-23
实施日期
2004-03-01
发布单位/组织
中华人民共和国国家质量监督检验检疫总局
归口单位
全国模具标准化技术委员会(SAC/TC 33)
适用范围
-
发布历史
-
2004-03
文前页预览
免费预览已结束,剩余部分可下载查看
研制信息
- 起草单位:
- 上海皮尔博格有色零部件有限公司、广州型腔模具厂、桂林电器科学研究所、东风科技汽车制动系统公司、成都兴光压铸工业有限公司
- 起草人:
- 张连根、蔡紫金、翁史振、冯伯淳、廖宏谊、杨召岭、黄志禄、李红英
- 出版信息:
- 页数:8页 | 字数:8 千字 | 开本: 大16开
推荐标准
- GB/T 3517-2002 天然生胶 塑性保持率(PRI)的测定 2002-02-19
- CJ/T 157-2002 家用燃气灶具用涂层钢化玻璃面板 2003-01-14
- GB/T 11318.10-1996 电视和声音信号的电缆分配系统设备与部件 第10部分:分配器和用户分支器通用规范 1996-09-09
- GB/T 3836.24-2017 爆炸性环境 第24部分:由特殊型“s”保护的设备 2017-12-29
- GB/T 15144-1994 管形荧光灯用交流电子镇流器性能要求 1994-07-07
- GB/T 45534-2025 纸包挂面包装生产线通用技术要求 2025-04-25
- SB/T 10407-2007 丝素与丝胶 2007-01-25
- GB/T 4857.18-1992 包装 运输包装件 编制性能试验大纲的定量数据 1992-11-25
- JG/T 569-2019 建筑装饰用木质挂板通用技术条件 2019-07-18
- YY/T 0292.2-2020 医用诊断X射线辐射防护器具 第2部分:透明防护板 2020-02-25
相似标准推荐
更多>- 1 GB/T 26703-2021 皮鞋跟面耐磨性能试验方法
- 2 GB/T 4154-2015 氧化镧
- 3 GB/T 30850.2-2014 电子政务标准化指南 第2部分:工程管理
- 4 GB/T 42125.14-2023 测量、控制和实验室用电气设备的安全要求 第14部分:实验室用分析和其他目的自动和半自动设备的特殊要求
- 5 GB/T 9978-1999 建筑构件耐火试验方法
- 6 GB/T 20014.7-2008 良好农业规范 第7部分:牛羊控制点与符合性规范
- 7 GB 16776-2025 建筑用硅酮结构密封胶
- 8 GB/T 15722-2009 残疾人坐地排球运动员参赛资格的医学标准
- 9 GB/T 8654.8-1988 金属锰化学分析方法 红外线吸收法测定碳量
- 10 GA/T 2015-2023 芬太尼类药物专用智能柜通用技术规范

关闭预览
