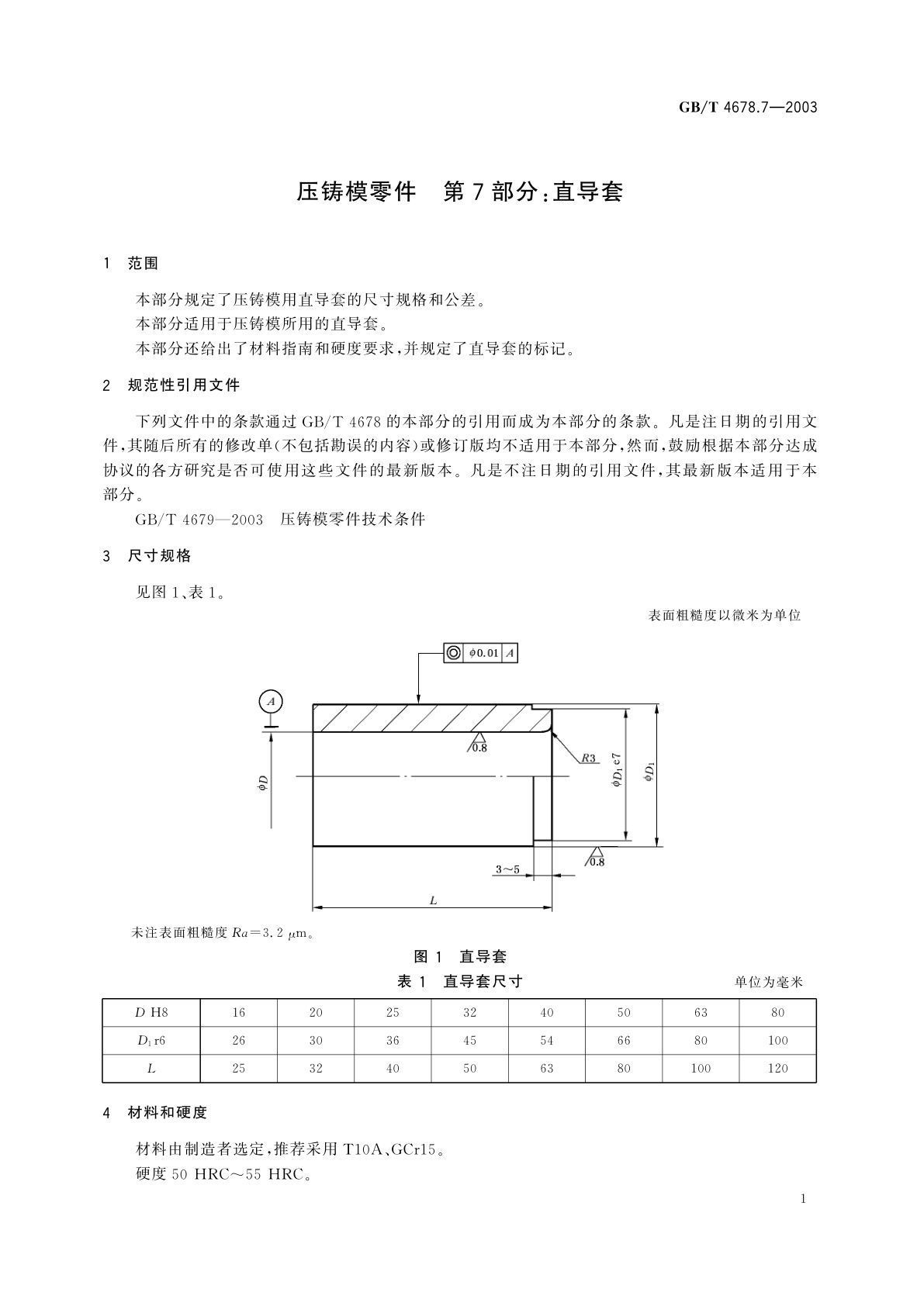
GB/T 4678.7-2003 压铸模零件 第7部分:直导套
GB/T 4678.7-2003 Die-casting die components—Part 7:Straight guide bush
国家标准
中文简体
被代替
页数:8页
|
格式:PDF
基本信息
标准号
GB/T 4678.7-2003
相关服务
仅限个人学习交流使用
标准类型
国家标准
标准状态
被代替
中国标准分类号(CCS)
J46 压铸模零件 第7部分:直导套
国际标准分类号(ICS)
25.120.30
发布日期
2003-07-23
实施日期
2004-03-01
发布单位/组织
中华人民共和国国家质量监督检验检疫总局
归口单位
全国模具标准化技术委员会(SAC/TC 33)
适用范围
-
发布历史
-
2004-03
文前页预览
免费预览已结束,剩余部分可下载查看
研制信息
- 起草单位:
- 上海皮尔博格有色零部件有限公司、广州型腔模具厂、桂林电器科学研究所、东风科技汽车制动系统公司、成都兴光压铸工业有限公司
- 起草人:
- 张连根、蔡紫金、翁史振、冯伯淳、廖宏谊、杨召岭、黄志禄、李红英
- 出版信息:
- 页数:8页 | 字数:5 千字 | 开本: 大16开
推荐标准
- GB/T 4656-2008 技术制图 棒料、型材及其断面的简化表示法 2008-06-26
- GB/T 11853-2003 莫氏与公制圆锥量规 2003-11-10
- GB/T 15763.3-2025 建筑用安全玻璃 第3部分:夹层玻璃 2025-10-31
- SB/T 10868-2012 家用燃气快速热水器拆装和维修服务技术规范 2013-01-04
- HY/T 0323-2021 海水淡化与综合利用标准体系 2021-07-02
- YB/T 129-1997 塑料模具钢模块技术条件 1997-08-04
- GB/T 38652-2020 电子商务业务术语 2020-03-31
- GB/T 46502-2025 家用空调器用户体验评价规范 2025-10-05
- GB/T 4501-2008 载重汽车轮胎性能室内试验方法 2008-06-18
- GB 12476.1-2000 可燃性粉尘环境用电气设备 第1部分:用外壳和限制表面温度保护的电气设备 第1节 电气设备的技术要求 2000-10-17
相似标准推荐
更多>- 1 LY/T 3330-2022 森林土壤碳储量调查技术规程
- 2 GB/T 8286-2005 矿用隔爆型移动变电站
- 3 GB/T 15916-1995 表面活性剂 螯合剂含量的测定 滴定法
- 4 GB/T 12567-1990 直观存储管测试方法
- 5 GB/T 15623-1995 电液伺服阀试验方法
- 6 GB/T 9124-2010 钢制管法兰 技术条件
- 7 GB/T 21424-2008 低速货车燃油箱 安全性能要求和试验方法
- 8 GB/T 9331-2008 船舶电气装置 额定电压1 kV和3 kV挤包绝缘非径向电场单芯和多芯电力电缆
- 9 GB/T 26416.3-2022 稀土铁合金化学分析方法 第3部分:钙、镁、铝、镍、锰量的测定 电感耦合等离子体发射光谱法
- 10 YY/T 1673-2019 安非他明检测试剂盒(胶体金法)

关闭预览
