GB/T 4243-2017 莫氏锥柄长刃机用铰刀
GB/T 4243-2017 Long fluted machine reamers with Morse taper shanks
国家标准
中文简体
现行
页数:12页
|
格式:PDF
基本信息
标准号
GB/T 4243-2017
相关服务
仅限个人学习交流使用
标准类型
国家标准
标准状态
现行
中国标准分类号(CCS)
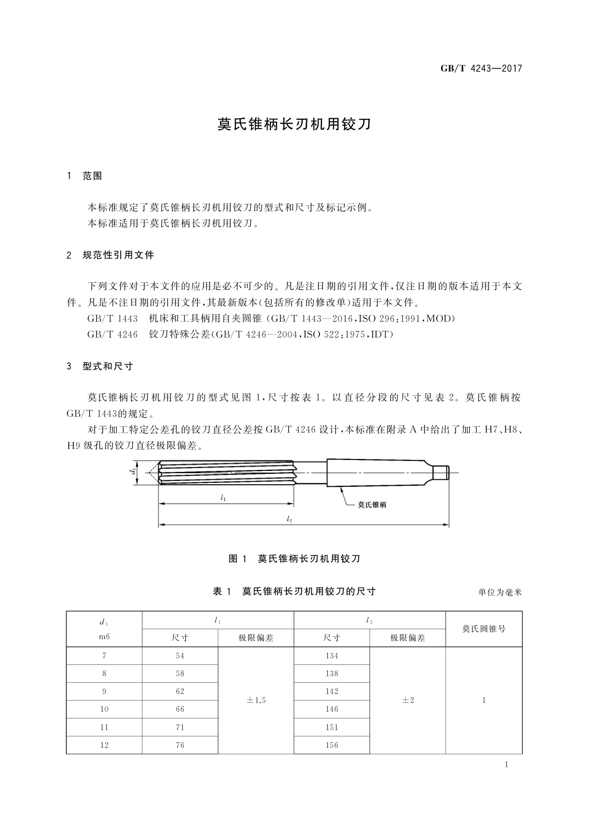
J41 莫氏锥柄长刃机用铰刀
国际标准分类号(ICS)
25.100.30
发布日期
2017-12-29
实施日期
2018-07-01
发布单位/组织
中华人民共和国国家质量监督检验检疫总局、中国国家标准化管理委员会
归口单位
全国刀具标准化技术委员会(SAC/TC 91)
适用范围
-
发布历史
-
2004-08
-
2018-07
文前页预览
免费预览已结束,剩余部分可下载查看
研制信息
- 起草单位:
- 成都工具研究所有限公司、常熟量具刃具厂
- 起草人:
- 曾宇环、邓智光、戴建平
- 出版信息:
- 页数:12页 | 字数:12 千字 | 开本: 大16开
推荐标准
- GB/T 6730.21-2016 铁矿石 锰含量的测定 高碘酸钾分光光度法 2016-10-13
- GB 15193.15-2015 食品安全国家标准 生殖毒性试验 2015-08-07
- GB/T 37913-2019 公共体育设施 安全使用规范 2019-08-30
- GB/T 4789.35-2008 食品卫生微生物学检验 食品中乳酸菌检验 2008-12-03
- GB/T 6113.104-2008 无线电骚扰和抗扰度测量设备和测量方法规范 第1-4部分:无线电骚扰和抗扰度测量设备 辅助设备 辐射骚扰 2008-01-12
- GB/T 39607-2020 卫星导航定位基准站数据传输和接口协议 2020-12-14
- GB/T 2-2001 紧固件 外螺纹零件的末端 2001-09-15
- GB/T 14707-1993 图像复制用校对符号 1993-11-16
- GB/T 9851.6-1990 印刷技术术语 凹版印刷术语 1990-11-15
- GB/T 18998.3-2003 工业用氯化聚氯乙烯(PVC-C)管道系统 第3部分:管件 2003-03-07
相似标准推荐
更多>- 1 GB/T 5998-1994 彩色显像管测试方法
- 2 GB/T 35165-2017 合成石材术语和分类
- 3 GB/T 15776-1995 造林技术规程
- 4 SC/T 8048-1994 渔船船体修理技术要求
- 5 GA/T 1213-2014 安防指静脉识别应用 3D数据技术要求
- 6 GB/T 36322-2018 信息安全技术 密码设备应用接口规范
- 7 GB 5009.12-2017 食品安全国家标准 食品中铅的测定
- 8 GB/T 22774-2008 机械闹钟
- 9 GBZ/T(卫生) 240.26-2011 化学品毒理学评价程序和试验方法 第26部分:慢性吸入毒性试验
- 10 JG/T 5067-1995 混凝土小型砌块生产成套设备

关闭预览
