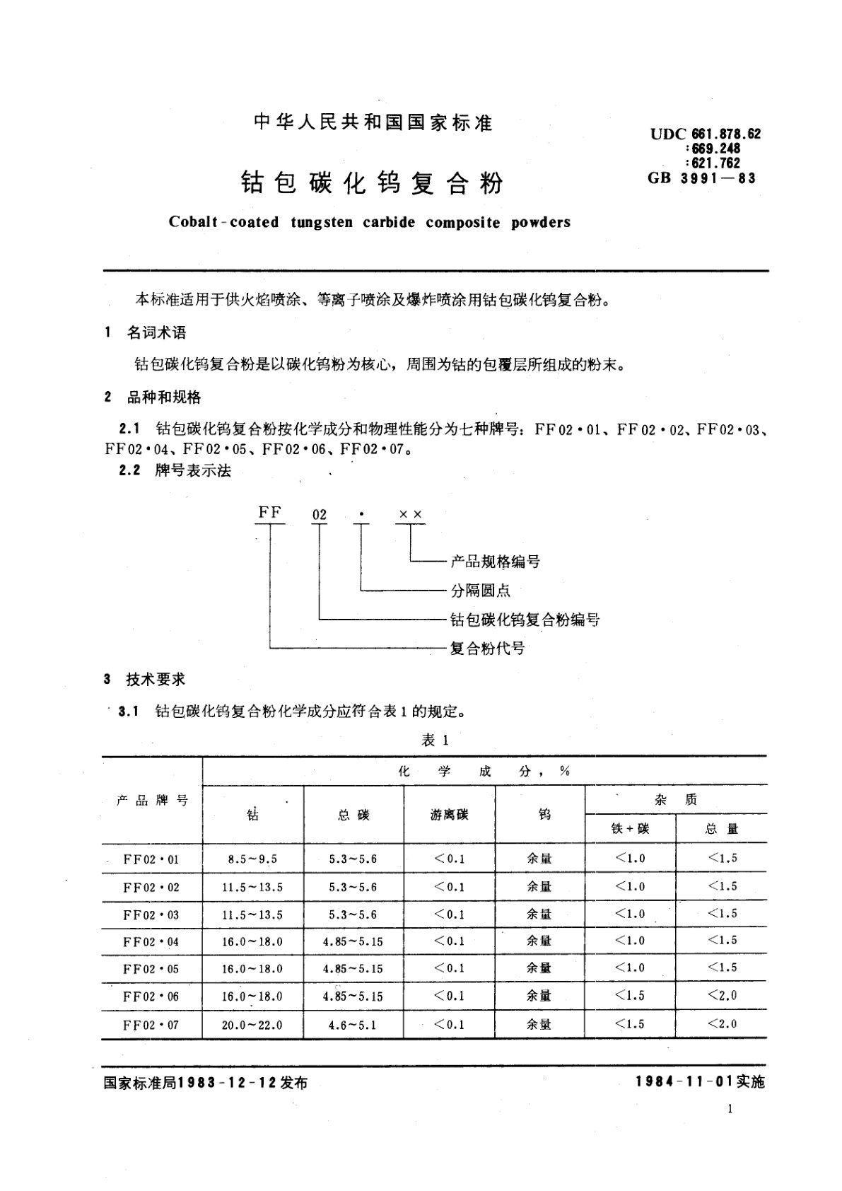
GB/T 3991-1983 钴包碳化钨复合粉
GB/T 3991-1983 Cobalt-coated tungsten carbide composite powders
国家标准
中文简体
废止转行标
页数:8页
|
格式:PDF
基本信息
标准号
GB/T 3991-1983
相关服务
仅限个人学习交流使用
标准类型
国家标准
标准状态
废止转行标
中国标准分类号(CCS)
H71 钴包碳化钨复合粉
国际标准分类号(ICS)
77.140.90
发布日期
1983-12-12
实施日期
1984-11-01
发布单位/组织
国家标准局
归口单位
适用范围
-
发布历史
-
1984-11
文前页预览
免费预览已结束,剩余部分可下载查看
研制信息
- 起草单位:
- 冶金部矿冶研究总院
- 起草人:
- 肖全贵
- 出版信息:
- 页数:8页 | 字数:6 千字 | 开本: 大16开
推荐标准
- GB/T 7376-1987 工业用氟代甲烷类中微量水分的测定 卡尔.费休法 1987-02-16
- GB/T 6026-1998 工业丙酮 1998-10-19
- GB/T 16791.1-1997 金融交易卡 集成电路卡与卡接受设备之间的报文 第1部分:概念与结构 1997-05-26
- GB 4706.67-2008 家用和类似用途电器的安全 水族箱和花园池塘用电器的特殊要求 2008-12-15
- GB/T 25684.2-2021 土方机械 安全 第2部分:推土机的要求 2021-12-31
- NB/T 10537-2021 矿用显示器 2021-01-07
- GA/T 2077-2023 法庭科学 弹丸和焊锡检验 差示扫描量热法 2023-03-01
- GB 29689-2013 食品安全国家标准 牛奶中甲砜霉素残留量的测定 高效液相色谱法 2013-09-16
- FZ/T 01057.1-2007 纺织纤维鉴别试验方法 第1部分:通用说明 2007-05-29
- GB/T 44682-2024 液压传动 水液压泵测试方法 2024-09-29
相似标准推荐
更多>- 1 FZ/T 50016-2011 粘胶短纤维阻燃性能试验方法氧指数法
- 2 FZ/T 92025-2008 DZ系列纺锭轴承
- 3 YS/T 591-2006 变形铝及铝合金热处理
- 4 GB/T 2940-2025 柴油机用喷油泵、调速器、 喷油器弹簧 技术规范
- 5 GB 6568.1-2000 带电作业用屏蔽服装
- 6 YS/T 358.2-2011 钽铁、铌铁精矿化学分析方法 第2部分:二氧化钛量的测定 双安替吡啉甲烷分光光度法
- 7 GB/T 15049.11-1997 CAD标准件图形文件 几何图形和特性规范 滚动轴承
- 8 GB/T 14791-1993 螺纹术语
- 9 GB/T 43216-2023 岩溶关键带监测技术要求
- 10 GB/Z 42963-2023 产业帮扶 竹产业项目运营管理指南

关闭预览
