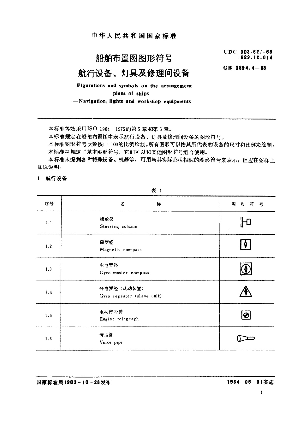
GB/T 3894.4-1983 船舶布置图图形符号 航行设备、灯具及修理间设备
GB/T 3894.4-1983 Figurations and symbols on the arrangement plans of ships—Navigation, lights and workshop equipments
国家标准
中文简体
被代替
页数:8页
|
格式:PDF
基本信息
标准号
GB/T 3894.4-1983
相关服务
仅限个人学习交流使用
标准类型
国家标准
标准状态
被代替
中国标准分类号(CCS)
U04 船舶布置图图形符号 航行设备、灯具及修理间设备
国际标准分类号(ICS)
47.020
发布日期
1983-10-28
实施日期
1984-05-01
发布单位/组织
国家标准局
归口单位
基础标准分委员会
适用范围
-
发布历史
-
1984-05
文前页预览
免费预览已结束,剩余部分可下载查看
研制信息
- 起草单位:
- 中国船舶及海洋工程设计研究院
- 起草人:
- 唐云澜、徐岚筠
- 出版信息:
- 页数:8页 | 字数:6 千字 | 开本: 大16开
推荐标准
- GB/T 7256-2005 民用机场灯具一般要求 2005-01-18
- GB/T 16263.5-2015 信息技术 ASN.1编码规则 第5部分:W3C XML模式定义到ASN.1的映射 2015-12-10
- GB/T 44624-2024 热环境的人类工效学 接触冷热表面时人体反应评价方法 2024-09-29
- GB/T 39385-2020 塑料管道系统 热塑性塑料管材 环柔性的测定 2020-11-19
- GB/T 4144-1984 程序设计语言 最小 BASIC 1984-01-03
- GB/T 11164-1999 真空镀膜设备通用技术条件 1999-04-08
- GB/T 13642-2015 硫化橡胶或热塑性橡胶 耐臭氧龟裂动态拉伸试验 2015-05-15
- GB/T 46502-2025 家用空调器用户体验评价规范 2025-10-05
- GB/T 43413-2023 无损检测 红外热成像检测 热弹性应力测量方法通则 2023-11-27
- GB/T 9695.18-1988 肉与肉制品 灰分测定 1988-09-05
相似标准推荐
更多>- 1 GB/T 5169.19-2006 电工电子产品着火危险试验 第19部分:非正常热 模压应力释放变形试验
- 2 GB/T 22973-2008 牛奶和奶粉中醋酸美仑孕酮、醋酸氯地孕酮和醋酸甲地孕酮残留量的测定 液相色谱-串联质谱法
- 3 GB/T 14685-2022 建设用卵石、碎石
- 4 GB/T 18965-2008 地理标志产品 烟台苹果
- 5 GB/T 30282-2013 信息安全技术 反垃圾邮件产品技术要求和测试评价方法
- 6 GB/T 14094-2016 卤钨灯(非机动车辆用) 性能要求
- 7 YY/T 1249-2014 游离前列腺特异性抗原定量标记免疫分析试剂盒
- 8 GB/T 37256-2018 建筑室外用格栅通用技术要求
- 9 WB/T 1045-2012 驶入式货架
- 10 GB/T 39851.3-2021 道路车辆 基于控制器局域网的诊断通信 第3部分:排放相关系统的需求

关闭预览
