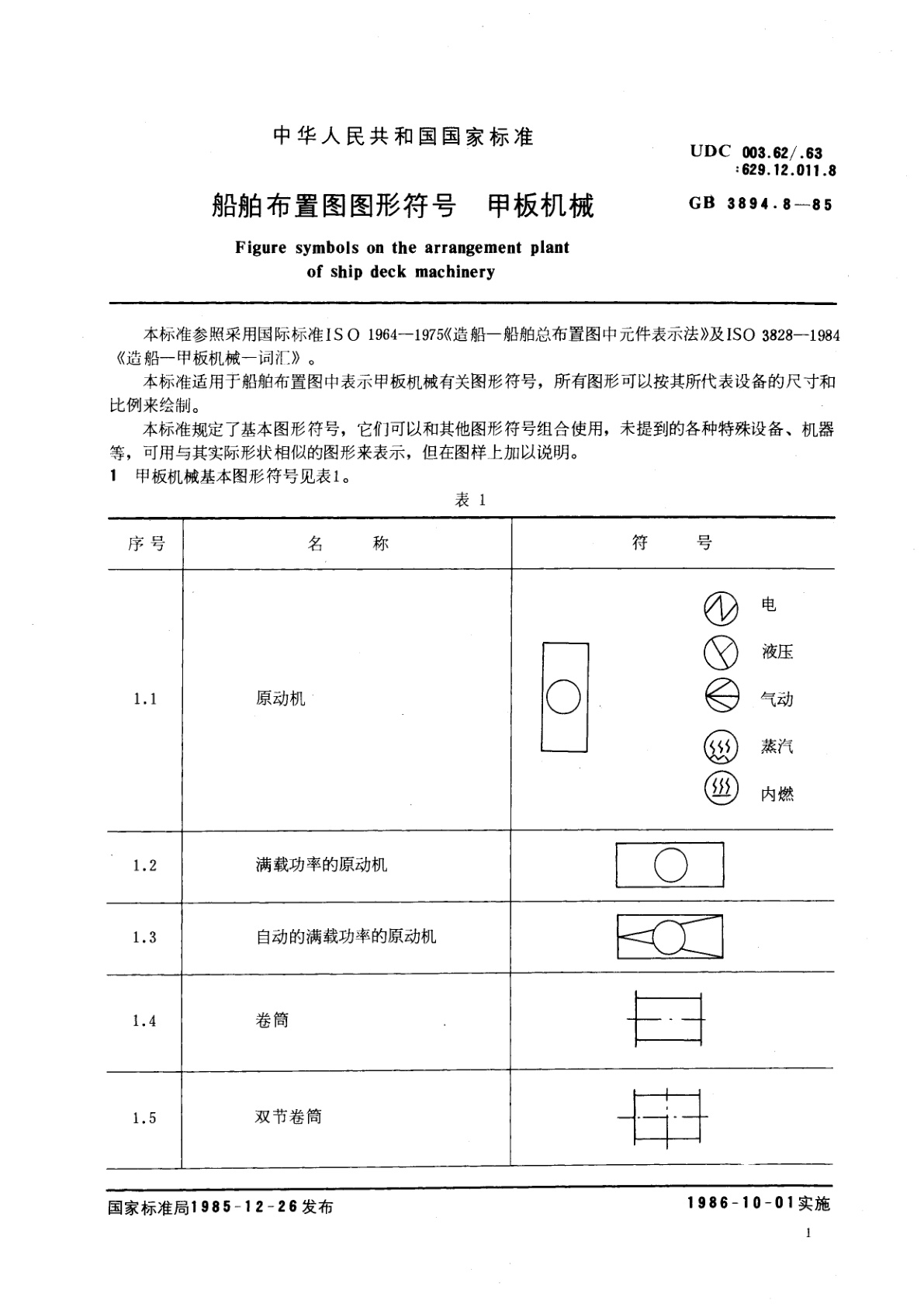
GB/T 3894.8-1985 船舶布置图图形符号 甲板机械
GB/T 3894.8-1985 Figure symbols on the arrangement plant of ship deck machinery
国家标准
中文版
被代替
页数:8页
|
格式:PDF
基本信息
标准号
GB/T 3894.8-1985
相关服务
仅限个人学习交流使用
标准类型
国家标准
标准状态
被代替
中国标准分类号(CCS)
U04 船舶布置图图形符号 甲板机械
国际标准分类号(ICS)
47.020
发布日期
1985-12-26
实施日期
1986-10-01
发布单位/组织
国家标准局
归口单位
全国船舶标准化技术委员会基础标准分委员会
适用范围
-
发布历史
-
1986-10
文前页预览
免费预览已结束,剩余部分可下载查看
研制信息
- 起草单位:
- 中国船舶工业总公司七院七○八所
- 起草人:
- 吴祖年
- 出版信息:
- 页数:8页 | 字数:7 千字 | 开本: 大16开
推荐标准
- GB/T 36175-2018 特殊结构的电子数显外径千分尺 2018-05-14
- GB/T 2978-2024 轿车轮胎规格、尺寸、气压与负荷 2024-09-29
- GB/T 5465.1-2009 电气设备用图形符号 第1部分:概述与分类 2009-03-13
- GB/T 5009.219-2008 粮谷中矮壮素残留量的测定 2008-12-03
- YY/T 1117-2024 石膏绷带 2024-07-08
- GB/T 12687.4-1990 农用硝酸稀土化学分析方法 火焰原子吸收光谱法测定汞含量 1990-12-30
- GB/T 2930.6-2017 草种子检验规程 健康测定 2017-11-01
- GB 4706.10-2003 家用和类似用途电器的安全 按摩器具的特殊要求 2003-06-05
- GB/T 27564-2011 工业用三异丙醇胺 2011-12-05
- YY/T 1706.1-2020 外科植入物 金属外科植入物等离子喷涂纯钛涂层 第1部分:通用要求 2020-02-21
相似标准推荐
更多>- 1 GB/T 17465.2-2009 家用和类似用途器具耦合器 第2部分:家用和类似设备用互连耦合器
- 2 GB 40560-2021 人民币现金机具鉴别能力技术规范
- 3 GB 11503-1989 职业性急性四乙基铅中毒诊断标准及处理原则
- 4 GB 1208-2006 电流互感器
- 5 JJF 1266-2010 行人与行李放射性监测装置校准规范
- 6 GB/T 19290.5-2009 发展中的电子设备构体机械结构模数序列 第2-3部分:分规范25 mm设备构体的接口协调尺寸扩展的详细规范 插箱、机箱、背板、面板和插件的尺寸
- 7 GB/T 3760-2008 卡套式管接头用锥密封堵头
- 8 GB/T 38158-2019 重要产品追溯 产品追溯系统基本要求
- 9 SB/T 11078-2013 猪胴体自动劈半机
- 10 SB/T 10708-2012 文化用品交易市场建设和经营管理规范

关闭预览
