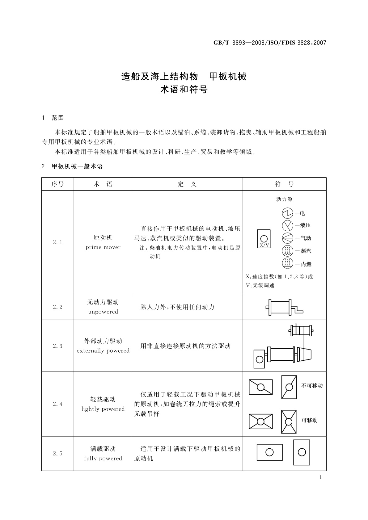
GB/T 3893-2008 造船及海上结构物 甲板机械 术语和符号
GB/T 3893-2008 Shipbuilding and marine structures—Deck machinery—Vocabulary and symbols
国家标准
中文简体
现行
页数:16页
|
格式:PDF
基本信息
标准号
GB/T 3893-2008
相关服务
仅限个人学习交流使用
标准类型
国家标准
标准状态
现行
中国标准分类号(CCS)
U04 造船及海上结构物 甲板机械 术语和符号
国际标准分类号(ICS)
47.020.50
发布日期
2008-03-03
实施日期
2008-09-01
发布单位/组织
中华人民共和国国家质量监督检验检疫总局、中国国家标准化管理委员会
归口单位
全国船用机械标准化技术委员会甲板机械与机舱辅机分技术委员会
适用范围
-
发布历史
-
1999-02
-
2008-09
文前页预览
免费预览已结束,剩余部分可下载查看
研制信息
- 起草单位:
- 中国船舶重工集团公司第七○四研究所、武汉船用机械有限责任公司
- 起草人:
- 黄燮初、盛伟群、张之良
- 出版信息:
- 页数:16页 | 字数:19 千字 | 开本: 大16开
推荐标准
- GB/T 40469-2021 畜禽屠宰加工设备 牛屠宰成套设备技术条件 2021-08-20
- WH/T 70.3-2020 公共图书馆评估指标 第3部分:省、市、县级少年儿童图书馆 2020-09-01
- JG/T 101-1999 铲运机 刀片形状和尺寸 1999-06-04
- GB/T 16262.4-2025 信息技术 抽象语法记法一(ASN.1) 第4部分:ASN.1规范的参数化 2025-03-28
- GA/T 453.2-2021 居民身份证冲切技术规范 第2部分:冲切设备技术要求 2021-10-21
- LY/T 1627-2005 中国森林火灾编码 2005-08-16
- GB/T 17619-1998 机动车电子电器组件的电磁辐射抗扰性限值和测量方法 1998-12-14
- GB/T 37692-2019 非道路移动机械用小型点燃式发动机工况法燃料消耗率限值与测量方法 2019-06-04
- GB/T 12357-1990 通信用多模光纤系列 1990-06-04
- GB/T 36707-2018 钢筋混凝土用热轧碳素钢-不锈钢复合钢筋 2018-09-17
相似标准推荐
更多>- 1 GB/T 17006.5-2000 医用成像部门的评价及例行试验 第2-5部分:图像显示装置稳定性试验
- 2 GB/T 5111-2024 声学 轨道机车车辆发射噪声测量
- 3 GB/T 9758.5-1988 色漆和清漆 “可溶性”金属含量的测定 第5部分:液体色漆的颜料部分或粉末状色漆中六价铬含量的测定 二苯卡巴肼分光光度法
- 4 GB/T 26749-2022 碳纤维 浸胶纱拉伸性能的测定
- 5 GB/T 14733.6-2005 电信术语 空间无线电通信
- 6 GB/T 22419-2008 工业车辆 集装箱吊具和抓臂操作用指示灯技术要求
- 7 GB 19169-2003 黑木耳菌种
- 8 GB/T 27824-2011 化学品 急性吸入毒性 固定浓度试验方法
- 9 GB/T 38674-2020 信息安全技术 应用软件安全编程指南
- 10 YY/T 0472.1-2004 医用非织造敷布试验方法 第1部分:敷布生产用非织造布

关闭预览
