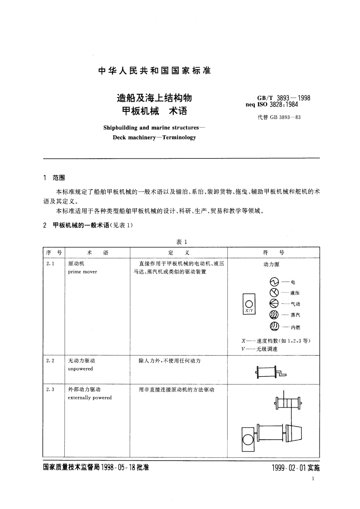
GB/T 3893-1998 造船及海上结构物 甲板机械 术语
GB/T 3893-1998 Shipbuilding and marine structures—Deck machinery—Terminology
国家标准
中文版
被代替
页数:16页
|
格式:PDF
基本信息
标准号
GB/T 3893-1998
相关服务
仅限个人学习交流使用
标准类型
国家标准
标准状态
被代替
中国标准分类号(CCS)
U04 造船及海上结构物 甲板机械 术语
国际标准分类号(ICS)
01.040.47
发布日期
1998-05-18
实施日期
1999-02-01
发布单位/组织
国家质量技术监督局
归口单位
中国船舶工业总公司第七研究院七○四研究所
适用范围
-
发布历史
-
1999-02
文前页预览
免费预览已结束,剩余部分可下载查看
研制信息
- 起草单位:
- 中国船舶工业总公司第七研究院七○四研究所、六○一院
- 起草人:
- 黄燮初、申太宗、戴 经平、周玉华
- 出版信息:
- 页数:16页 | 字数:19 千字 | 开本: 大16开
推荐标准
- GB 19169-2003 黑木耳菌种 2003-06-04
- GB/T 13199-1991 水质 阴离子洗涤剂的测定 电位滴定法 1991-08-31
- GB/Z 32564-2016 螺母设计指南 2016-02-24
- GB/T 17948.6-2018 旋转电机 绝缘结构功能性评定 成型绕组试验规程 绝缘结构热机械耐久性评定 2018-07-13
- GB/T 5413.25-1997 婴幼儿配方食品和乳粉 肌醇的测定 1997-05-28
- YS/T 38.1-2009 高纯镓化学分析方法 第1部分:硅量的测定 钼蓝分光光度法 2009-12-04
- GB/T 31489.1-2015 额定电压500 kV及以下直流输电用挤包绝缘电力电缆系统 第1部分:试验方法和要求 2015-05-15
- GB/T 26196-2010 烟花爆竹 烟火药中碳含量的测定 高频-红外吸收法 2011-01-14
- GB/T 20290-2016 家用电动洗碗机 性能测试方法 2016-02-24
- GA/T 2000.142-2016 公安信息代码 第142部分:违法违纪处罚结果分类与代码 2016-12-15
相似标准推荐
更多>- 1 GB/T 34690.7-2017 印刷技术 胶印数字化过程控制 第7部分:计算机直接制版
- 2 YY/T 0742-2021 胃肠X射线机专用技术条件
- 3 GB/T 32593-2016 轨道交通 地面装置 变电所用电力电子变流器
- 4 JJG 1108-2023 铁路支距尺
- 5 GB/T 43793.1-2024 平板显示用彩色光刻胶测试方法 第1部分:理化性能
- 6 GB/T 33542-2017 多效蒸馏海水淡化装置通用技术要求
- 7 GB 9706.201-2020 医用电气设备 第2-1部分:能量为1 MeV至50 MeV电子加速器基本安全和基本性能专用要求
- 8 GB/T 44834-2024 食品包装用水性涂布纸和纸板
- 9 GB/T 14849.4-2014 工业硅化学分析方法 第4部分:杂质元素含量的测定 电感耦合等离子体原子发射光谱法
- 10 GB/T 18691.2-2021 农业灌溉设备 灌溉阀 第2部分:隔离阀

关闭预览
