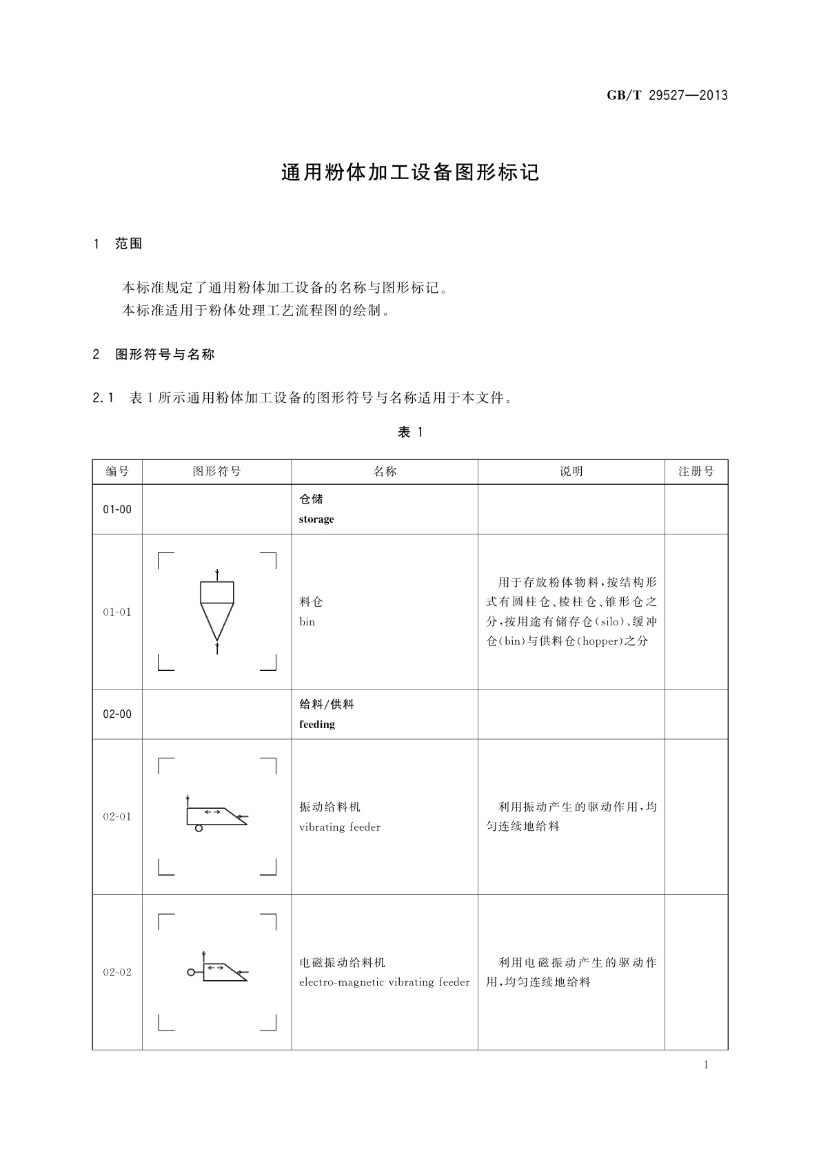
GB/T 29527-2013 通用粉体加工设备图形标记
GB/T 29527-2013 Graphical symbols for common used equipments of powder processing
国家标准
中文简体
现行
页数:40页
|
格式:PDF
基本信息
标准号
GB/T 29527-2013
相关服务
仅限个人学习交流使用
标准类型
国家标准
标准状态
现行
中国标准分类号(CCS)
A28 通用粉体加工设备图形标记
国际标准分类号(ICS)
19.120
发布日期
2013-06-09
实施日期
2014-03-01
发布单位/组织
中华人民共和国国家质量监督检验检疫总局、中国国家标准化管理委员会
归口单位
全国颗粒表征与分检及筛网标准化技术委员会(SAC/TC 168)
适用范围
-
发布历史
-
2014-03
文前页预览
免费预览已结束,剩余部分可下载查看
研制信息
- 起草单位:
- 清华大学
- 起草人:
- 盖国胜、杨玉芬、李冷、余方、侯长革、巫锡海、包玮、俞为民、邢征、陈丽昆、孙玮、刘飚、叶菁、李双跃、陈江波、陈雅权、刘怀平、肖先成、余绍火、董书惠、郝志刚、王国亮、何振全、吴成宝、尚志新、翁星星、董青云、王婷、单杰
- 出版信息:
- 页数:40页 | 字数:76 千字 | 开本: 大16开
推荐标准
- GB/T 34006-2017 复合材料用腰果酚改性酚醛树脂 2017-07-12
- LY/T 2864-2017 燃油蒸发排放控制炭罐用颗粒活性炭 2017-06-05
- YS/T 575.6-2007 铝土矿石化学分析方法 第6部分:二氧化钛含量的测定 二安替吡啉甲烷光度法 2007-11-14
- GB/T 325.6-2021 包装容器 钢桶 第6部分:锥形开口钢桶 2021-05-21
- GB/T 37361-2019 漆膜厚度的测定 超声波测厚仪法 2019-03-25
- GB/T 13878-1992 农业拖拉机和自走式机具封闭驾驶室采暖和通风系统性能试验方法 1992-11-14
- GB/T 3711-1983 酚类产品中性油及吡啶碱含量测定方法 1983-05-24
- GB/T 44623-2024 辐射防护仪器 透明和半透明容器中液体光谱识别系统(拉曼系统) 2024-09-29
- FZ/T 54006-2010 有色涤纶牵伸丝 2010-12-29
- GA/T 1319-2016 法庭科学吸毒人员尿液中苯丙胺等四种苯丙胺类毒品气相色谱和气相色谱-质谱检验方法 2016-07-11
相似标准推荐
更多>- 1 GB/T 24608-2023 滚动轴承及其商品零件检验规则
- 2 DZ/T 0102-1994 SDJ-78型数字地震检波器
- 3 GB/T 19017-2020 质量管理 技术状态管理指南
- 4 GB/T 27939-2011 滑动轴承 几何和材料质量特性的质量控制技术和检验
- 5 GB/T 44706-2024 化学品 沉积物-水系统中河蚬毒性试验
- 6 GB/T 13293.11-1991 高纯阴极铜化学分析方法 钼蓝分光光度法测定硅量
- 7 GB/T 37419-2019 小艇 操舵、换挡和油门的电气或电子控制系统
- 8 GB/T 8638.9-1988 镍基合金粉化学分析方法 硫代硫酸钠-碘量法测定铜量
- 9 JJF 2166-2024 电子固体密度天平校准规范
- 10 GB 12021.2-2025 家用电冰箱耗电量限定值及能效等级

关闭预览
